Monday, October 31st, 2022 AT 12:35 PM
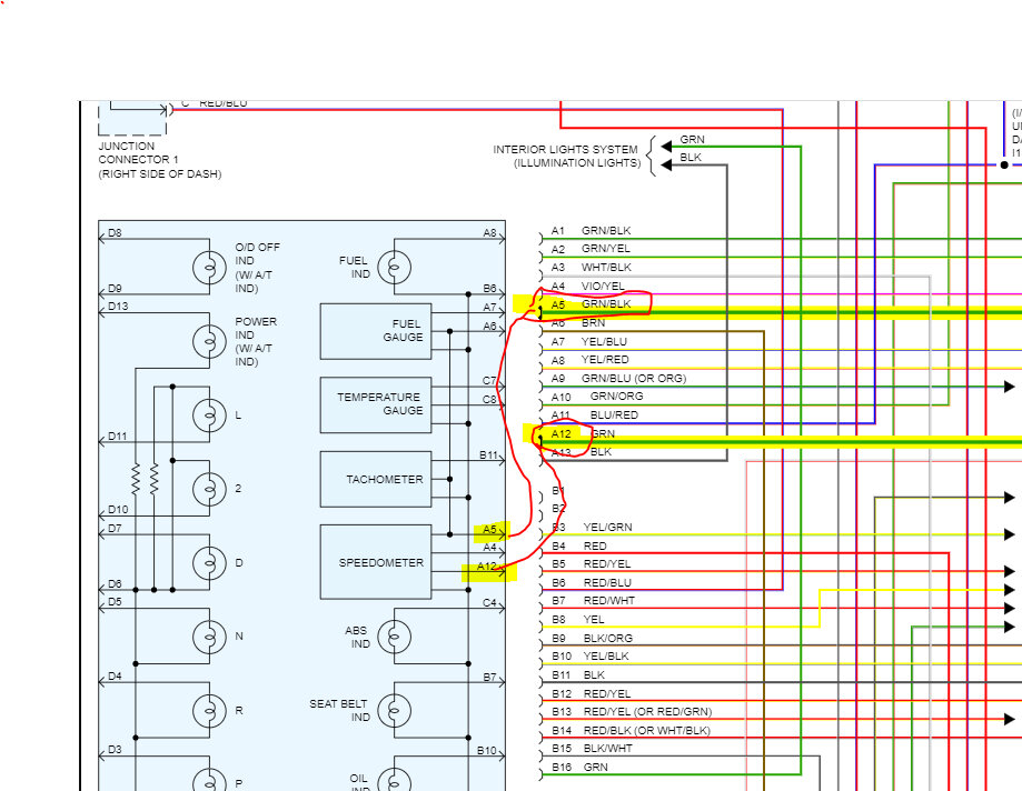
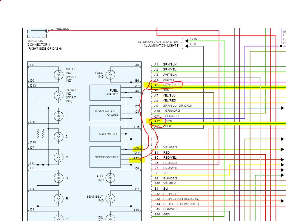
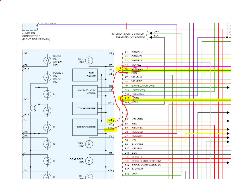
The speedometer while sitting idle in the car the speedometer will go all the way over or over until about 3:00 and just sit there and fluctuate around while driving the speedometer still does nothing but fluctuate around 3:00 area sometimes it will flip all the way back to zero and stay there the trip set works most of the time. I inherited this car and it would be nice to have the speedometer to work.


