Thursday, June 11th, 2020 AT 5:40 PM
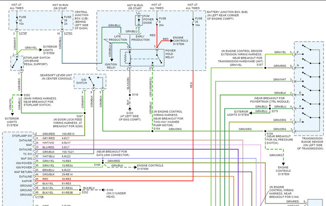
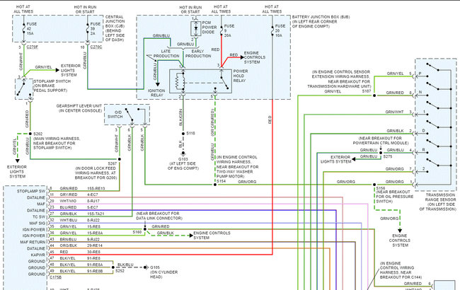
I converted my 2.0 auto Focus to a 2.3 Lincoln mkc 2.3 turbo 5 spd. I used a Ford Mustang 2.3 m-6017-23t controls pack.I had to do away with the speed control and air, because the new computer has no provisions for running these. My problem is, I cannot get an after market speedometer to work with the stock VSS. I decided to try the stock speedometer. I have to get a computer pin diagram for the 2006 Focus so I can get a wire from the ECM to the VSS. Do you have this diagram?



