Saturday, December 11th, 2021 AT 12:44 PM
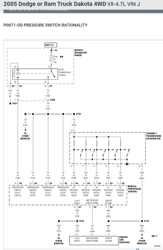
Vehicle listed above has a 4.7 v8. Told to change the transmission speed sensor. Where is it located and is there more than one to change? It's to fix shift and harsh jerking problem.

















