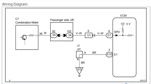
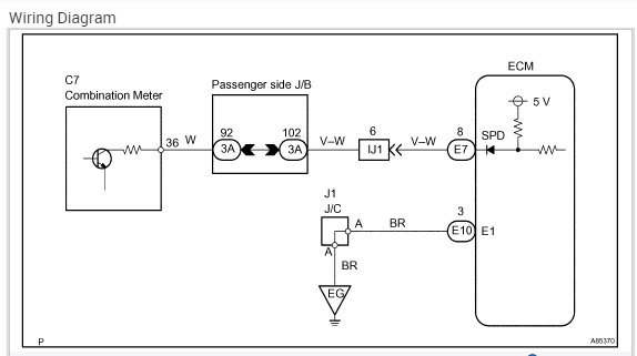
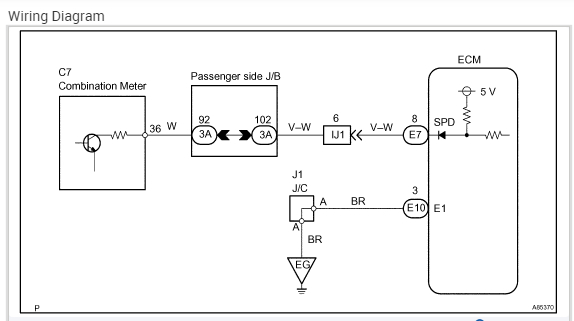
while driving the ABS, brake, check engine light will come on and speedometer will stop working and transmission will not shift right. I have cleaned the front ABS sensors
and it lasted 1 week and then I had same problem.
i am looking for the locations on the engine for the sensors to replace them one is under the air cleaner and the other one I have found yet. Could you give a diagram of the sensor locations? Thank you
Sunday, December 1st, 2019 AT 11:26 PM










