Where is the Speed sensor located?

Tiny
DEANGELOSMITH
  • MEMBER
  • 2007 INFINITI G35
  • 3.5L
  • V6
  • 2WD
  • AUTOMATIC
  • 190,000 MILES
Good day, just wanted to know where I can find the speed sensor on my car.
Thursday, July 24th, 2025 AT 12:17 PM

5 Replies

Tiny
STEVE W.
  • MECHANIC
  • 15,685 POSTS
Which one? There are speed sensors at each wheel and 2 inside the transmission. What is the issue you have? That would let us narrow down which one is involved. For instance, an ABS problem or the speedometer isn't working or?
Was this
answer
helpful?
Yes
No
+1
Thursday, July 24th, 2025 AT 12:45 PM
Tiny
DEANGELOSMITH
  • MEMBER
  • 20 POSTS
Thank you for the reply. I'm experiencing trouble late shifting struggles to get out of 1st gear and entering 5th gear when it does shift it's very rough. Also, I'm not able to go into sport mode. The code what I'm getting is P0720.
Was this
answer
helpful?
Yes
No
Thursday, July 24th, 2025 AT 3:08 PM
Tiny
STEVE W.
  • MECHANIC
  • 15,685 POSTS
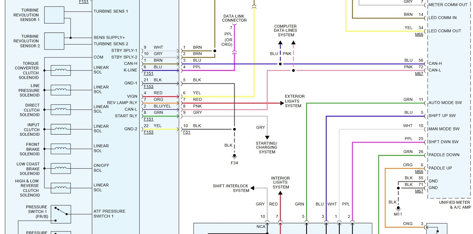
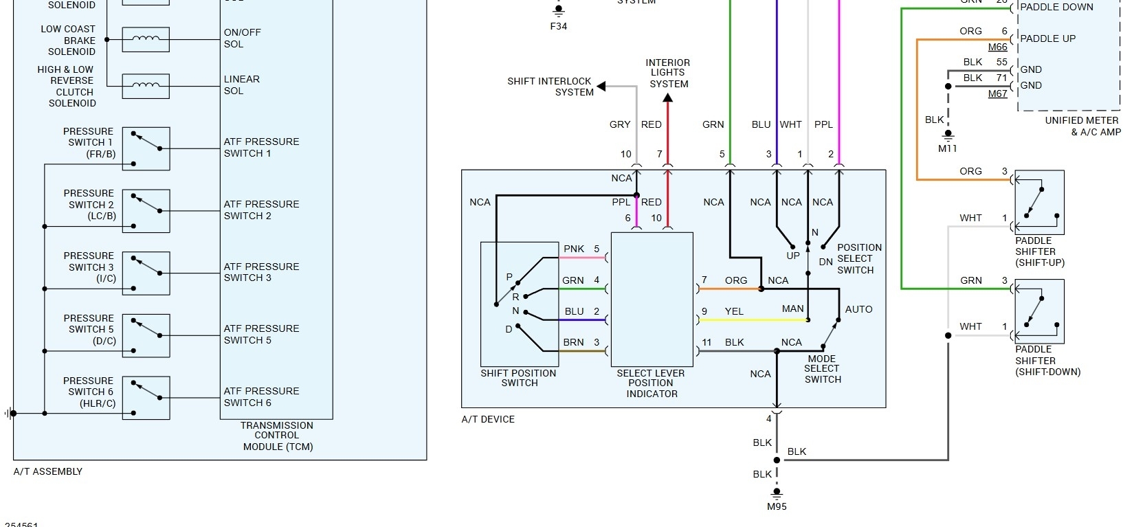
Okay, the P0720 is a code for the "revolution sensor" circuit. This is the sensor that is in the rear of the transmission with a cable that runs in the case. It is a circuit code which means it could be the sensor or that the harness to the transmission is damaged. To get to it you drain the transmission fluid out, then remove the driveshaft. Then to get to the sensor you remove the tail shaft housing, and the transmission pan the sensor harness is in there.
However, I would check the harness that runs from the transmission up to the powertrain control module. It would be an open circuit which would be a cut or rubbed through wire. If no damage is found in the harness, then the transmission will need to be opened, and the wiring checked in it. All of the control parts are inside the transmission and the sensor is in series with the shift sensor and the TCM.
Was this
answer
helpful?
Yes
No
+1
Thursday, July 24th, 2025 AT 6:15 PM
Tiny
DEANGELOSMITH
  • MEMBER
  • 20 POSTS
Thank you for taking the time to give such a detailed explanation you're a lifesaver.
Was this
answer
helpful?
Yes
No
Saturday, July 26th, 2025 AT 1:23 PM
Tiny
STEVE W.
  • MECHANIC
  • 15,685 POSTS
If you need more info we will be here. Those can get involved when you start looking for issues.
Was this
answer
helpful?
Yes
No
+1
Saturday, July 26th, 2025 AT 4:35 PM

Please login or register to post a reply.

Related General Content