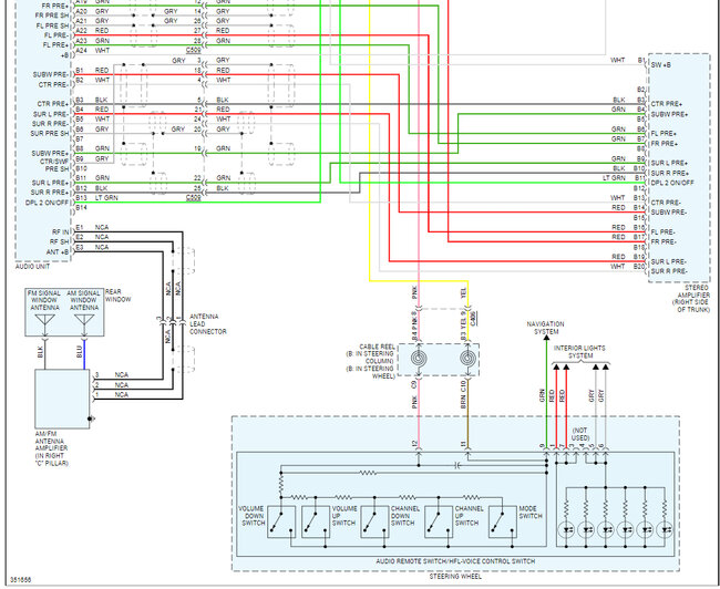
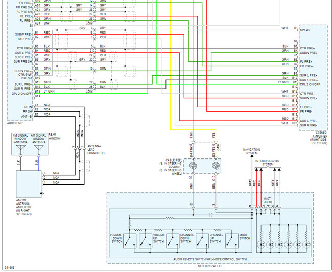
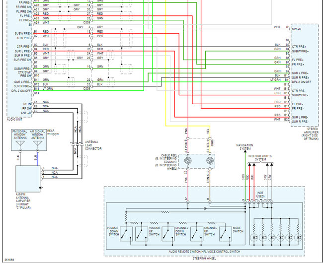
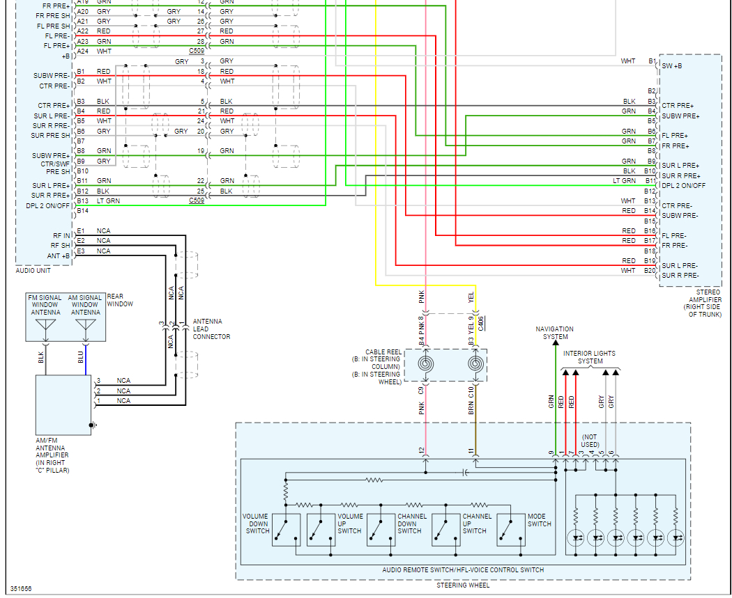
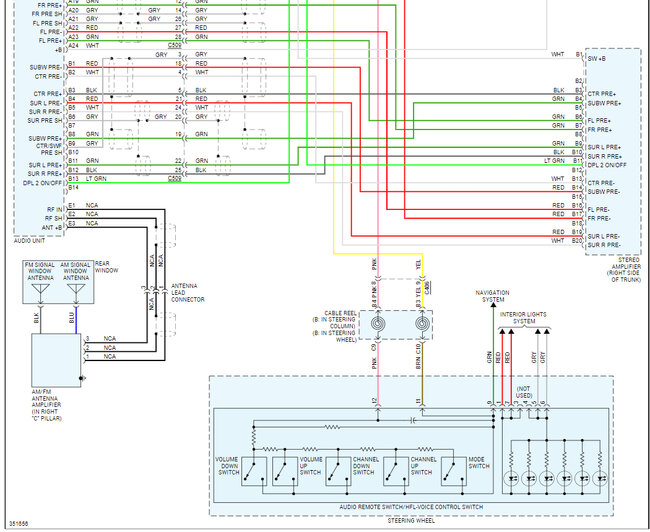
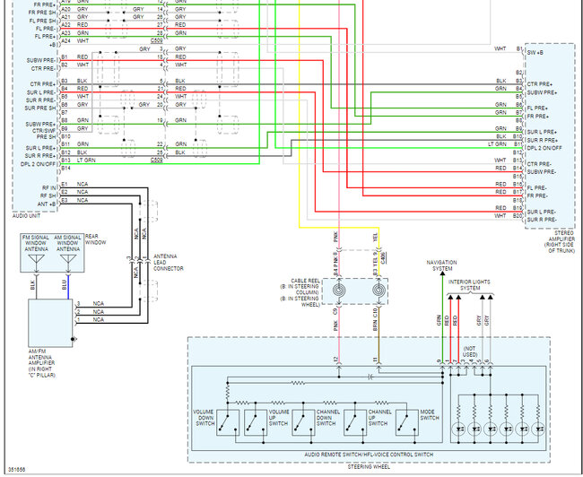
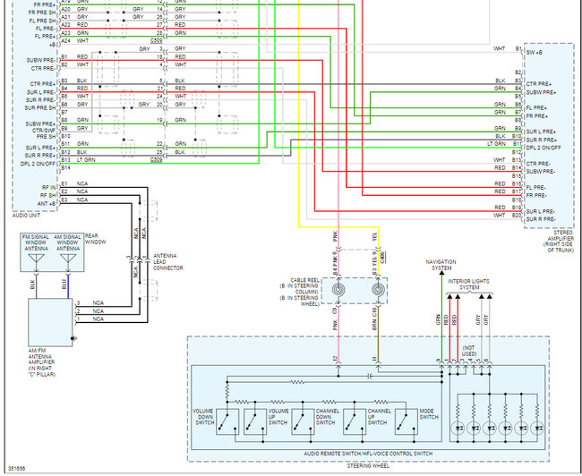
So out of nowhere one morning I start my car and noticed that all my speakers had static. Once the car has been on for about 15-20 the static will go away. But it happens every time my car sets for a few hours.
Nov 2, 2023 at 9:46 AM







