Wednesday, February 27th, 2019 AT 5:56 PM
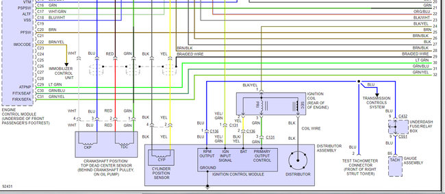
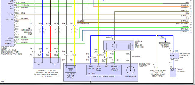
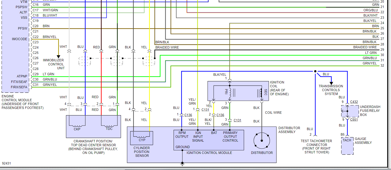
I bought the car it needed an alternator so I replaced the alternator. Went to go start it didn’t fire. Checked spark, sparks twice then stops. Change the cap and rotor. Still nothing. Then I changed the distributor and same thing. Changed my coil and still the same thing.I don’t know what to do.












