The engine starts, but my dash does not turn on and my transmission will not Move?

Tiny
STEPHEN SAUDACHE
  • MEMBER
  • 2010 JEEP WRANGLER
  • 4WD
  • AUTOMATIC
  • 114,603 MILES
I can start my engine it is an electrical problem. Engine will start but Dashboard won't light up and I can't shift gears.
Tuesday, February 21st, 2023 AT 1:43 PM

1 Reply

Tiny
JACOBANDNICKOLAS
  • MECHANIC
  • 110,194 POSTS
Hi,

Just for curiosity, do the brake lights work? The shift interlock circuit is powered via the brake lamp switch. That's why I ask.

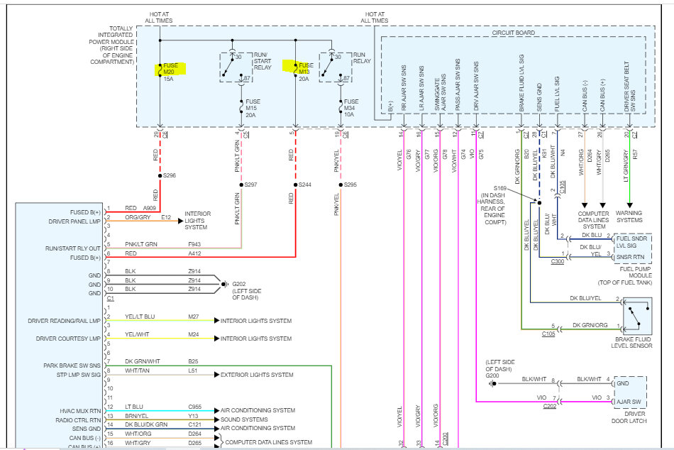
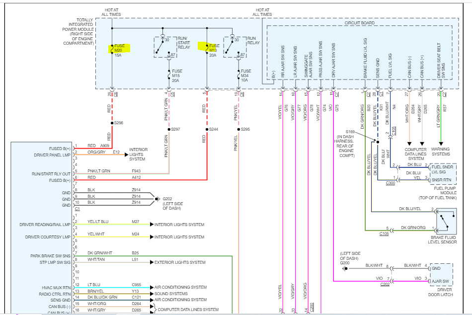
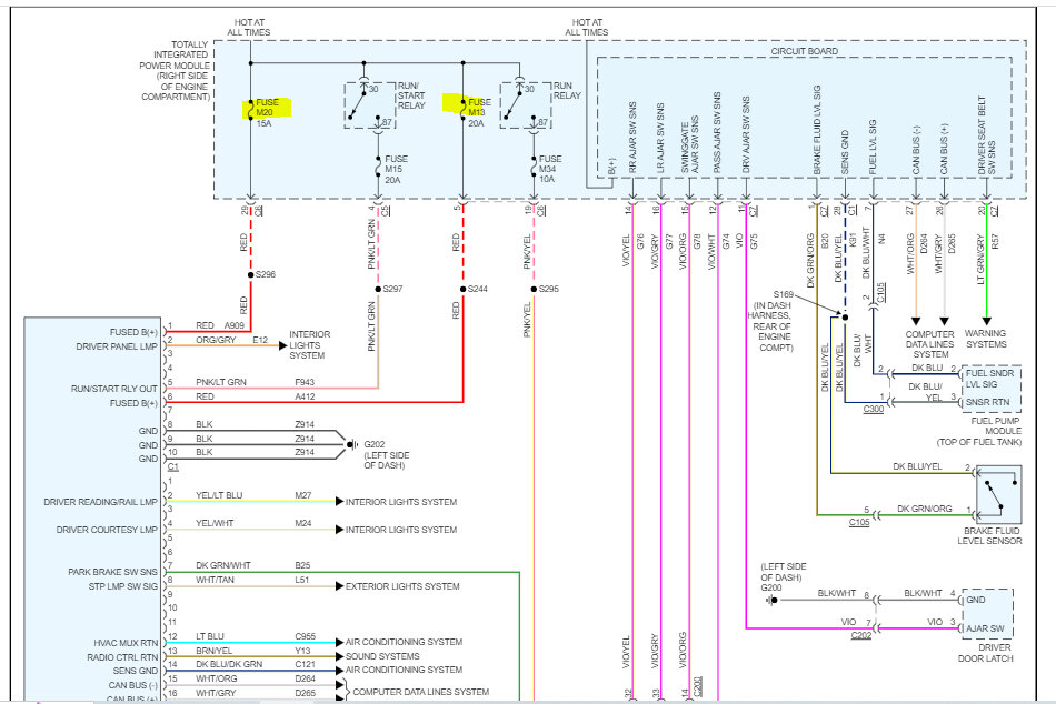
Now, the cluster issue is different. I need you to start by checking fuses M13 and M20 in the under-hood fuse box/totally integrated power module (TIPM).

In addition to checking the fuses, confirm there is power to and from them. They both should have power at all times.

Here is a link you may find helpful:

https://www.2carpros.com/articles/how-to-check-a-car-fuse

I attached the wiring schematic for the instrument cluster below so that you have a reference. Also, pics 3 and 4 indicate fuse locations.

Let me know what you find or if you have questions.

Take care,

joe

See pics below.
Was this
answer
helpful?
Yes
No
Tuesday, February 21st, 2023 AT 9:30 PM

Please login or register to post a reply.