Slow crank, no start?

Tiny
JOHNKUEHNE
  • MEMBER
  • 2005 DODGE SRT-10
  • 8.3L
  • V10
  • 2WD
  • AUTOMATIC
  • 170,000 MILES
• Following new cam, heads, engine rebuild, new crank sensor. Over a series of testing/changes noted zero starts of 25- 30 cranks done over multiple days and hours and only a few random backfires, but no starts.
• New starter, new battery, new second ground wire to engine/chassis, tightened engine fuse box connection to 12V positive battery terminal.
• New Cam Position sensor installed per FSM (original sensor installed too deep had damage/material removed from end of sensor)
• Spark validated with test light on each of 10 wire/plugs.
• Fuel pump can be heard working and Fuel pressure validated normal range (gauge on Shrader valve on fuel rail).
• Starting fluid in the intake/plenum was mostly ineffective, with at best a random/inconsistent backfire.
• Given the consistent sound of compression, spark, fuel and still crank speeds moderate, but slower than normal, what would be the next thing to check, timing or anything else?
Not sure how to test/check timing (New ARP harmonic balancer).
Tuesday, June 18th, 2024 AT 6:48 AM

23 Replies

Tiny
AL514
  • MECHANIC
  • 5,595 POSTS
Hello, who did the rebuild on it? The back firing is very concerning, as well as the damaged cam sensor, besides the cam sensor for now, it sounds like the timing is off, have you done any compression testing? Possibly the timing marks were not lined up correctly. Is it setting any crank cam timing correlation codes?
Was this
answer
helpful?
Yes
No
Tuesday, June 18th, 2024 AT 10:14 AM
Tiny
AL514
  • MECHANIC
  • 5,595 POSTS
Service info looks like this is a push rod engine, so the cam sensor being in too deep and hitting its trigger wheel will cause damage to both, service info states to mark the depth of the cam sensor before removing it so the new or old one can go back in at the same exact depth, here are some diagrams of the depth issue it can have with the cam sensor, can you pull the cam sensor out and possibly get a bore scope into the sensor hole to take a look for any damage to the gear, is it possible half of the sensor broke off and didn't come out with the other section?
Was this
answer
helpful?
Yes
No
Tuesday, June 18th, 2024 AT 10:32 AM
Tiny
AL514
  • MECHANIC
  • 5,595 POSTS
This is the cam gear that picks up the signal from the cam sensor, was the engine started the first time with the sensor in too deep? You can see how that gear would break the front of the sensor right off, I'd pull the sensor out and rotate the engine by hand slowly and inspect that gear for any damage or more broken sections of the sensor, I can understand the frustration after a rebuild like this.
Was this
answer
helpful?
Yes
No
Tuesday, June 18th, 2024 AT 10:40 AM
Tiny
JOHNKUEHNE
  • MEMBER
  • 27 POSTS
Checked this weekend and found compression about 120 PSI across all cylinders except cylinder 10 that was 90 PSI. The new replacement Cam sensor was set according to the FSM flush on the high point ridges inward of gears on the cam with a wear down seam that was set on the high point on the high ridge of the cam (not gears); old cam position sensor was still working (saw signal readings on HP Tuners) and had lost about 1/8" of plastic, but was replaced as noted. No codes for cam sensor before or after new sensor, but again engine will crank, but has not start even after replacing sensor. The engine was rebuilt with the assistance of a machine shop that cleaned, measured, coated OEM pistons, polished crank, pressed connecting rods and sourced bearings - engine had no damage was rebuilt at 170K miles. This weekend I removed radiator/fan and accessories, but rain kept me from verifying timing this weekend. The marks were lined up when engine was rebuilt, but may not have been TDC on compression stroke - so need to check timing. Did find the PS pump had a lot of resistance turning, and may have been some of the contribution to a slow crank, but early on had removed the serpentine and still slow crank (likely cam position sensor was rubbing and needed second ground wire to frame/block and found loose Positive wire from fuse box to battery - all fixed). I just need to pull the front cover of the engine and will check the timing which if off may explain some lower compression which is at least consistent across 9/10 cylinders.
Was this
answer
helpful?
Yes
No
Sunday, June 23rd, 2024 AT 6:20 PM
Tiny
AL514
  • MECHANIC
  • 5,595 POSTS
Well, that's a lot of variables there. Is battery voltage dropping low during this slow cranking issue? Even with the belt removed. And I would also check to see if you're getting any fuel injector control, being such a large engine, starting spray into the intake might not be enough. Maybe you're missing an injector pulse, since you already verified spark. The wiring diagrams for this also show a 3-wire type oil pressure sensor, so that's a variable type of sensor, not just a oil pressure switch. Also just seeing a cam signal doesn't mean the signal is good, if the pulse width on any of the cam pulses is incorrect especially if there's a tuned ECM installed, there's just too many unknowns here. I would go through live scan tool data and see if anything looks out of place, some major is missing. I wouldn't go pulling the timing cover just yet, not with 120psi compression readings, were the spark plugs wet with fuel when you were checking compression?

https://www.2carpros.com/articles/how-to-test-a-fuel-injector
Was this
answer
helpful?
Yes
No
Sunday, June 23rd, 2024 AT 6:53 PM
Tiny
JOHNKUEHNE
  • MEMBER
  • 27 POSTS
I can check voltage when I crank next time, but had already pulled the radiator/fan, alternator, compressor off to check the timing - just got rained out before I pulled the front timing cover to validate timing marks align at compression TDC. I have a new PS pump coming since the current one is very hard to turn and may have been slowing the crank speed. What kind of testing or scan tool do I need to do the "live scan tool data and see if anything looks out of place, some major is missing" you recommended? I just have a BlueDriver BT OBD2 and HP Tuners VCM Scanner. Can those be used or do I need to get a bi-directional scan tool and if so what tool for a DIY that does not break the bank?
Was this
answer
helpful?
Yes
No
Tuesday, June 25th, 2024 AT 9:57 AM
Tiny
AL514
  • MECHANIC
  • 5,595 POSTS
Well, when you get things back together and figure out why there was a slow cranking speed, and it's hitting normal cranking rpms, if the Check engine light is coming on at Key On, then the PCM is awake, and something should set a code. You'll need to make sure the battery is fully charged up, It might not be starting if its not getting up to a certain rpm, It depends on how the pcm is programmed, but if it still doesnt start and no codes are setting I would check for injector pulse using a test light. It sounds like you may be missing that.

https://www.2carpros.com/articles/how-to-test-a-fuel-injector
Was this
answer
helpful?
Yes
No
Tuesday, June 25th, 2024 AT 12:41 PM
Tiny
JOHNKUEHNE
  • MEMBER
  • 27 POSTS
I am still "in-the-process" of checking timing and had already started pulling the radiator/fan, alternator, compressor off to check the timing, but when I tried pulling the crank pulley. It ended up bending grade 8.8 bolts that are part of an Autzone harmonic balancer puller kit. So, $200 later, I ordered the official ATI harmonic balancer puller as I am still trying to get into the front of engine to check the timing. Any recommendations to help the ATI harmonic balancer puller pull the ATI harmonic balancer? We have been using a high torque air impact wrench to help. I thought I would seek advice on anything to help and not damage my second and more expensive puller? I am nervous to use heat given crank seals that could be damaged and maybe I just go for it with the air impact and the quality and correct puller for the ATI harmonic balancer.
Was this
answer
helpful?
Yes
No
Tuesday, July 2nd, 2024 AT 3:47 PM
Tiny
AL514
  • MECHANIC
  • 5,595 POSTS
Don't use heat on the crankshaft, they recommend some grease on the end that actually contacts the crankshaft, and some anti-seize on the threads of the puller bolts. But I don't think you're going to find the timing being off, with just a single chain it's highly unlikely. With the components you have off already have you tried putting the crank bolt back in a turning the engine over by hand?

You have the BlueDriver scan tool with the App, which has live engine data, Mode 6 data, code reading and Freezeframe data for any codes set, there should definitely be enough live data to see what's going on. You should be looking for an RPM signal, Fuel injector pulse width, PCM voltage, etc. There has to be some data PID with inaccurate data listed, especially since the PCM at this point won't have any "learned" values that it could potentially substitute for missing or inaccurate values, which can happen when signed into the manufacturer side of scan tools instead of the Global OBD2 side, if the scan tool has that, I would use it instead of going into the Dodge side. I have one of these Bluetooth scan tools I keep in my truck in case I need to stop and help someone, and they have a lot of information in them.

Instead of potentially damaging the crank pulley, I would take a different approach, your compression readings are plenty high, and with the amount you have been cranking it over, if the fuel injectors were firing, I would expect much lower compression because of cylinder wash with all the fuel that would be spraying into the cylinders.

I think you might find there is no fuel injector pulse, or power missing to the injectors,
You mentioned you had fuel pressure, but that doesn't mean the injectors are firing, instead of pulling the timing cover off, put things back together to a point where you can check for an injector pulse. Pull a few spark plugs and I'll bet they will look perfect, might not even have any fuel on them, I just don't want to see you pull the timing cover just to see that it's in time.
Get it as far as being able to crank over with the battery hooked up, you don't even need the main belt to be on, isolate the alternator B+ cable so it doesn't short out on anything, and you can check the injector pulse with a test light, but you need the battery hooked up. If you can turn the engine over by hand and the power steering pump was your slow crank issue, or battery voltage dropping,
I'd put things back together, save yourself anymore headache with all that, you don't need the radiator, alternator, ac compressor or drive belt to check for the injector operations, we can go over that with these other parts still off, you can do a voltage drop test to the engine block and frame to make sure there's proper grounding, and then you can just put those other parts back on later once we see if there's injector control. Charge up the battery.
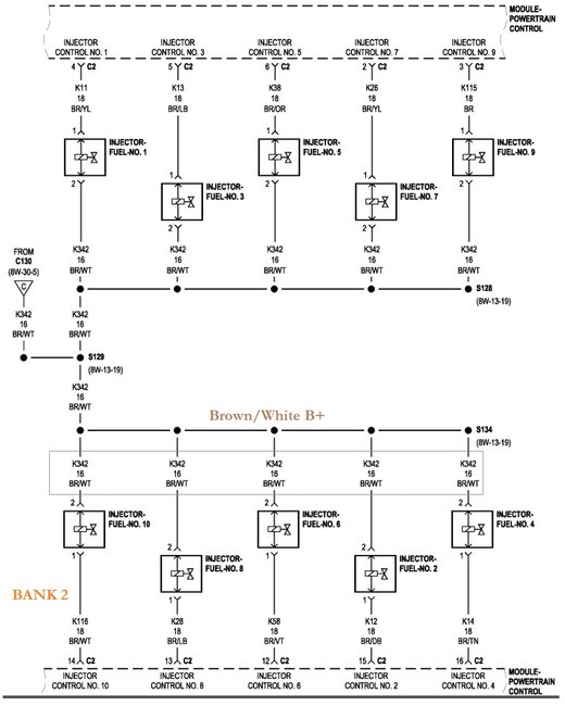
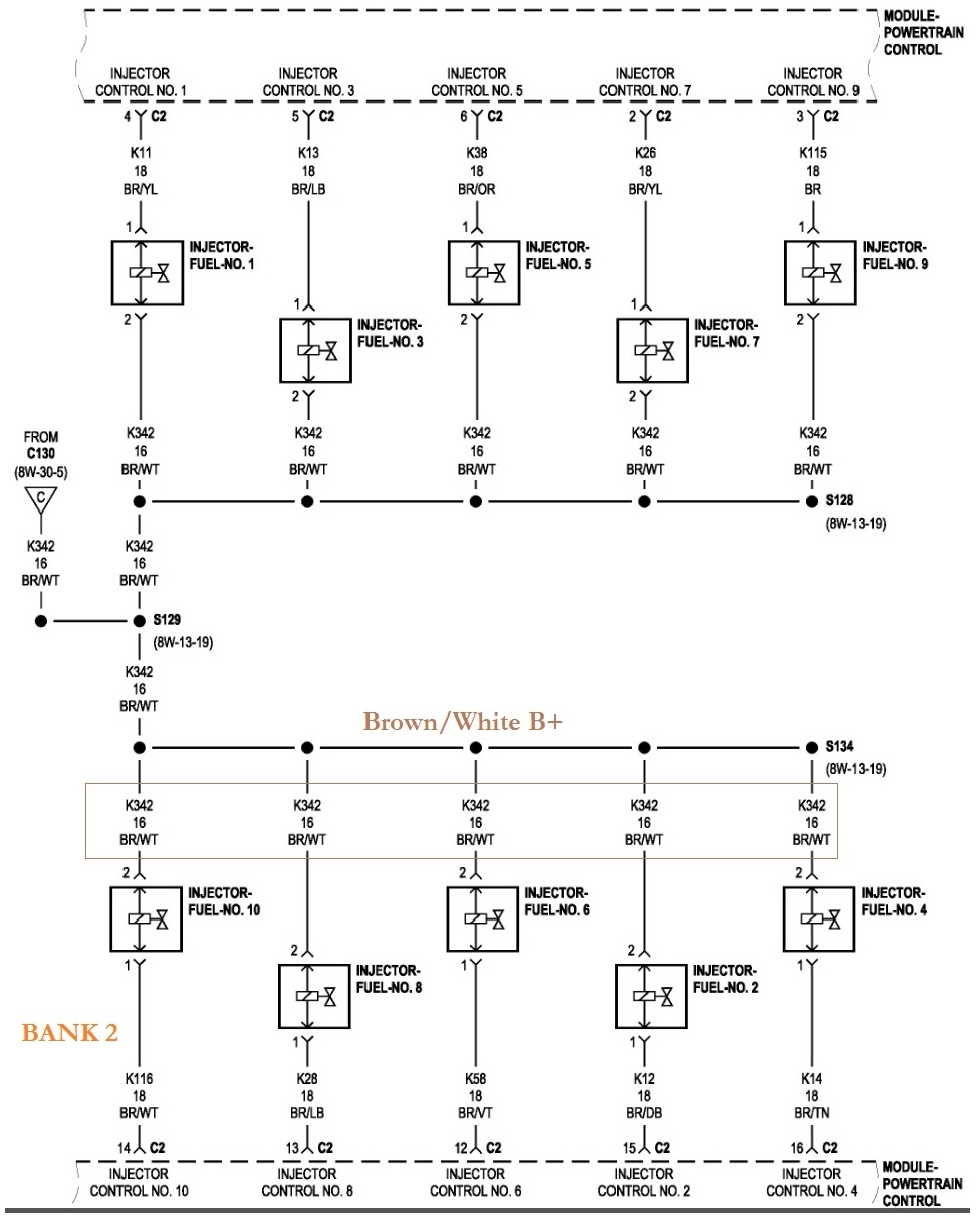
2nd diagram shows the fuel injector power wires the others are the ground side control wires, super easy to check for an injector pulse from the PCM.
Was this
answer
helpful?
Yes
No
Tuesday, July 2nd, 2024 AT 5:32 PM
Tiny
JOHNKUEHNE
  • MEMBER
  • 27 POSTS
I pulled the spark plugs during the compression testing and noticed that It was all 5 plugs on the Bank 1 (drivers side with cyl. 1) were black and dirty (see attached picture) - all were cleaned before reinstalling. Bank 2 had all clean looking plugs. I have the ATI Harmonic Balancer off using the ATI puller and will check the timing is aligned on the TDC compression stroke and then can check for fuel injector pulse.
Was this
answer
helpful?
Yes
No
Saturday, July 6th, 2024 AT 12:13 PM
Tiny
AL514
  • MECHANIC
  • 5,595 POSTS
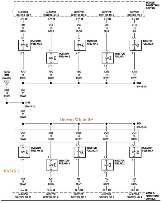
So, you have only 1 Bank of injectors firing, I don't see any picture, make sure the picture file is not too big. Here's the OEM wiring for the Injectors, if you're missing power to the Bank 2 injectors, there's this Splice S129 where power branches off to Bank 2, so check for power with the key on for bank 2 once you get things back together enough. After all this cranking and the engine not starting, if the Bank 1 injectors have been firing, there's going to be cylinder wash due to all that gas being pumped into those cylinders, something to keep in mind. Make sure you change the oil right after you get this thing started, the oil is definitely contaminated with gas by now.
Was this
answer
helpful?
Yes
No
Saturday, July 6th, 2024 AT 12:44 PM
Tiny
JOHNKUEHNE
  • MEMBER
  • 27 POSTS
Still in the process of checking timing. The harmonic balancer is off and in trying to get the front cover off to check timing, it seems will have to drop the oil pan - oil pump pickup pipe is the challenge. The only way I see to get the front engine cover off to check timing is to 1) remove engine mounts 2) hoist engine up 3) remove oil pan. Any better advice to get in to check timing than to hoist the engine?
Was this
answer
helpful?
Yes
No
Wednesday, August 7th, 2024 AT 2:36 PM
Tiny
AL514
  • MECHANIC
  • 5,595 POSTS
Besides using an oscilloscope and comparing the crank sensor signal and the cam sensor signal, even then you still need a known good cam/crank waveform to compare it to, to verify timing is correct. But manually checking the timing by the marks for the crank and cam is the method, you can get the #1 cylinder up to TDC on its compression stroke by checking the rocker arms with the valve cover off and a compression gauge on the #1 or using a long screw driver and being very careful, turn the engine by hand until its up at the highest point. The low compression on #10 might be a ring issue on that piston.
Was this
answer
helpful?
Yes
No
Wednesday, August 7th, 2024 AT 7:00 PM
Tiny
JOHNKUEHNE
  • MEMBER
  • 27 POSTS
Still trying to check timing. I have removed the bolts on the front engine cover (coolant seals opened no turning back) and now need to remove or lower the oil pan to remove the pickup tube and completely remove the front engine cover. I do not see enough clearance to raise the engine (see picture attached). What method should I use to get the oil pan removed enough to finally get the front cover off?
Was this
answer
helpful?
Yes
No
Tuesday, August 20th, 2024 AT 3:00 PM
Tiny
AL514
  • MECHANIC
  • 5,595 POSTS
For the Ram Truck SRT-10 this is the service info on pulling the pan, for the Viper there wasnt any removal info at all for some reason, they are both under different Vin #s. Different labor hours for both, how much of the engine do you have apart at this point? Are the valve covers off for any inspection of the upper components? This seems like youre going through a lot, when there is so many other unknowns right after the rebuild. Did pulling the belt off with the power steering pump out of the equation effect the issue with turning the engine over? I mean if you go through all this trouble and the timing marks are fine, what issues does that leave you with. The Bank 2 plugs that are clean with B1 plugs dirty which sounds like one bank is not firing the injectors, there wasnt any pictured on that posting, then there was low compression on one cylinder, so many variables here. The 30 PSI difference on that cylinder is very concerning.
Was this
answer
helpful?
Yes
No
Tuesday, August 20th, 2024 AT 6:15 PM
Tiny
JOHNKUEHNE
  • MEMBER
  • 27 POSTS
Just to clarify when we unbolted the front cover, it was slightly removed breaking open coolant passage seals - no turning back now on removing the oil pan. I appreciate the advice and if I could go back I would, but now I have to remove the front cover fully given the partial removal of the front cover and need to get oil/coolant resealed (after timing is checked. Again thank you for all of the good information!
Was this
answer
helpful?
Yes
No
Wednesday, August 21st, 2024 AT 4:33 PM
Tiny
AL514
  • MECHANIC
  • 5,595 POSTS
Well, I wasn't suggesting stopping where you are at, if you were unsure about the #1 being at TDC, or being off in any way, it just appears there will be other issues to figure out here.
Was this
answer
helpful?
Yes
No
Wednesday, August 21st, 2024 AT 5:05 PM
Tiny
JOHNKUEHNE
  • MEMBER
  • 27 POSTS
Issues resolved, follow up. V10 engine with 600 hp now rumbles! After pulling the engine it was discovered that the spark plugs were not correctly connected to the coil packs (all 10 were wrong which are hidden under intake). Non-OEM coil packs had different (incorrect) cylinder assignments - fairly common problem with getting correct SRT-10 parts even from rock solid parts supplier. I have installed new OEM coil packs and reinstalled the engine. The engine starts easily and runs great. Completing engine break-in with new base map with HP Tuner remote loaded file from SRT-10 tuner. Will break in as per tuner and then get to tuner/dyno. While engine was out got 170K 48RE I got it rebuilt at a shop, so now have a fresh engine and transmission. Thank you for your assistance! I am headed to the Go Fund Me for 2 Car Pros to express my thanks!
Was this
answer
helpful?
Yes
No
Friday, December 20th, 2024 AT 9:19 AM
Tiny
AL514
  • MECHANIC
  • 5,595 POSTS
Glad you got it going, that was a long diag for sure. You can donate at go fund me, but that goes to just the site, I think.
Was this
answer
helpful?
Yes
No
Friday, December 20th, 2024 AT 9:28 AM
Tiny
JOHNKUEHNE
  • MEMBER
  • 27 POSTS
How can I donate/tip you directly?
Was this
answer
helpful?
Yes
No
Friday, December 20th, 2024 AT 10:28 AM

Please login or register to post a reply.