I was about to order pads and rotor

Tiny
AVSIAPNO
  • MEMBER
  • 2016 DODGE CARAVAN
  • 50,000 MILES
I was about to order pads and rotor. The parts shop ask me whether I have single or dual front caliper. I'm not sure. Does this van have single or dual front caliper?
Sunday, October 18th, 2020 AT 11:36 AM

1 Reply

Tiny
JACOBANDNICKOLAS
  • MECHANIC
  • 110,194 POSTS
Hi,

Replacing brakes and rotors isn't too hard of a job. You can expect them to last approximately 25,000 miles, but that is based on driving habits and terrain.

First, here is a link that explains in general how it's done. You can use this link as a guide.

https://youtu.be/SD9-MLW6Yts

and

https://www.2carpros.com/articles/how-to-replace-front-brake-pads-and-rotors-fwd

Here are the directions specific to your vehicle. The attached pics correlate with the directions.

____________________________

2016 Dodge or Ram Truck Grand Caravan V6-3.6L
Brake Pads - Installation (Front)
Vehicle Brakes and Traction Control Disc Brake System Brake Pad Service and Repair Removal and Replacement Brake Pads - Installation (Front)
BRAKE PADS - INSTALLATION (FRONT)
INSTALLATION

NOTE:
Perform Step #1 through Step #5 on each side of the vehicle to complete pad set installation, then proceed to Step #6.

NOTE:
Make sure the pads with the audible wear indicator (if equipped) are installed in the inboard location on each side of the vehicle.

pic 1

NOTE:
If the brake pads have a protective paper on the rear face of the brake pad plate, it must be removed before pad installation.

Place the brake pads (4, 5) in the abutment shims (3) clipped into the disc brake caliper adapter bracket (2) as shown. Place the pad with the wear indicator (if equipped) attached on the inboard side (2).
Completely retract the caliper piston back into the bore of the caliper.

pic 2

CAUTION:
Use care when installing the caliper (4) onto the adapter bracket (1) to avoid damaging the boots.

Install the disc brake caliper over the brake pads on the brake caliper adapter bracket.

CAUTION:
When removing or installing a caliper guide pin bolt, it is necessary to hold the guide pin stationary while turning the bolt. Hold the guide pin stationary using a wrench placed upon the pin's hex-shaped head.

Align the caliper guide pin bolt holes with the adapter bracket. Install the upper (2) and lower (3) caliper guide pin bolts. Tighten the guide pin bolts to 35 NÂ m (26 ft. lbs.).

pic 3

Install tire and wheel assembly (1) (Refer to 22 - Tires and Wheels - Installation) . Install and tighten wheel mounting nuts (3) to 135 NÂ m (100 ft. lbs.).
Lower the vehicle.
Pump the brake pedal several times before moving the vehicle to set the pads to the brake rotor.
Check and adjust the brake fluid level in the reservoir as necessary.
Road test the vehicle and make several stops to wear off any foreign material on the brakes and to seat the brake pads.

_________________________________

Brake Rotor Replacement

2016 Dodge or Ram Truck Grand Caravan V6-3.6L
Brake Rotor - Installation (Front)
Vehicle Brakes and Traction Control Disc Brake System Brake Rotor/Disc Service and Repair Removal and Replacement Brake Rotor - Installation (Front)
BRAKE ROTOR - INSTALLATION (FRONT)
FRONT

NOTE:
Inspect disc brake pads before installation. (Refer to 05 - Brakes/Hydraulic/Mechanical/PADS, Brake - Inspection) .

Pic 4

Clean the hub face (1) to remove any dirt or corrosion where the rotor mounts.
Install the brake rotor (2) over the studs on the hub and bearing.

pic 5

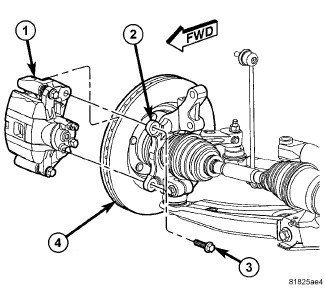
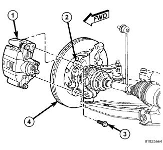
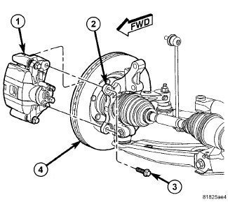
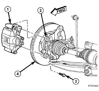
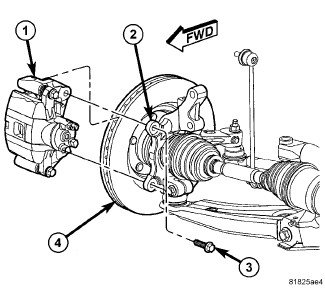
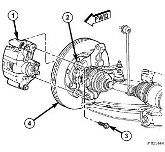
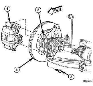
Install the disc brake caliper and adapter bracket assembly (1) over the brake rotor (4) and knuckle (2).
Install the mounting bolts (3) securing the caliper adapter bracket to the knuckle (2). Tighten the bolts to 203 NÂ m (150 ft. lbs.).

Install the tire and wheel assembly (1) (Refer to 22 - Tires and Wheels - Installation) . Tighten the wheel mounting nuts (3) to 135 NÂ m (100 ft. lbs.).
Lower the vehicle.
Pump the brake pedal several times before moving the vehicle to set the pads to the brake rotor.
Check and adjust the brake fluid level in the reservoir as necessary.
Road test the vehicle and make several stops to seat the brake pads to the rotor.

______________________________________

I hope this helps. Let me know if you have other questions.

Take care and God Bless,

Joe
Was this
answer
helpful?
Yes
No
Thursday, February 18th, 2021 AT 7:54 PM

Please login or register to post a reply.