Signals, both stopped working?

Tiny
DAN POLK
  • MEMBER
  • 2006 FORD F-350
  • V10
  • 2WD
  • AUTOMATIC
  • 140,000 MILES
Turn signals both stopped working at the same time, do not go on at all, much less flash. The emergency flasher works well. This is an old Budge Rent a truck, type van turned into a flatbed. It has been a good vehicle.
Monday, December 19th, 2022 AT 4:54 PM

1 Reply

Tiny
JACOBANDNICKOLAS
  • MECHANIC
  • 110,194 POSTS
Hi,

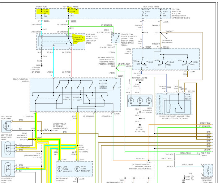
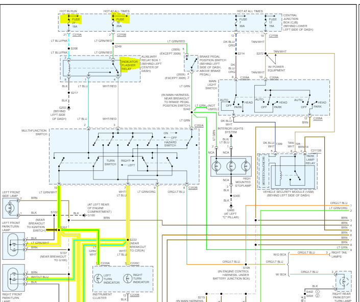
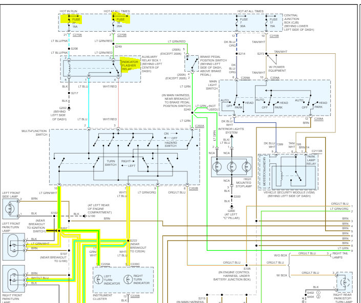
If the signals failed completely, either we lost power from one of two fuses, the flasher relay is bad, or the switch is bad. If I had to guess, I would say either a fuse or the flasher relay,

If you look at the picture below, I highlighted two fuses along with the flasher relay. First, check the fuses. Additionally, make sure they have power to and from them.

Here is a link you may find helpful:

https://www.2carpros.com/articles/how-to-check-a-car-fuse

If they are good, then we need to check the flasher relay.

Let me know what you find.

Take care,

Joe

See pics below. Note: Pic 2 is the CJB under the left side of the dash and pic 3 is the auxiliary relay box 3 behind the left-center side of the dash.
Was this
answer
helpful?
Yes
No
Monday, December 19th, 2022 AT 9:15 PM

Please login or register to post a reply.