Side marker lights and fogs lights are not working

Tiny
GREENXJ8
  • MEMBER
  • 2004 JAGUAR XJ8
  • 4.3L
  • V8
  • 2WD
  • AUTOMATIC
  • 140,000 MILES
But all other lights work. Fuses are good, relays good.
Thursday, September 5th, 2019 AT 11:56 AM

1 Reply

Tiny
KEN L
  • MASTER CERTIFIED MECHANIC
  • 55,535 POSTS
Hello,

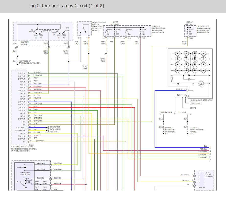
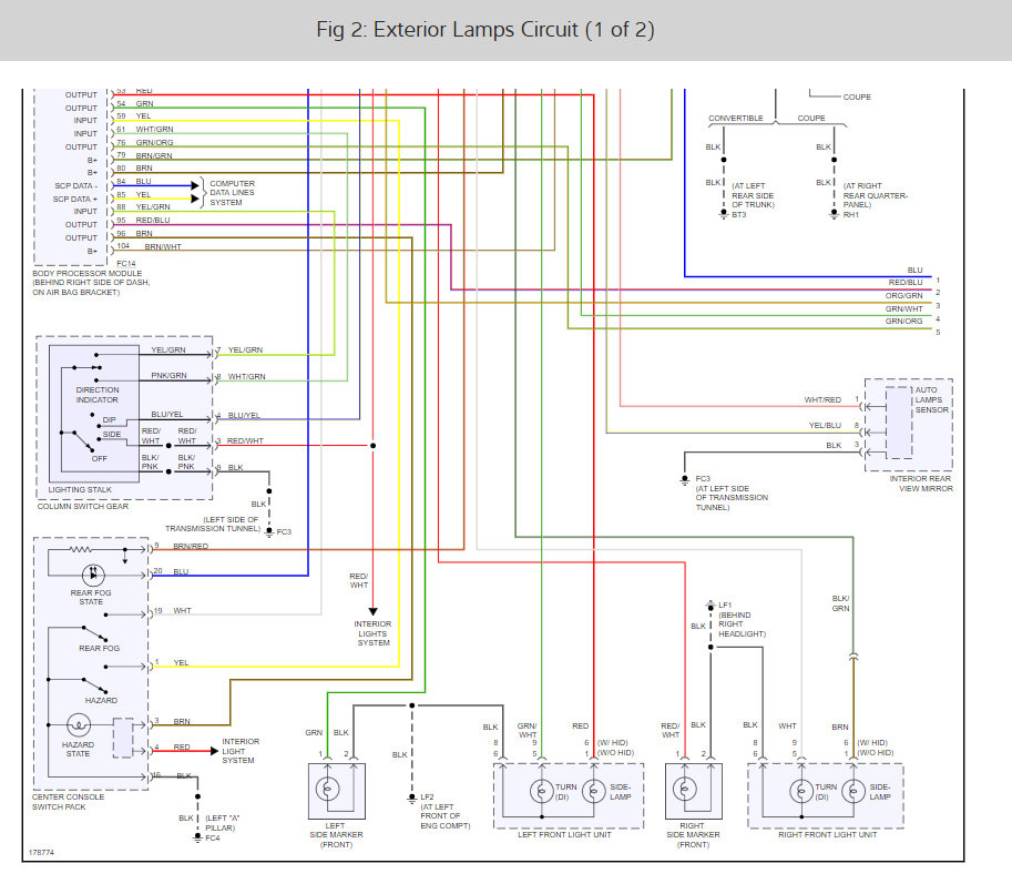
There are a hand fuse of fuses and relays that run the system we should check the fuses first. here are the wiring diagrams so you can see how the system works and which fuses and relays to check:

https://www.2carpros.com/articles/how-to-check-a-car-fuse

and

https://www.2carpros.com/articles/how-to-check-an-electrical-relay-and-wiring-control-circuit

Check out the diagrams (below). Please let us know what you find. We are interested to see what it is.
Was this
answer
helpful?
Yes
No
Saturday, September 7th, 2019 AT 1:35 PM

Please login or register to post a reply.