Wiring diagram for third brake light?

Tiny
JOSHUA LEBOEUF
  • MEMBER
  • 2015 HYUNDAI SONATA
  • 2.0L
  • 4 CYL
  • 2WD
  • AUTOMATIC
  • 100,000 MILES
So the two side brake lights are staying on, but only when the car is powered on. The middle one works as normal. Is this an easy fix?
Friday, July 26th, 2019 AT 9:59 AM

1 Reply

Tiny
KEN L
  • MASTER CERTIFIED MECHANIC
  • 55,512 POSTS
Hello,

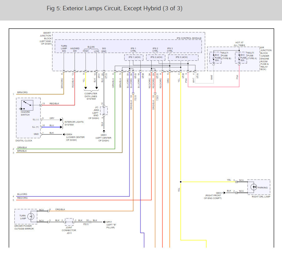
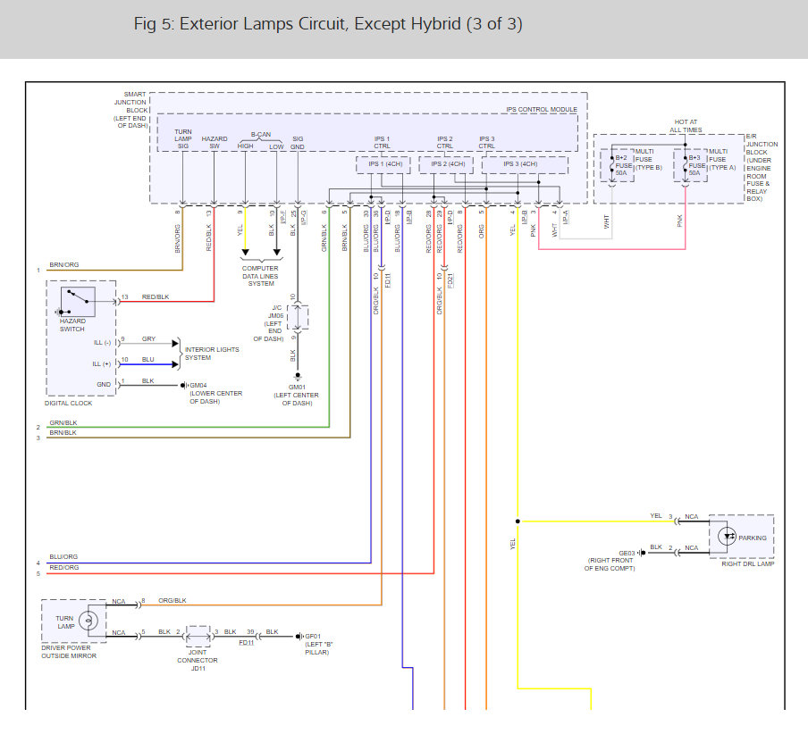
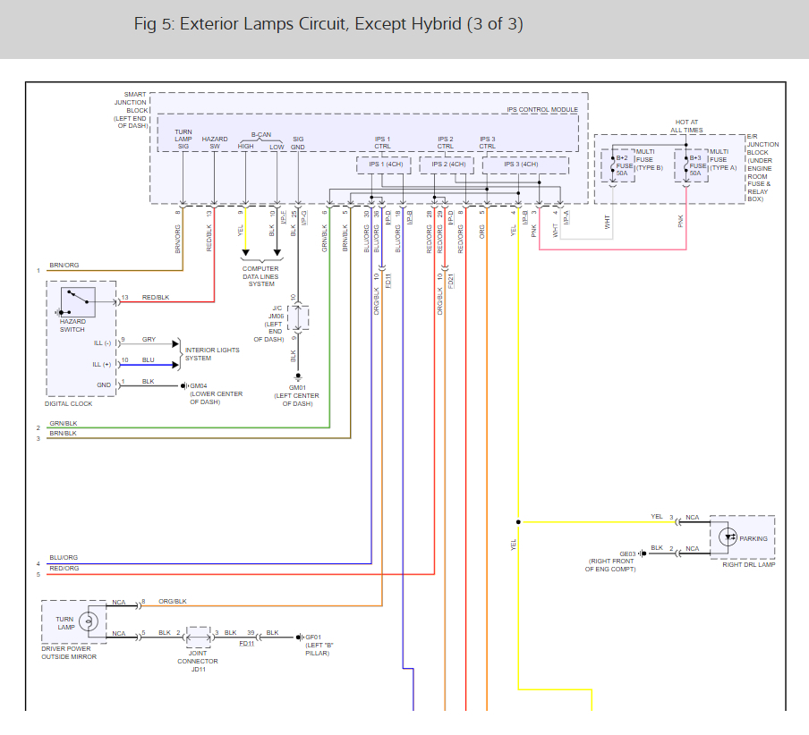
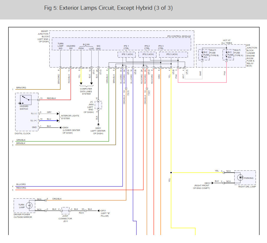
This sounds like the brake light control module is out. To be sure here is a guide to check the outputs to the brakes lights and the brake light wiring diagrams so you can see how it works with the module location (right side of dash) so you can check the electrical connector for corrosion:

https://www.2carpros.com/articles/how-to-check-wiring

Check out the diagrams (below). Please let us know what you find. We are interested to see what it is.
Was this
answer
helpful?
Yes
No
-1
Sunday, July 28th, 2019 AT 12:30 PM

Please login or register to post a reply.