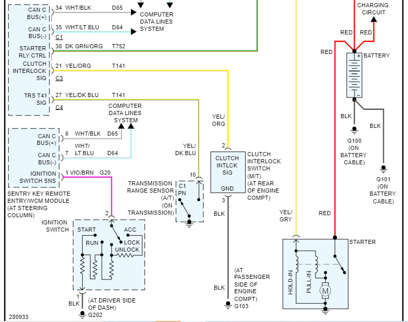
Friday, January 6th, 2023 AT 10:32 PM
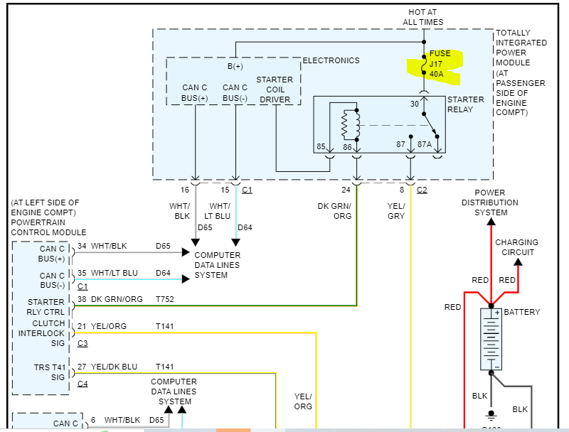
I was driving and went over a pretty steep apron in a lot and my jeep shut off completely with no lights, nothing and the gauges froze. After coasting to a stop and closing a door, the lights came back on, and the aux mode worked, and gauges went down. The engine wouldn't turn over though. Any ideas?






