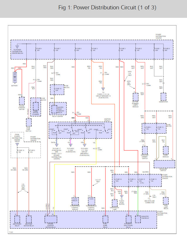
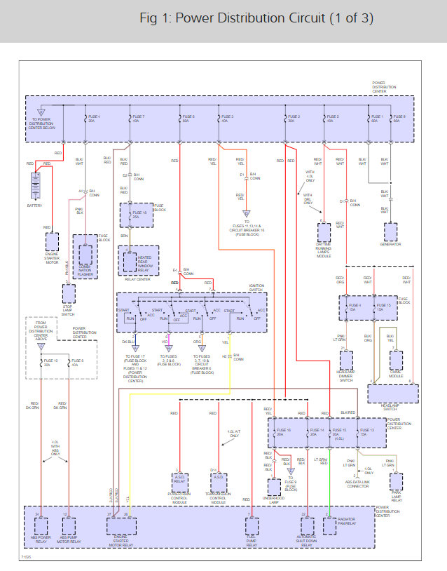
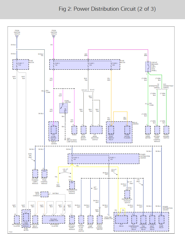
Friday, June 22nd, 2018 AT 4:57 AM
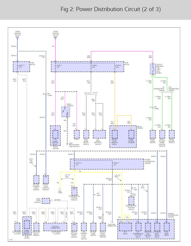
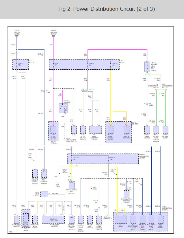
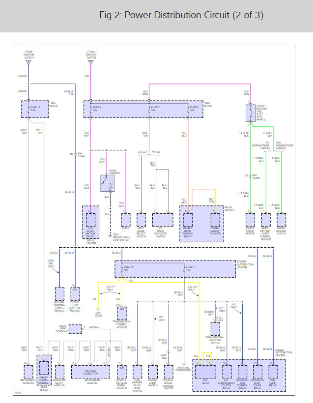
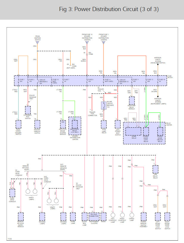
Trying to help buddy. Vehicle shut off when moving around driveway. Nothing when try to restart. No power to gauges or trouble lights. Fuel pump not getting power. Only thing that works is lights. Key was hot enough to burn when pulled out so we figured something went in the ignition switch. We changed it but no change. Still nothing. Is there a relay or something that might be bad? Any suggestions would be greatly appreciated.





