Shifting problem

Tiny
BERRY ORR
  • MEMBER
  • 2003 CHEVROLET S-10
  • 2.2L
  • 4 CYL
  • 2WD
  • MANUAL
  • 250,000 MILES
I have replaced the clutch master cylinder. Am having difficulty shifting still. Could the slave cylinder be the problem? Is there a way to troubleshoot the slave cylinder? How do I remove the transmission? How do I replace the slave cylinder?
Thanks
Thursday, September 14th, 2017 AT 10:13 AM

3 Replies

Tiny
STEVE W.
  • MECHANIC
  • 15,695 POSTS
Could be air in the system, the slave cylinder or a worn out clutch. Or depending on exactly what the shifting issue is it could be internal transmission mission wear.

That truck has an integral slave cylinder. It can be difficult to bleed it correctly. The process uses a mity-vac or similar pump to apply a vacuum to the reservoir on top. You fill the reservoir and apply vacuum until you stop seeing air bubbles.

Trouble shooting is basically does the clutch release fully while setting still and while driving with no slipping while engaged.

What is the exact issue you are having while shifting?
Was this
answer
helpful?
Yes
No
+1
Thursday, September 14th, 2017 AT 8:29 PM
Tiny
BERRY ORR
  • MEMBER
  • 2 POSTS
Clutch will not engage until the bottom of the run, or not at all.
Was this
answer
helpful?
Yes
No
Friday, September 15th, 2017 AT 12:02 PM
Tiny
STEVE W.
  • MECHANIC
  • 15,695 POSTS
So you can push the pedal down and it may/may not disengage. That could easily be air in the system. I would start by bleeding it using vacuum.
If you get no improvement then you will probably end up pulling the transmission. They are not real hard to do. I would opt to install a clutch kit at the same time.

The basics are,
Inside the truck you shift into fourth, then remove the shift tower.
Get the truck up enough that you can get under it.
Remove the exhaust.
Drain the trans fluid
Remove the drive shaft.
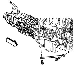
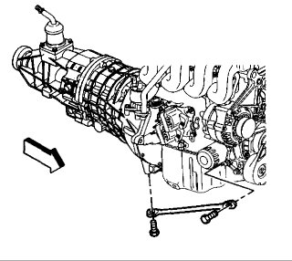
Remove the braces that go from the trans to the engine.
Remove the wiring harness from the trans.
Disconnect the clutch cylinder line.
Remove the clutch cover.
Support the transmission with a transmission jack.
Remove the transmission crossmember.
Lower the transmission about an inch and remove all of the bell-housing bolts.
Pull the transmission straight back until it is out of the clutch plate.
Lower the transmission and pull it from under the vehicle.

Reverse the process to put it back.
Was this
answer
helpful?
Yes
No
+1
Friday, September 15th, 2017 AT 8:24 PM

Please login or register to post a reply.