Shifter not finding any gears

Tiny
RONDA ANDERSON
  • MEMBER
  • 2005 FORD MUSTANG
  • 4.6L
  • V8
  • 2WD
  • MANUAL
  • 32,000 MILES
I was getting onto the interstate and shifting from fourth to fifth and let the clutch out and I was in neutral and it wouldn't "find" fifth gear. Got to a stop and the shifter won't "find" any gears. It just moves around freely not finding anything. Took boot off and looked down at bar (linkage I guess) and the bar is moving. Before this happened going into third would sometimes slightly grind. I don't think it's the forks but I do not know. I haven't ever faced this issue and I've been working on cars since I was 14 (I'm 40 now). Haven't had a manual in a long time but I wasn't shifting hard or anything. I just got this car an hour before this happened. Looking at the under side it does appear this car was pulled out of the mud recently. It's caked under there in nasty Alabama clay.

Side note: I read something about a brake light switch. Does the manual transmission switch operate the same way but not allowing to shift out of neutral? Would not make complete sense but I just don't know. Car does start.
Wednesday, November 6th, 2019 AT 10:30 AM

1 Reply

Tiny
MASTERWRENCH
  • MECHANIC
  • 258 POSTS
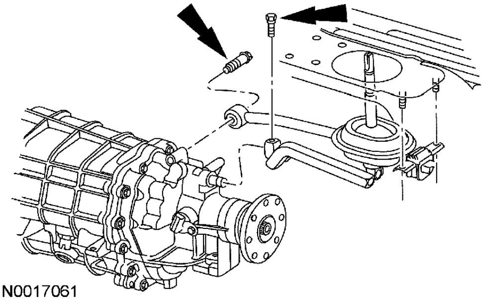
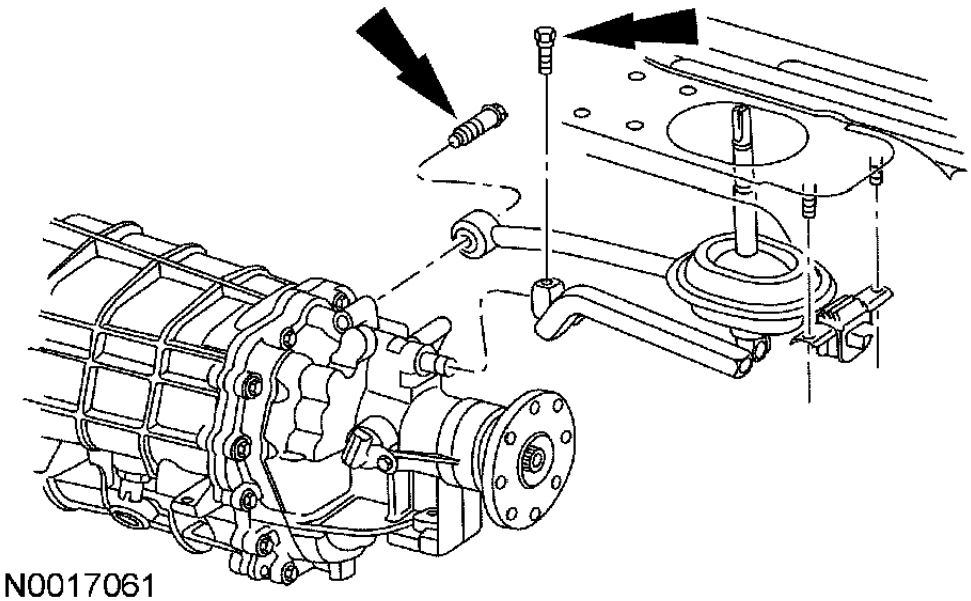
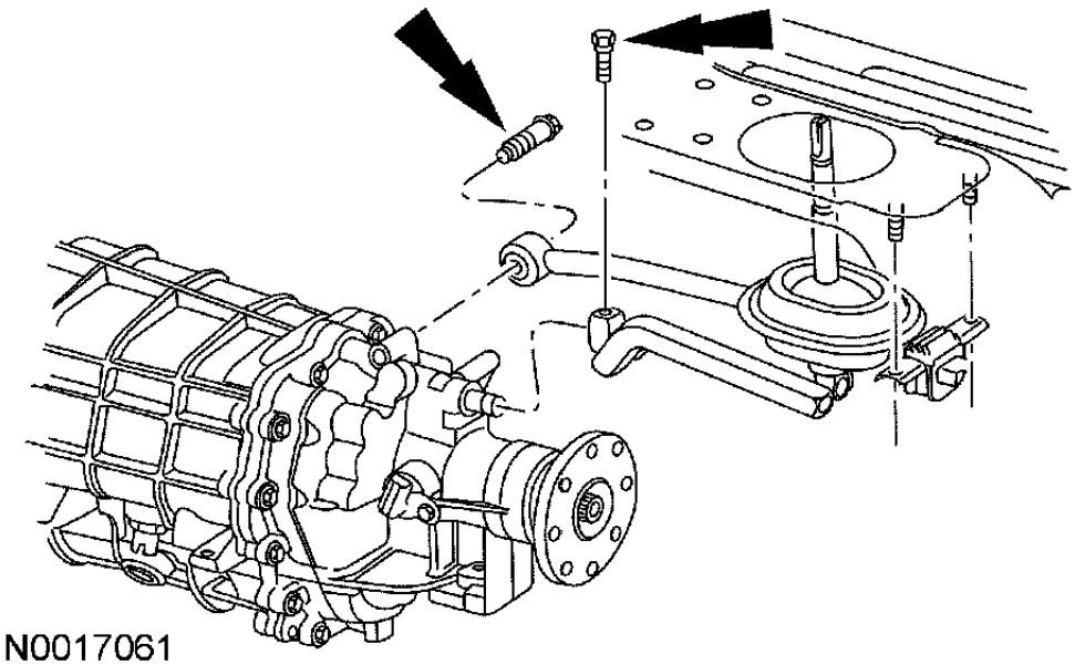
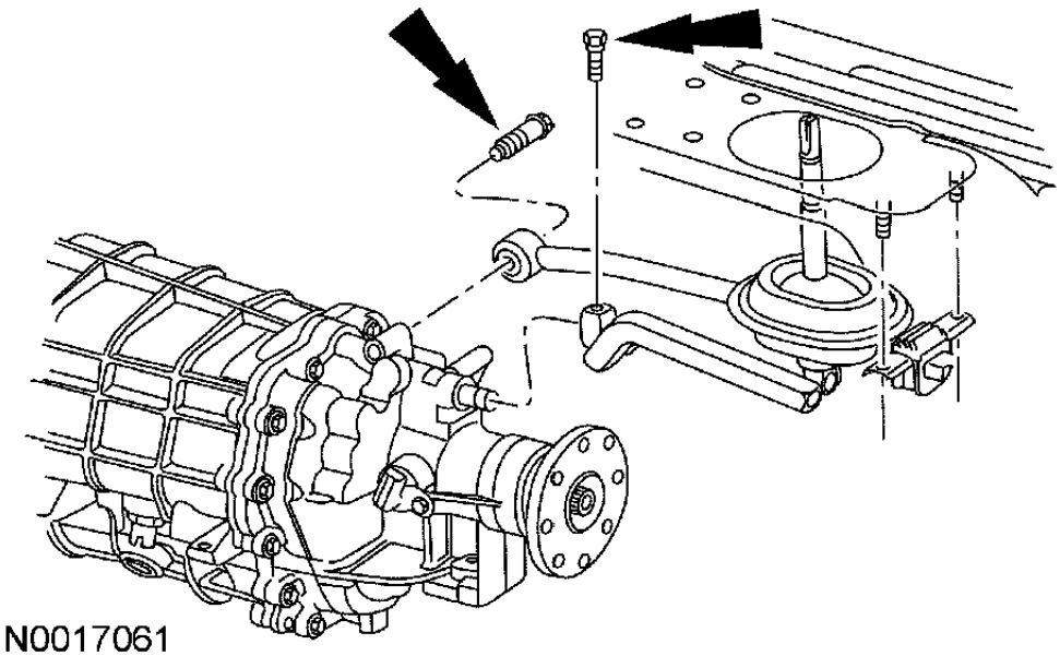
It sounds like something has failed somewhere in the shift linkage or possibly the shifter itself. I've attached a diagram showing how the shifter/linkage attaches to the transmission. There's a pinch bolt(top arrow in diagram) that attaches the linkage to the shift shaft on the rear of the transmission. It's very possible this bolt has come loose or the linkage itself is damaged(possible from the packed mud).I don't believe you'll be able to see this connection from the inside of the vehicle. You'll most likely need to gain access to the underside of the vehicle to complete your inspection.

Let us know what you find!
Was this
answer
helpful?
Yes
No
Wednesday, November 6th, 2019 AT 9:27 PM

Please login or register to post a reply.