Shifter Locked and No Start?

Tiny
SELDOMSWIFT
  • MEMBER
  • 2003 JAGUAR S-TYPE
  • 4.2L
  • V8
  • 2WD
  • AUTOMATIC
  • 90 MILES
Shifter is stuck in Park and the lights dim but the starter doesn't respond when the key is turned.
A beeper sounds when the key is turned off.
It still will not turn over if I release the shift lock manually and place the shifter in Neutral.
Ther's no current at starter solenoid trigger. (Starter is okay)
Brake lights work when petal is depressed but there's no audible click coming from the shifting module.

Question: Is the shift module part of the starter circuit and will a new one resolve both issues?
Thursday, April 27th, 2023 AT 11:27 AM

3 Replies

Tiny
JACOBANDNICKOLAS
  • MECHANIC
  • 110,194 POSTS
Hi,

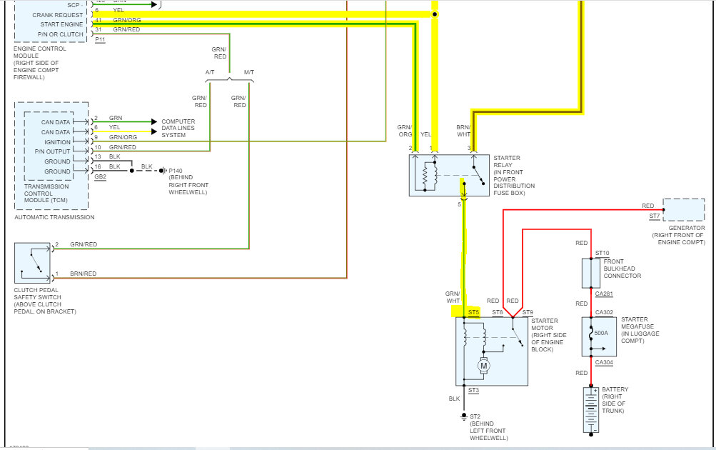
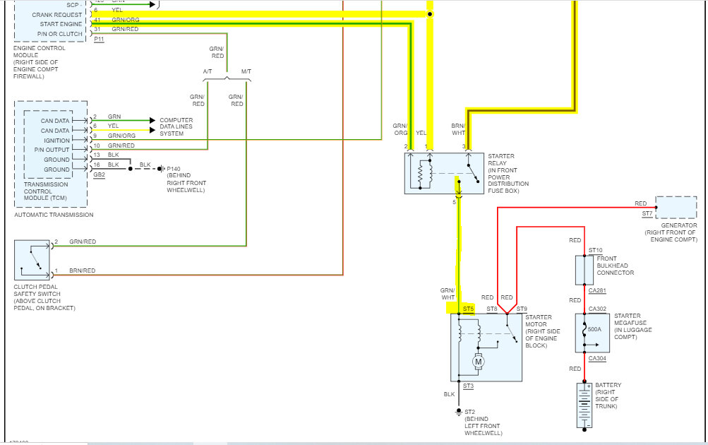
The starter relay is controlled by the ECM. There are two fuses to note. One is in the interior and the other is under the hood. See pic below.

With the key in the on or start position, power is available to a 5-amp fuse in the vehicle (fuse 1). When you turn the key to the start position, the ECM should provide a ground path to the starter relay completing the primary circuit which energizes the secondary side of the relay. Then power is sent from fuse 27 in the under-hood fuse box to the trigger wire.

So, check the two fuses first. In addition, confirm there is power both to and from the fuses.

Here is a link you may find helpful:

https://www.2carpros.com/articles/how-to-check-a-car-fuse

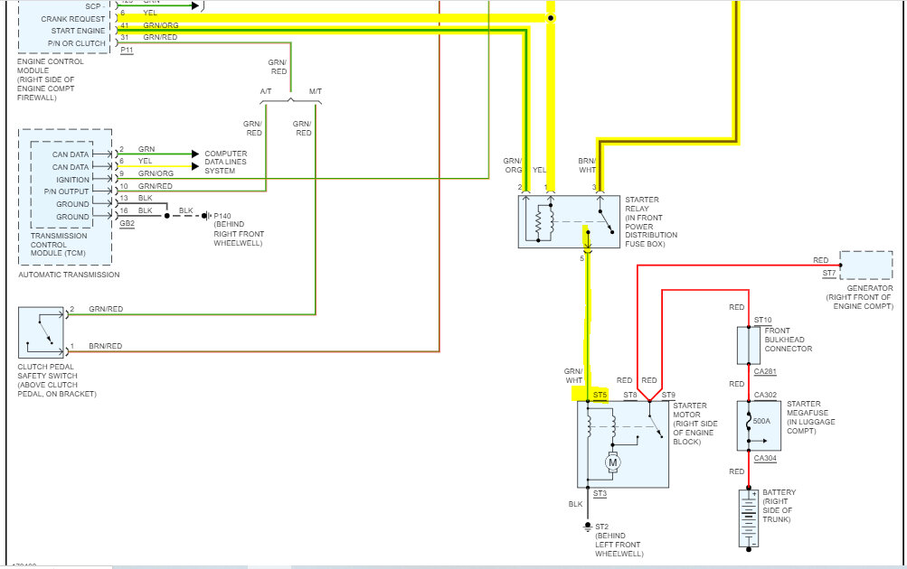
Also, the pics below are the starter circuit wiring schematic. I had to cut the pic in two to make it readable for you, but I did overlap the two so you can follow from one to the next.

Let me know what you find,

Joe

See pics below.
Was this
answer
helpful?
Yes
No
Thursday, April 27th, 2023 AT 7:38 PM
Tiny
SELDOMSWIFT
  • MEMBER
  • 2 POSTS
I checked all the fuses and the battery & starter contacts before attempting anything else. However, I didn't check if there was current getting to the fuses. (That will take two people) I'll try that, next. Note: the diagram you provided is radically different from the one I downloaded from the Jag V8 manual, but all Jags are likely wired alike. Thank you for confirming the shifter issue is unrelated to the no-start issue. It may be helpful to note my 2-year-old battery drained, hours after I contacted you. Could a weak battery prevent completion of the starting circuit? I will replace the battery and chase more electrons before getting back to you. Thanks, Gene.
Was this
answer
helpful?
Yes
No
Friday, April 28th, 2023 AT 10:51 AM
Tiny
JACOBANDNICKOLAS
  • MECHANIC
  • 110,194 POSTS
Gene,

A weak battery certainly will cause issues. However, I'm concerned it drained that quickly. Did you check if the battery was good?

Let me know.

Joe
Was this
answer
helpful?
Yes
No
-1
Friday, April 28th, 2023 AT 10:40 PM

Please login or register to post a reply.