Monday, February 12th, 2018 AT 10:10 AM
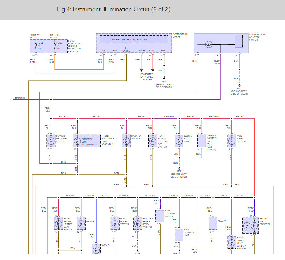
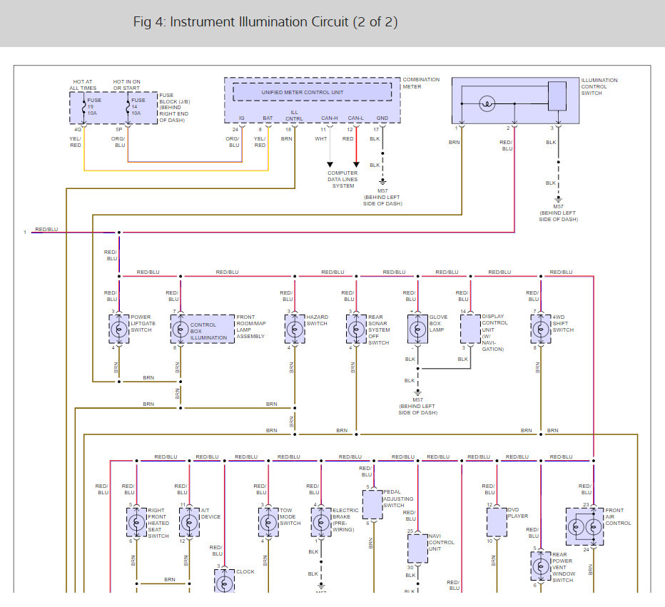
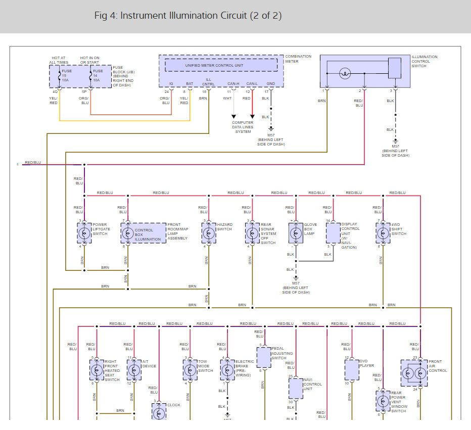
I no longer have back lighting for my shift controller or my heating and air controller system. I want to know if this is a fuse or a light bulb problem? And the simplest way to repair them.











