Shift indicator light not working

Tiny
WM. MILLER
  • MEMBER
  • 2009 MAZDA 2
  • 1.5L
  • 4 CYL
  • 2WD
  • AUTOMATIC
  • 200,000 MILES
Replaced bulb for shift indicator still not working. Where does it get it's power?
Tuesday, September 14th, 2021 AT 2:09 PM

3 Replies

Tiny
JACOBANDNICKOLAS
  • MECHANIC
  • 110,194 POSTS
Hi,

The Mazda 2 doesn't appear in my manuals until 2011. I know it was released in the US in July or 2010, but 2011 is the first year I have.

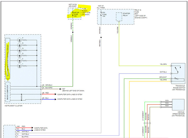
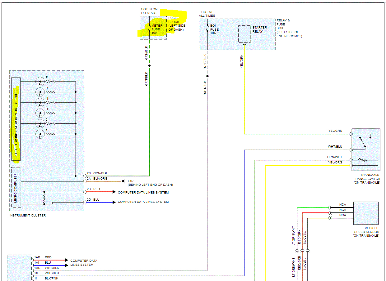
As far as the light, I can tell you that on the 2011 there is a selector indicator control circuit which is powered by the meter fuse located under the dash in the fuse box. Check that to see if it is good. Also, make sure there is power to and from it.

Although I am looking at a 2011, chances are they are very similar. See if you can locate the meter fuse. Here is a link you may find helpful when testing.

https://www.2carpros.com/articles/how-to-check-a-car-fuse

Also, I attached the wiring schematic below for the 2011. Take a look through it and see if helps. Pic 3 shows the fuse location.

Take care,

Joe

See pics below.
Was this
answer
helpful?
Yes
No
+1
Tuesday, September 14th, 2021 AT 8:54 PM
Tiny
WM. MILLER
  • MEMBER
  • 2 POSTS
Thanks very much. The meter fuse is good. Where do I go from here?
Was this
answer
helpful?
Yes
No
Wednesday, September 15th, 2021 AT 12:53 AM
Tiny
JACOBANDNICKOLAS
  • MECHANIC
  • 110,194 POSTS
Hi,

Is there power to and from the fuse? As far as the next step, this is where I will run into trouble. This model isn't offered in the correct year for your vehicle, so I have no specifics. My biggest concern is I will provide info that may not be relevant for your vehicle. Please keep that in mind. However, I'm happy to try my best to help.

To answer your question, if the fuse is good and there is power to and from it, the next thing I would check is if there is power at the instrument panel. If you look at the schematic I attached above, note that the fuse's power runs directly to the cluster. That would be my next step.

There could be an open circuit in the power supply to the cluster, so that is why I would check that next. Here is a link you may find helpful:

https://www.2carpros.com/articles/how-to-check-wiring

I hope this helps. Let me know what you find.

Take care,

Joe

Was this
answer
helpful?
Yes
No
Wednesday, September 15th, 2021 AT 7:25 PM

Please login or register to post a reply.