Shaking steering wheel when accelerating?

Tiny
TUCKERG37
  • MEMBER
  • 2013 INFINITI G37
  • 3.7L
  • V6
  • 2WD
  • AUTOMATIC
  • 163,000 MILES
My steering wheel shakes when I’m accelerating, and I have uneven tire wear.
Thursday, July 6th, 2023 AT 9:27 PM

3 Replies

Tiny
KEN L
  • MASTER CERTIFIED MECHANIC
  • 55,335 POSTS
This is common when the lower ball joints wear out. I would replace the lower control arm because it will come with new bushings as well.

This guide may help as well:

https://www.2carpros.com/articles/steering-wheel-shakes-when-accelerating-or-braking

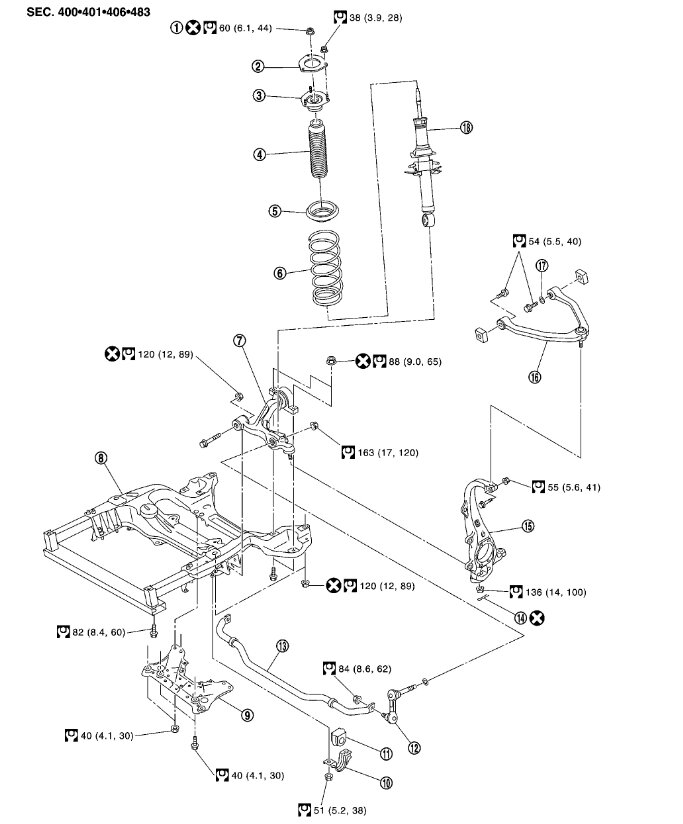
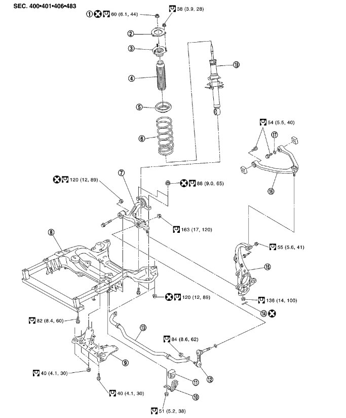
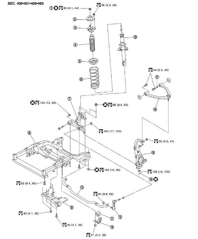
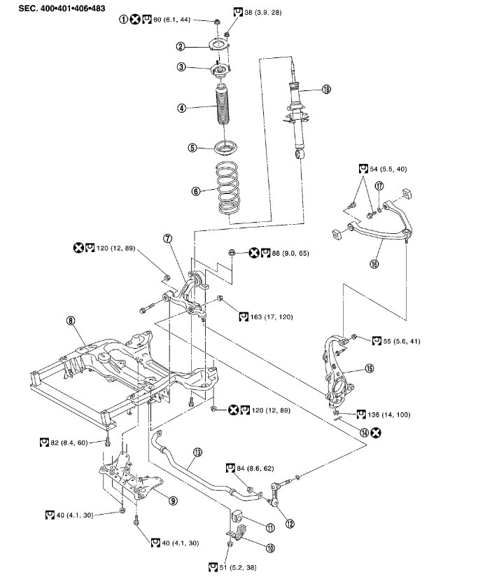
Here is how the job is done in the images below. Check out the images (below). Let us know what happens and please upload pictures or videos of the problem so we can see what's going on.
Was this
answer
helpful?
Yes
No
Friday, July 7th, 2023 AT 1:19 PM
Tiny
TUCKERG37
  • MEMBER
  • 2 POSTS
Thank you so much! I only have 1 question. I have heard that it could also be bad tie rods, are there any unique indicators that it’s one or the other?
Was this
answer
helpful?
Yes
No
Friday, July 7th, 2023 AT 5:59 PM
Tiny
KEN L
  • MASTER CERTIFIED MECHANIC
  • 55,335 POSTS
Yes, it could be the tie rods, these are easily checked. Raise the front of the car and have a helper move the wheel back and forth slightly while you watch with a flashlight and look for play, this guide can help:

https://www.2carpros.com/articles/jack-up-and-lift-your-car-safely

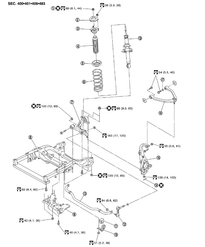
Check out the images (below). Let us know what happens and please upload pictures or videos of the problem so we can see what's going on.

Was this
answer
helpful?
Yes
No
Saturday, July 8th, 2023 AT 11:37 AM

Please login or register to post a reply.