How to set the timing?

Tiny
CARBARUNDUMB!
  • MEMBER
  • 1986 NISSAN TRUCK
  • 2.4L
  • 4 CYL
  • 2WD
  • MANUAL
  • 100,000 MILES
Just need to know how to set it.
Friday, February 2nd, 2024 AT 4:54 PM

1 Reply

Tiny
JACOBANDNICKOLAS
  • MECHANIC
  • 110,192 POSTS
Hi,

I suspect you are referring to ignition timing and not engine timing. If you look at the first three pics below, they provide the directions for adjusting ignition timing. You will need a timing light to do this. Also, if you take a marker and mark the 10 Degrees BTDC line on the crankshaft pulley, it will make things a lot easier to see.

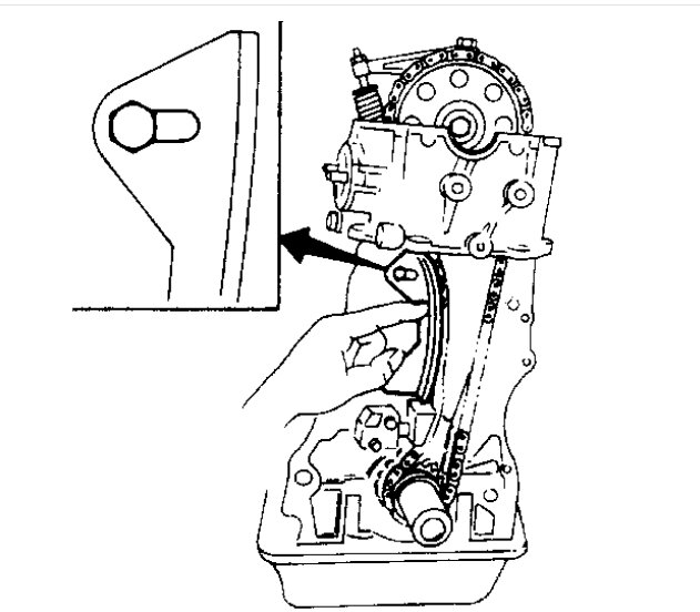
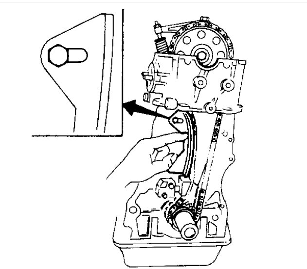
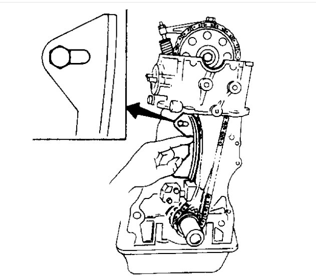
If you are replacing the timing chain and need directions for timing, starting with pic 4 are the directions for that.

Let me know if this helps or if you have questions.

Take care,

Joe

See pics below.
Was this
answer
helpful?
Yes
No
Friday, February 2nd, 2024 AT 10:18 PM

Please login or register to post a reply.