Thursday, March 16th, 2023 AT 5:48 PM
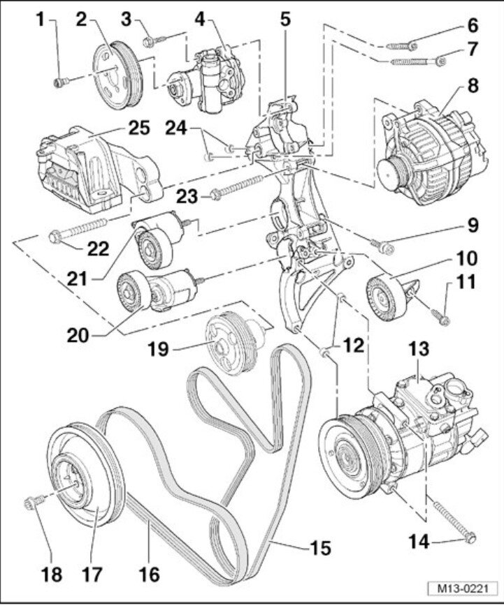
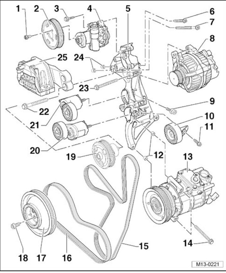
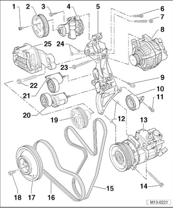
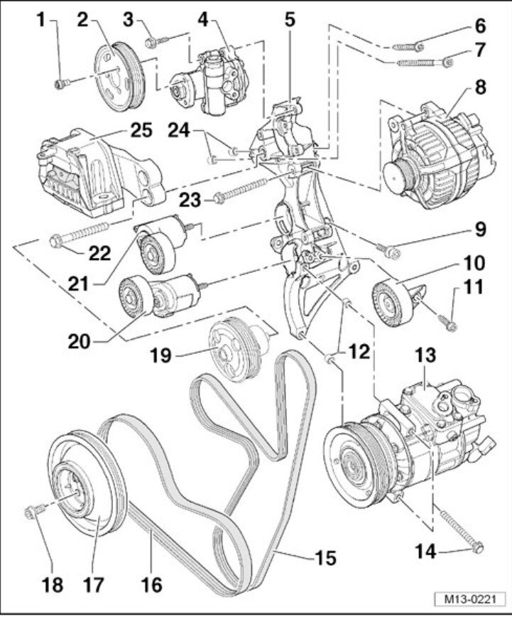
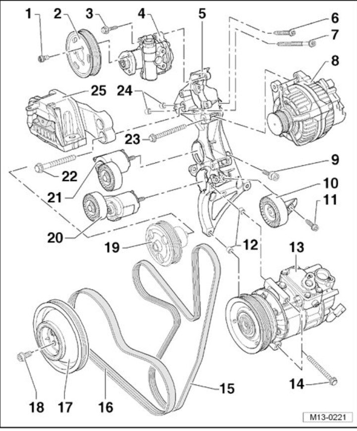
I'm trying to replace my serpentine belt. I cannot find the exact diagram needed. The belt fell off before so I couldn't retrace the setting. Please help.





