Sensor plug

Tiny
KDCHRIST
  • MEMBER
  • 2004 FORD F-150
  • 5.4L
  • V8
  • 2WD
  • AUTOMATIC
  • 213,000 MILES
Bank 2 wiring bundle that feed the cop and the fuel injector then feed the camshaft position sensor then goes down to the oil pressure sensor, there is one plug after this what does it feed and where?
Friday, September 17th, 2021 AT 5:07 PM

5 Replies

Tiny
JACOBANDNICKOLAS
  • MECHANIC
  • 110,192 POSTS
Hi,

That's a hard one to answer without knowing wire colors, how many are in the harness, and so on. When you listed everything, the first thing that came to mind was a knock sensor. However, I can't be sure.

If you look at the first pic below, it shows multiple electrical components on the engine. See if that helps.

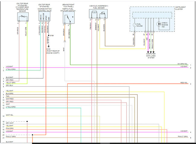
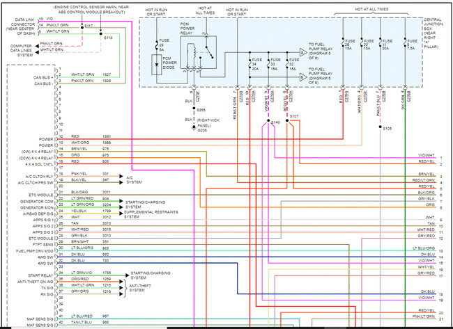
Also, the remaining 12 pics are the wiring schematic for the entire powertrain management system. I highlighted the coils and injectors to help orient you. Check the wire colors in the harness and see if you can match them with the schematic.

Now, the pics I attached for the schematic had to be cut in half to make them readable. I did overlap them so you can follow from one to the next.

Here is a link you may find helpful when working with the wiring:

https://www.2carpros.com/articles/how-to-check-wiring

Let me know if this helps or if you have other questions.

Take care,

Joe

See pics below.
Was this
answer
helpful?
Yes
No
-1
Friday, September 17th, 2021 AT 10:18 PM
Tiny
KDCHRIST
  • MEMBER
  • 39 POSTS
The plug has 3 wires green gray/red black/white.
Was this
answer
helpful?
Yes
No
Saturday, September 18th, 2021 AT 7:22 AM
Tiny
JACOBANDNICKOLAS
  • MECHANIC
  • 110,192 POSTS
Could the black/white be brown/white? If so, it appears it goes to the PSP (power steering pressure sensor). Take a look at the attached and let me know.

Joe
Was this
answer
helpful?
Yes
No
+1
Saturday, September 18th, 2021 AT 8:23 PM
Tiny
KDCHRIST
  • MEMBER
  • 39 POSTS
This was the right answer.
Was this
answer
helpful?
Yes
No
Sunday, September 19th, 2021 AT 8:56 AM
Tiny
JACOBANDNICKOLAS
  • MECHANIC
  • 110,192 POSTS
Hi,

Were you able to get it reconnected and working?

Let me know.

Joe
Was this
answer
helpful?
Yes
No
Sunday, September 19th, 2021 AT 5:57 PM

Please login or register to post a reply.