Sunday, August 21st, 2022 AT 3:00 AM
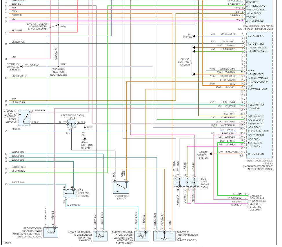
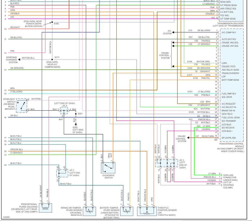
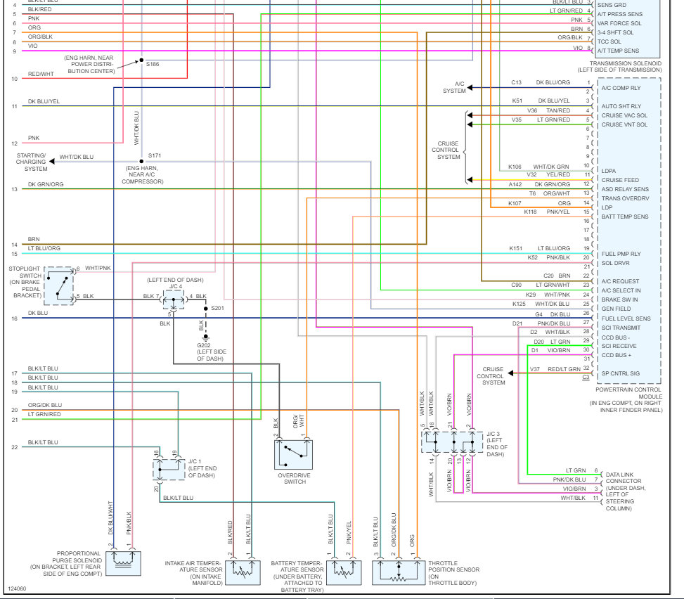
It was running fine and out of nowhere it acted like it was running out of gas and shut off, but it had gas in it. I noticed after it quit running that my gauges were not working, and the fuel pump wasn't working. It also had No BUS pop on where the odometer is located. I checked all fuses and relays, and all were good, so I started checking the wiring for any breaks or burns and when I got to the coolant temperature sensor, I grab the connecter and it and the part of the temperature sensor that the connecter plugs into came off into my hand. When that happened, I was fooling with it and one of the two wires touched the back of the alternator housing which is ground, and everything came on like it was supposed to do. I can run a wire to the sensor ground wire to a ground on the engine or to the ground on the battery and everything will work fine but I want to find the problem that is keeping the sensor ground from working like it should. The wire I'm referring to is black/with light blue stripe. I checked continuity with my voltmeter from the PCM to the coolant temperature sensor and it has continuity. When I check for voltage on one of the sensors mounted to the throttle body (TPS or IAC) the purple/with white stripe (+) and the black/with light blue stripe (-) it has 5 volts with the key on and without me connecting a ground, but nothing comes on and no bus still comes up. But as soon as I touch the ground to the sensor ground wire everything works, and it runs like it should with the no bus gone off also. What could be causing this to happen?







