Self-starter issue

Tiny
KHAZI MATEEN
  • MEMBER
  • 2010 SUZUKI ALTO
  • 1.0L
  • 4 CYL
  • 2WD
  • MANUAL
  • 17 MILES
I'm facing this issue while turning the engine on. Sometimes the engine turns on normally when I twist the key, but most of the time when I twist to ignition the starter won't crank properly.
Monday, May 2nd, 2022 AT 3:11 AM

2 Replies

Tiny
KASEKENNY
  • MECHANIC
  • 18,907 POSTS
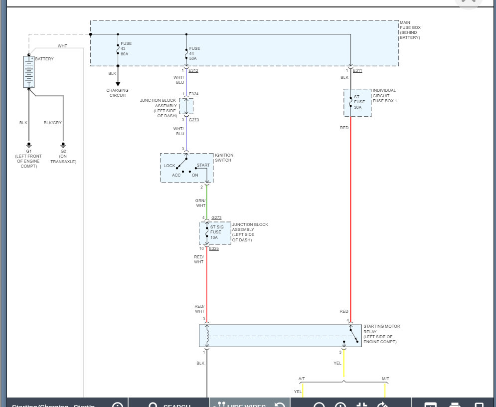
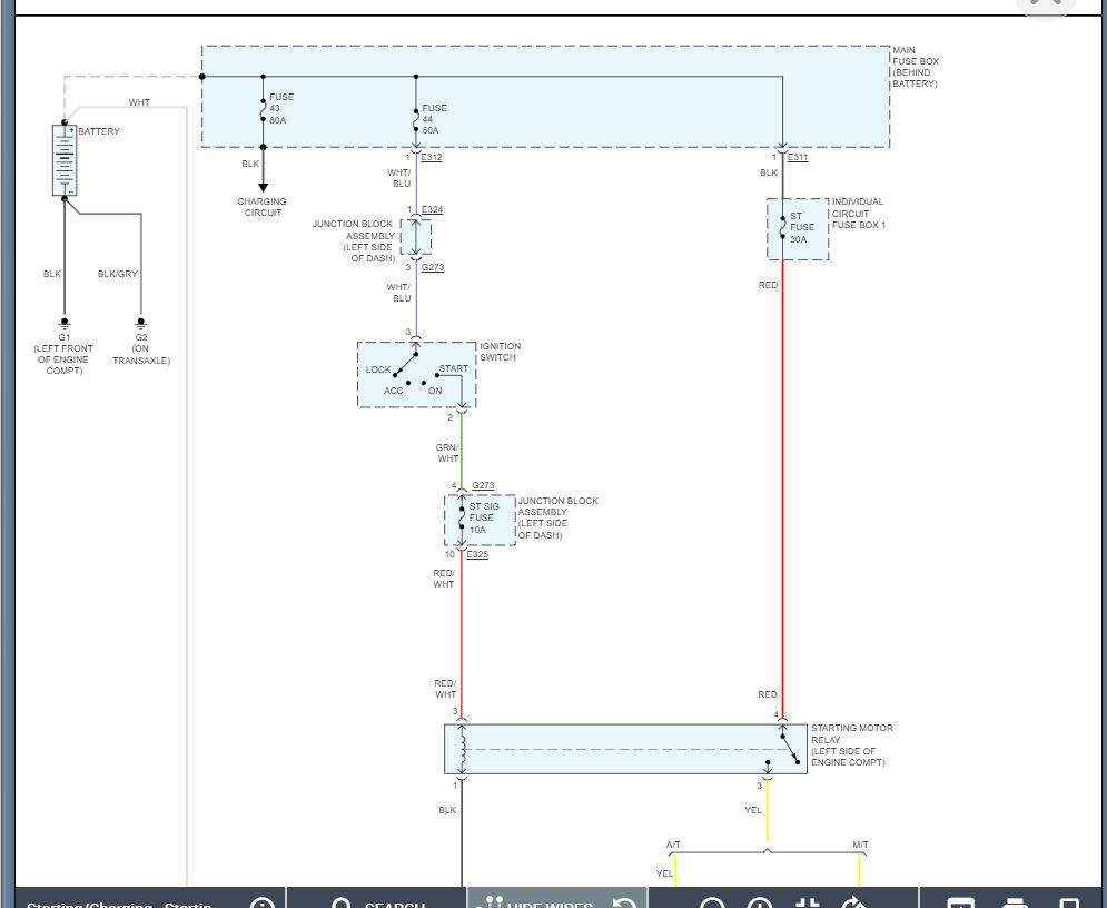
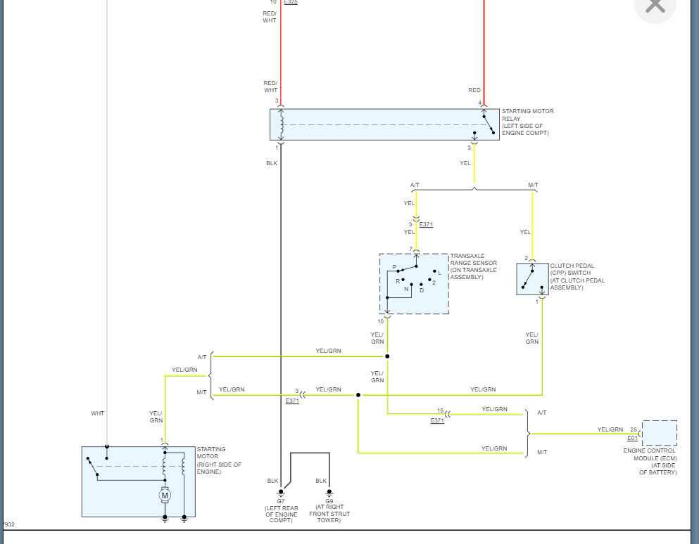
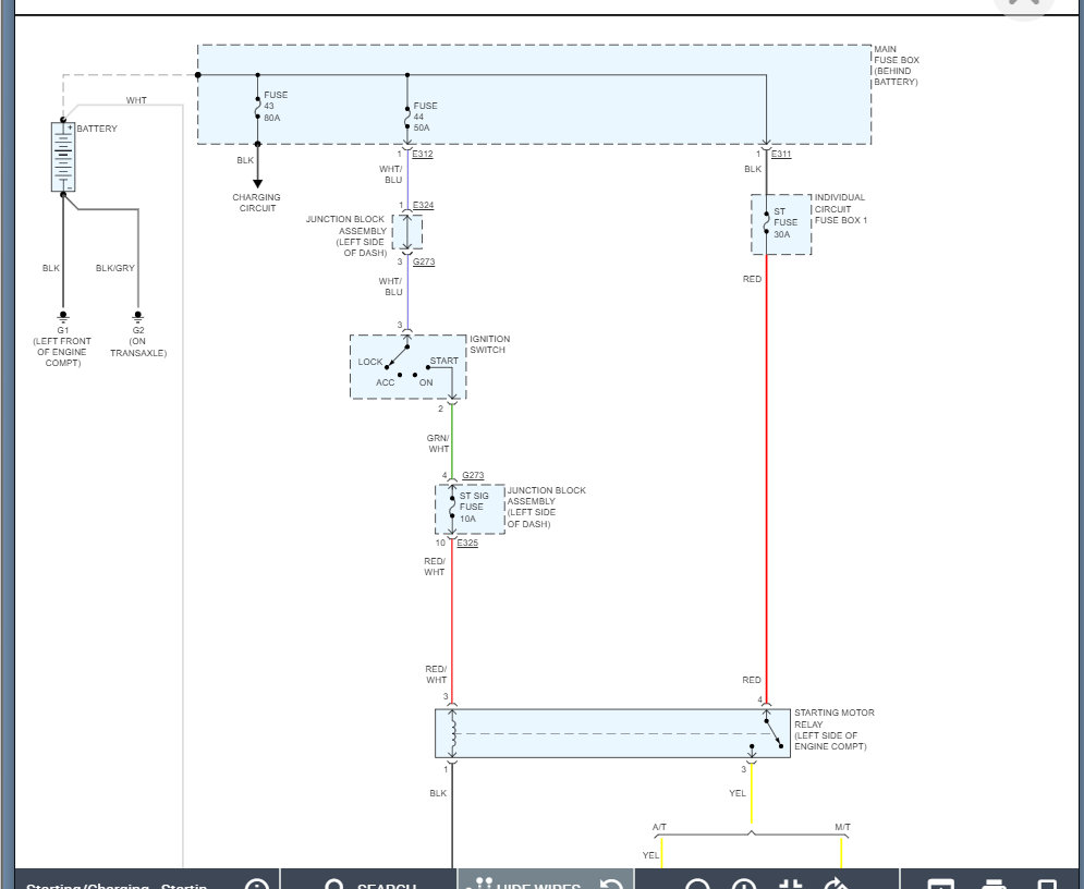
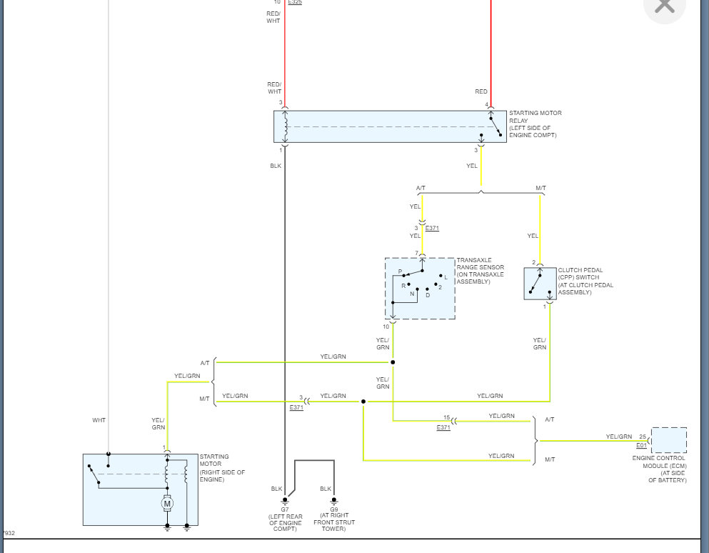
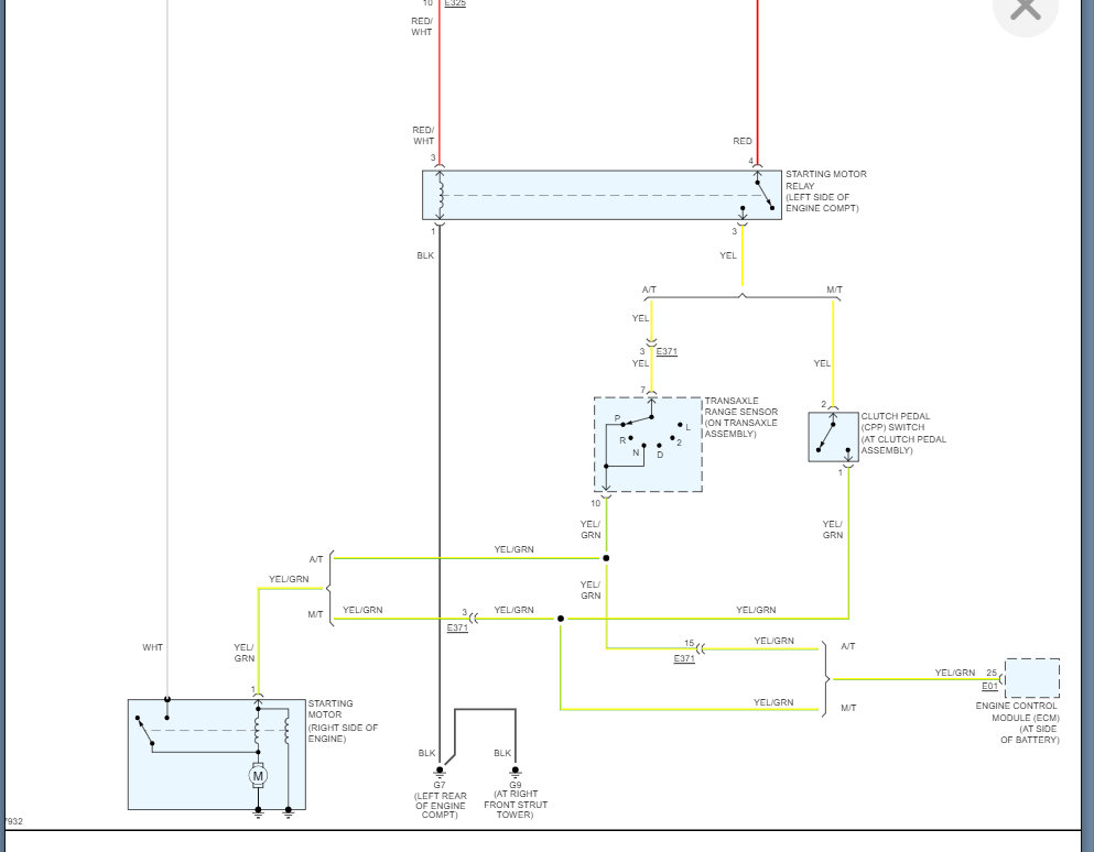
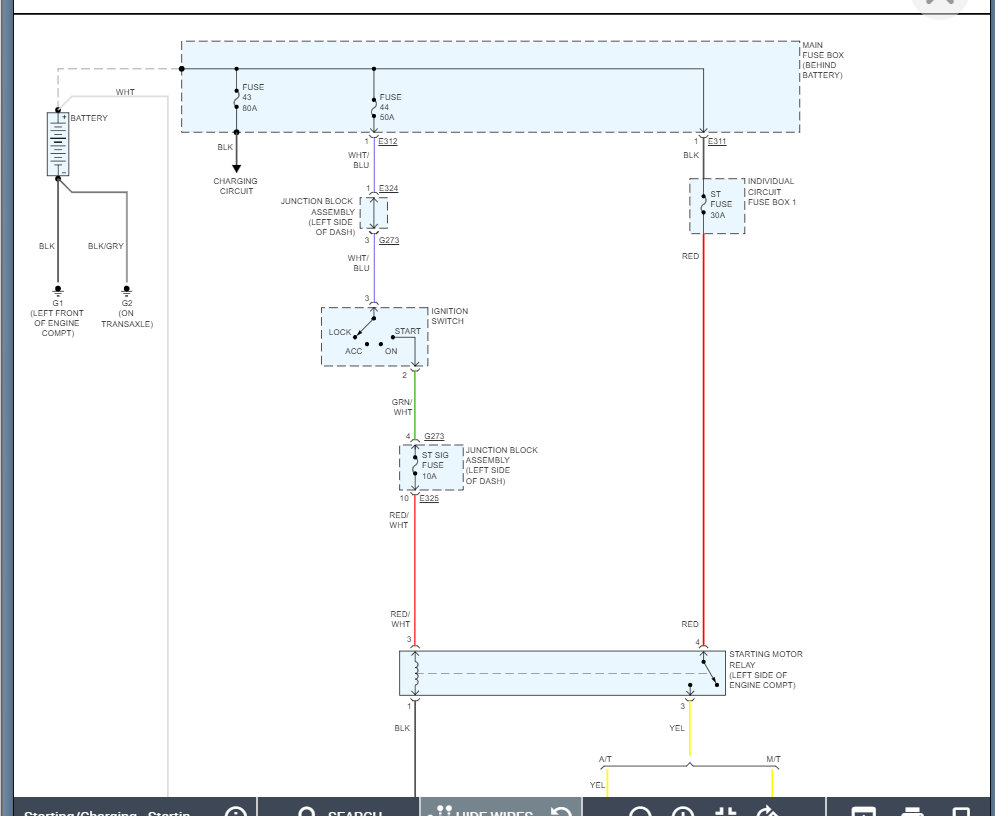
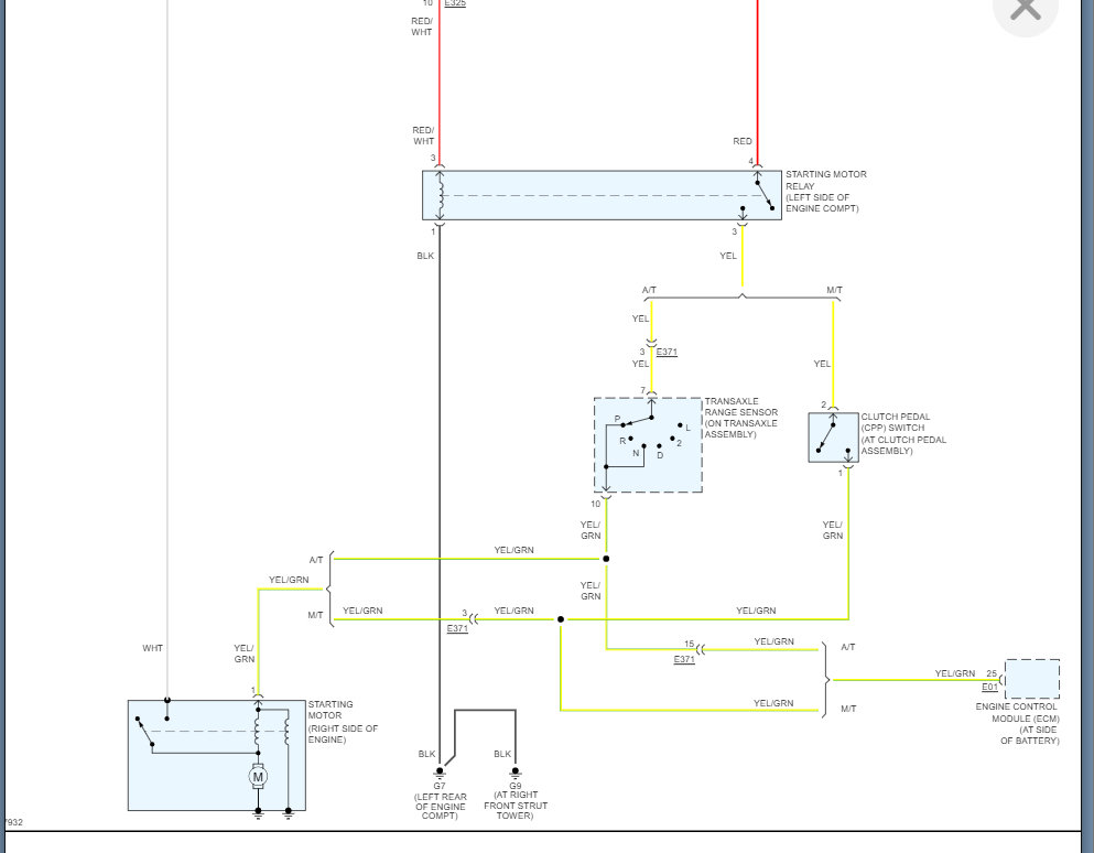
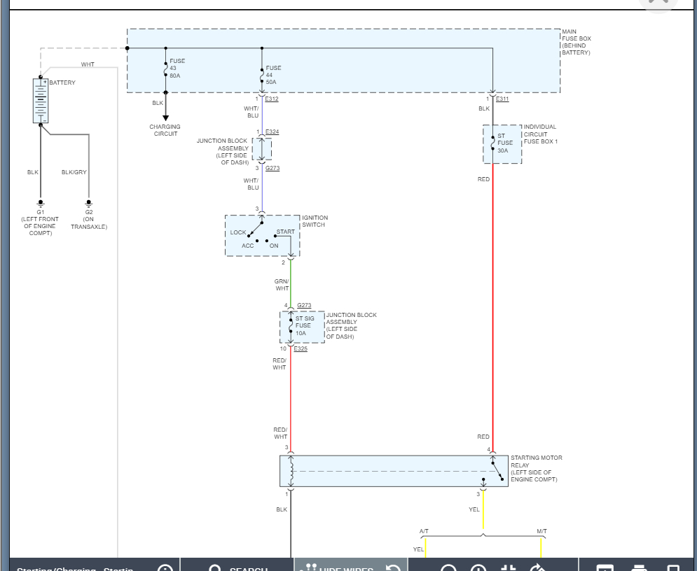
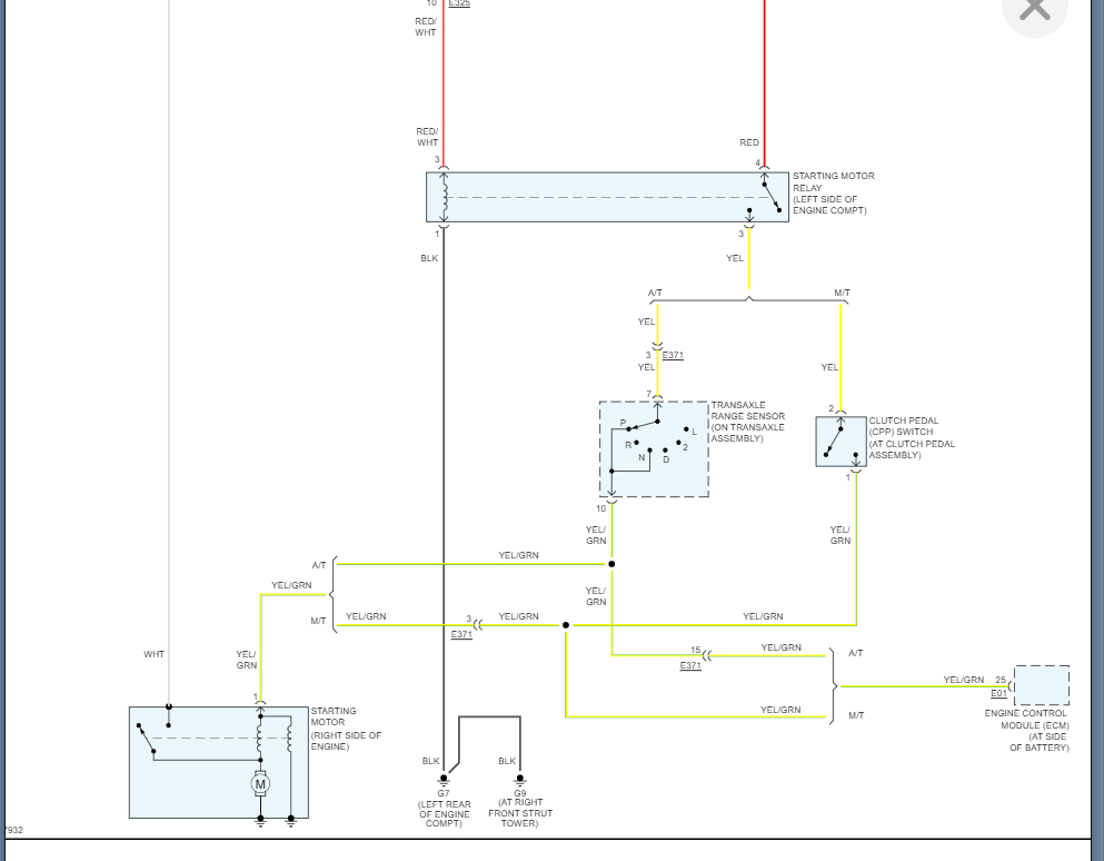
There are number of things that can cause this but the most likely cause of this due to it being a manual transmission is the clutch position switch.

A lot of times these switches stick and don't close the circuit to complete the circuit for the starter solenoid to engage.

The way to test this is when the starter is not turning to check voltage on the 12-volt wire and the trigger wire.

Here is a guide that will help with this:

https://www.2carpros.com/articles/how-to-check-wiring

https://www.2carpros.com/articles/starter-not-working-repair

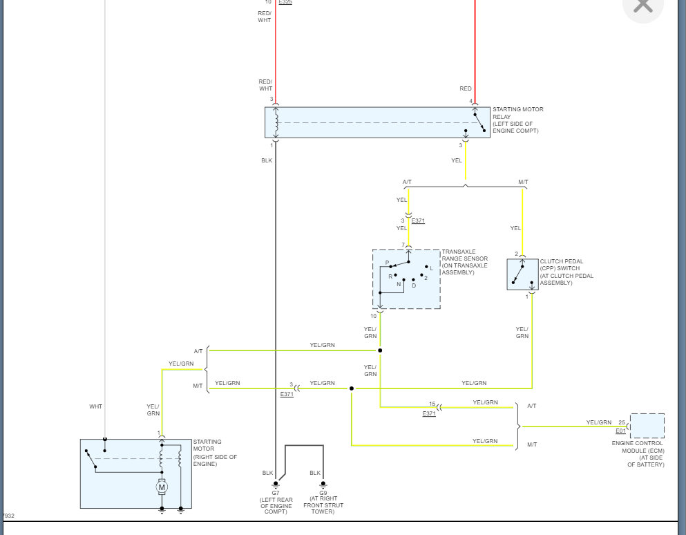
We don't have a manual on this specific vehicle, but I am including a diagram that will be similar to your vehicle which will help with performing this.

If you don't have voltage on the trigger wire, then you can jump the clutch position switch and that should complete the circuit and the engine should start. If it does, then you need to replace the switch.

Let me know what you find on this.

Thanks
Was this
answer
helpful?
Yes
No
Tuesday, May 3rd, 2022 AT 9:14 AM
Tiny
KEN L
  • MASTER CERTIFIED MECHANIC
  • 55,488 POSTS
This is common when the starter goes out, but to be sure if you could shoot a quick video and upload it with your response i can be sure. This guide can help, and I have included starter replacement instructions in the diagrams below:

https://www.2carpros.com/articles/starter-not-working-repair

and

https://www.2carpros.com/articles/how-to-replace-a-starter-motor

Check out the diagrams (below). Let us know what happens and please upload pictures or videos of the problem.
Was this
answer
helpful?
Yes
No
Tuesday, May 3rd, 2022 AT 9:43 AM

Please login or register to post a reply.