Wednesday, June 13th, 2018 AT 5:11 PM
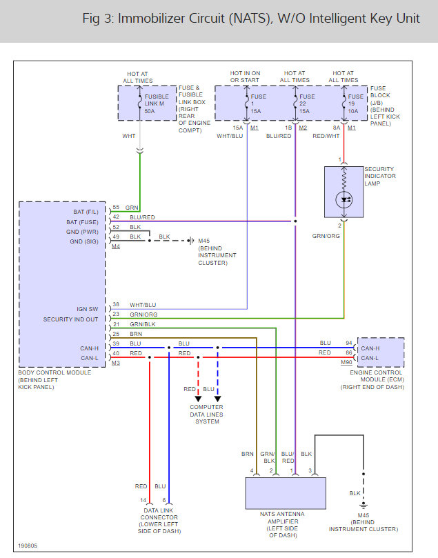
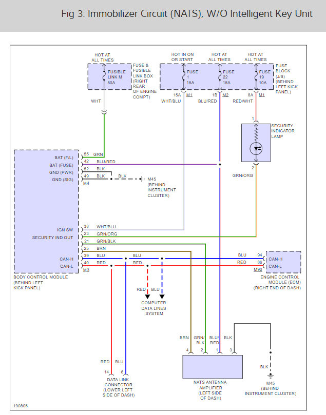
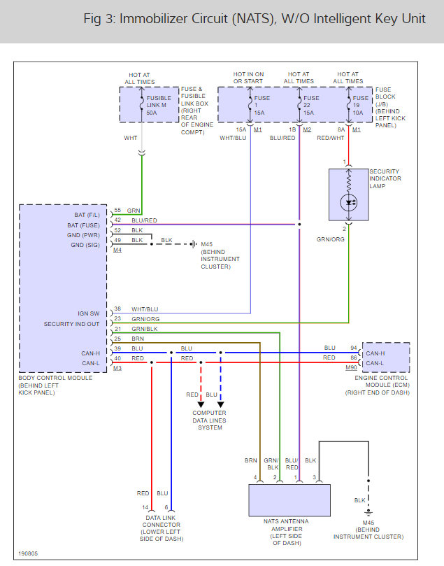
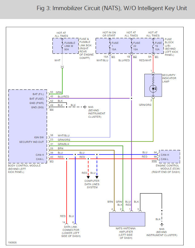
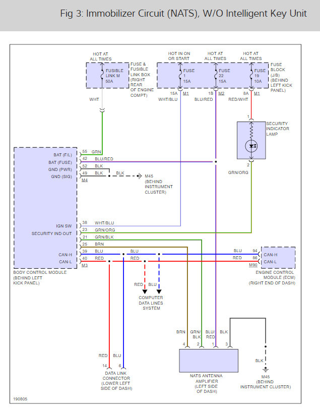
My problem is, I have dtc P1610 and two keys are good. I can make diagnostic in both ECU, ( BCM and ECU ) my problem is that code avoid my car to start. I need wiring diagram to control wise maybe some wire not connected. Because turn signal not working and central lock. Thank you for help.





