Security theft demobilizing?

Tiny
BRADJMEACHAM1
  • MEMBER
  • 1999 CADILLAC DEVILLE
  • 4.2L
  • V8
  • 2WD
  • AUTOMATIC
  • 115,778 MILES
Car won't crank.
Tuesday, March 11th, 2025 AT 4:51 PM

5 Replies

Tiny
STEVE W.
  • MECHANIC
  • 15,704 POSTS
If you mean you turn the key and it doesn't turn over, that isn't the immobilizer. The immobilizer only shuts off the fuel system, not the starter circuit. What does it do if you turn the key?
Was this
answer
helpful?
Yes
No
Tuesday, March 11th, 2025 AT 5:20 PM
Tiny
BRADJMEACHAM1
  • MEMBER
  • 3 POSTS
Starter disengage remove key.
Was this
answer
helpful?
Yes
No
Tuesday, March 11th, 2025 AT 5:24 PM
Tiny
STEVE W.
  • MECHANIC
  • 15,704 POSTS
So, the starter doesn't turn? Or does it spin but not turn the engine?
Was this
answer
helpful?
Yes
No
Tuesday, March 11th, 2025 AT 5:52 PM
Tiny
BRADJMEACHAM1
  • MEMBER
  • 3 POSTS
Starter don't engage at all.
Lockout for 3 minutes.
Start car after 3 minutes.
Still nothing.
Checked all fuses.
Checked all circuit breakers.
Was this
answer
helpful?
Yes
No
Tuesday, March 11th, 2025 AT 5:58 PM
Tiny
STEVE W.
  • MECHANIC
  • 15,704 POSTS
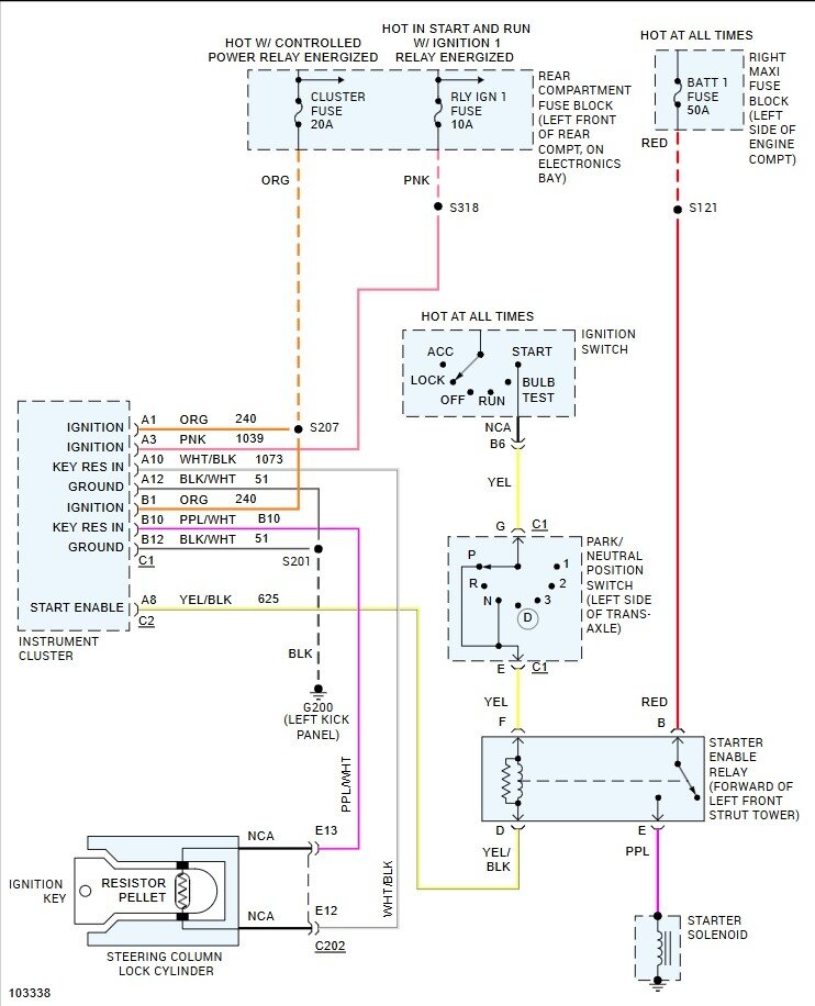
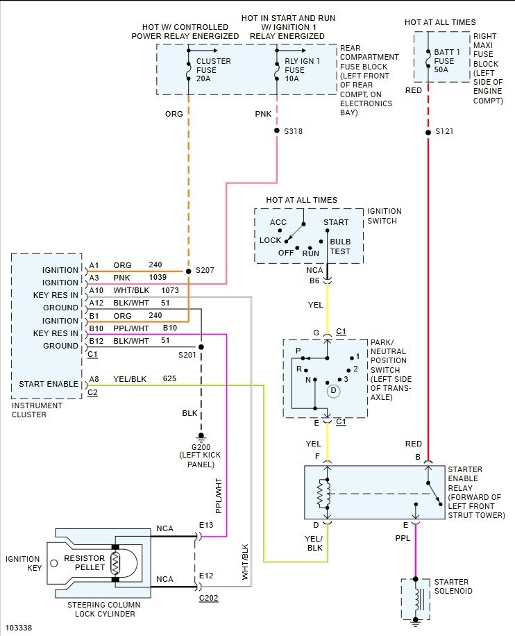
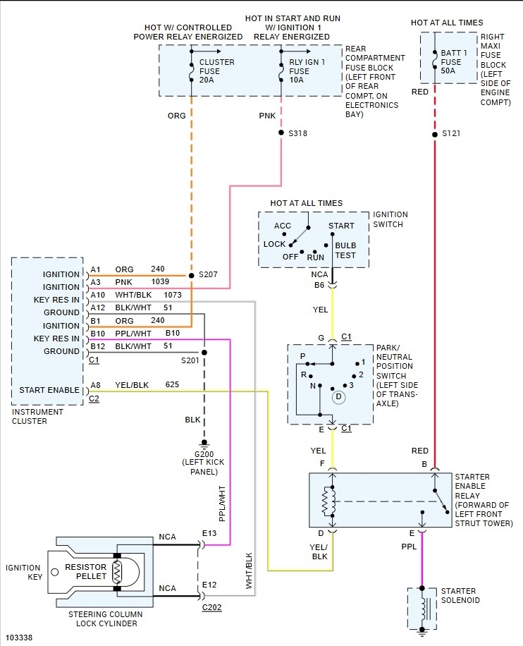
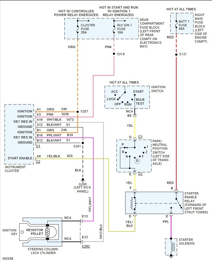
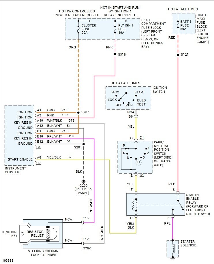
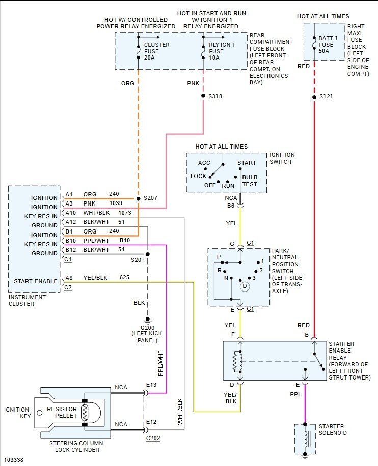
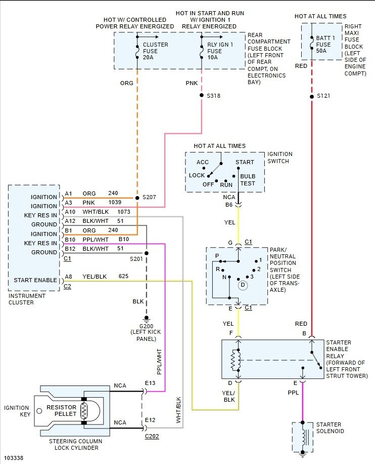
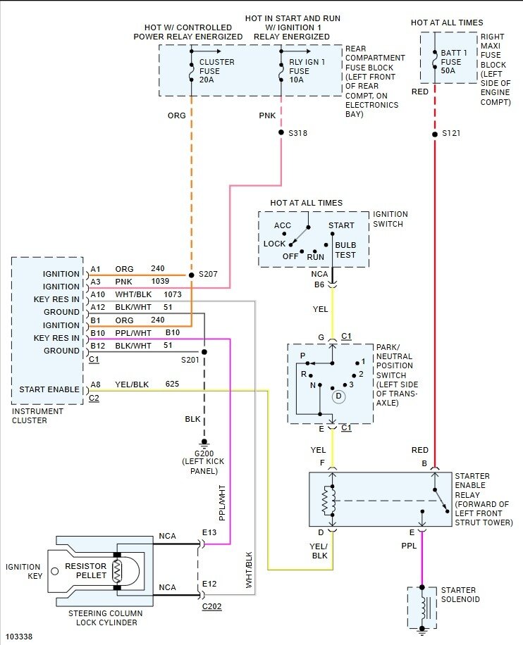
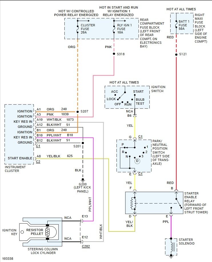
Okay, so you try to start it, it doesn't engage the starter, which means that the fuel system is locked out by the immobilizer. That in turn locks out the starter so it doesn't run the battery down trying. What does the security light do? If it stays on solid but doesn't start, then it isn't reading a correct key resistor pellet. If it starts flashing and doesn't start it reads a short in the key reading circuit. Both are somewhat common and usually the result of the two tiny wires that go to the contacts in the ignition cylinder to read the resistor pellet in the key. They flex every time the key turns and they either break or they short together. The factory repair is to replace the key cylinder that is keyed to your current keys. That way you don't need to change the other cylinders to match. If you look at the wiring diagram you might notice that all the system does is read the pellet and send that resistance to the instrument panel through the White wire black stripe and the purple wire white stripe which tells the system that it is the correct key. The old standby on these systems was to use a resistance box that had the correct resistors in it, you just rotated a knob until you hit the one that let the car start. It had piercing clips that you connected to those two wires. If you take a meter and set it to ohms, you can test the pellet in your key to find the correct one. Then it would be simple to use it across the two wires. Not that I'm telling you to do that. However, if you were to google GM VATS resistor bypass you can find a lot of videos on the topic.
Was this
answer
helpful?
Yes
No
Tuesday, March 11th, 2025 AT 8:04 PM

Please login or register to post a reply.