Security light on and car will not start

Tiny
JONMATFOR
  • MEMBER
  • 1997 PONTIAC FIREBIRD
  • 3.8L
  • 6 CYL
  • 2WD
  • AUTOMATIC
  • 135,000 MILES
My car listed above base model the security light started coming on when I tried to start it. My research has showed me all different things. I just need to know what to replace and what to do because it's our only car and we have 6 kiddos.
Monday, July 19th, 2021 AT 3:54 PM

1 Reply

Tiny
JACOBANDNICKOLAS
  • MECHANIC
  • 110,192 POSTS
Hi,

Have you tried a different key? If so and it made no difference, I need you to try something. Turn the key to the run position and allow it to sit for approximately 10 minutes. After that time, the light should turn off and the car should start.

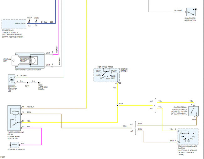
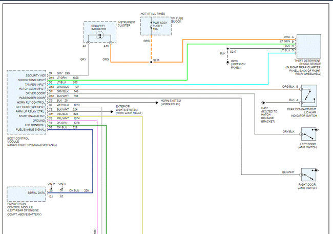
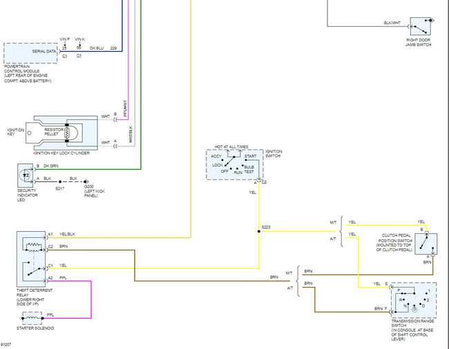
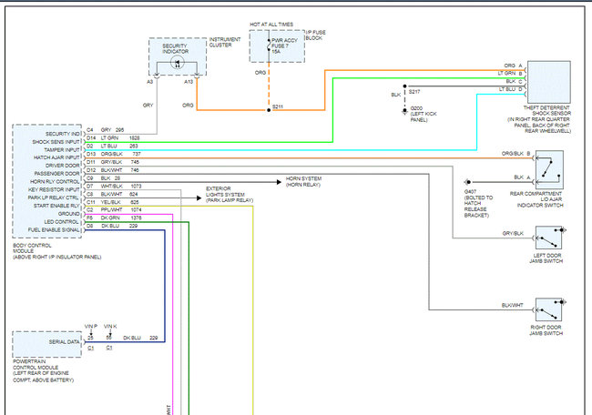
I attached the wiring schematic below for the anti-theft system. I thought you may want to see it as a reference. I had to cut it in half to make it readable, but I did overlap them so you can follow from one to the next.

There is a resistor in the key that may have gone bad or the system may require reprogramming. That will basically require the use of a scan tool and new keys to program.

Let me know.

Take care,
Joe

See pics below.
Was this
answer
helpful?
Yes
No
+1
Monday, July 19th, 2021 AT 8:36 PM

Please login or register to post a reply.