Auto seat not working

Tiny
STEVE CLOUTIER
  • MEMBER
  • 1999 JAGUAR XJ8
  • 4.0L
  • V8
  • 2WD
  • AUTOMATIC
  • 121,000 MILES
My driver seat does not auto adjust. Steering wheel does fine. I tried on all 3 setting options.
Where can I look to fix?
Monday, January 11th, 2021 AT 12:22 PM

3 Replies

Tiny
KASEKENNY
  • MECHANIC
  • 18,907 POSTS
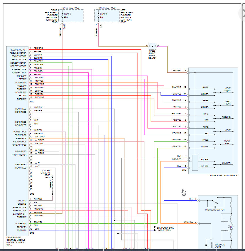
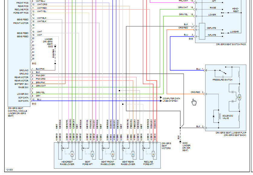
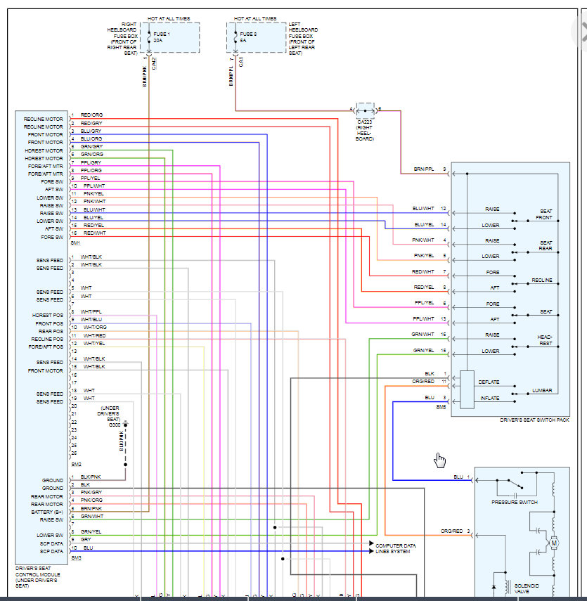
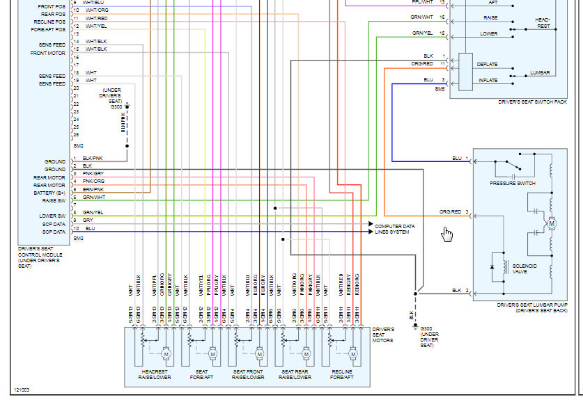
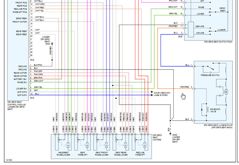
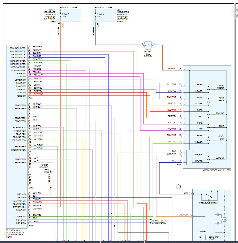
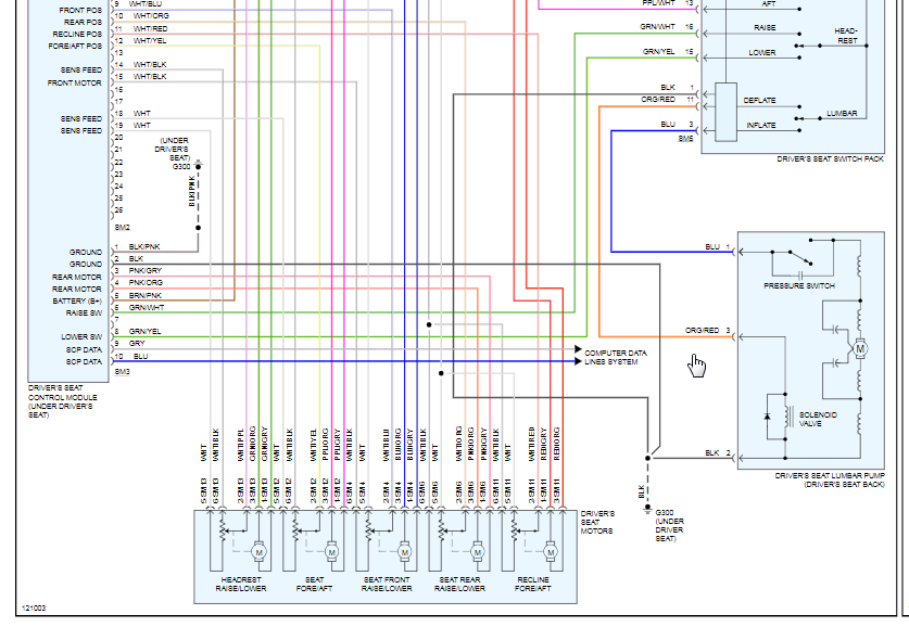
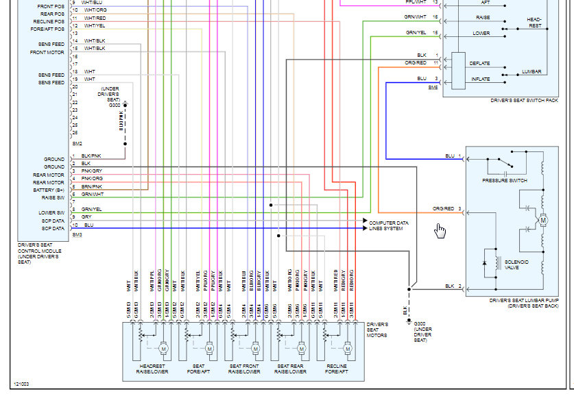
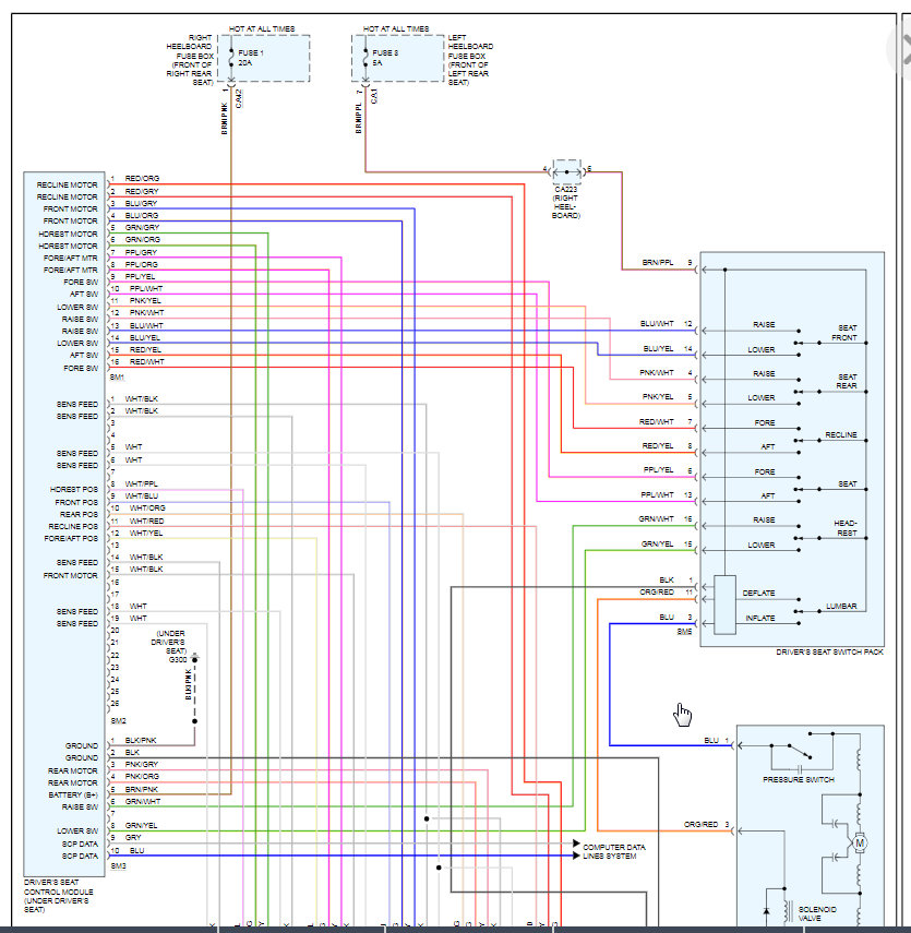
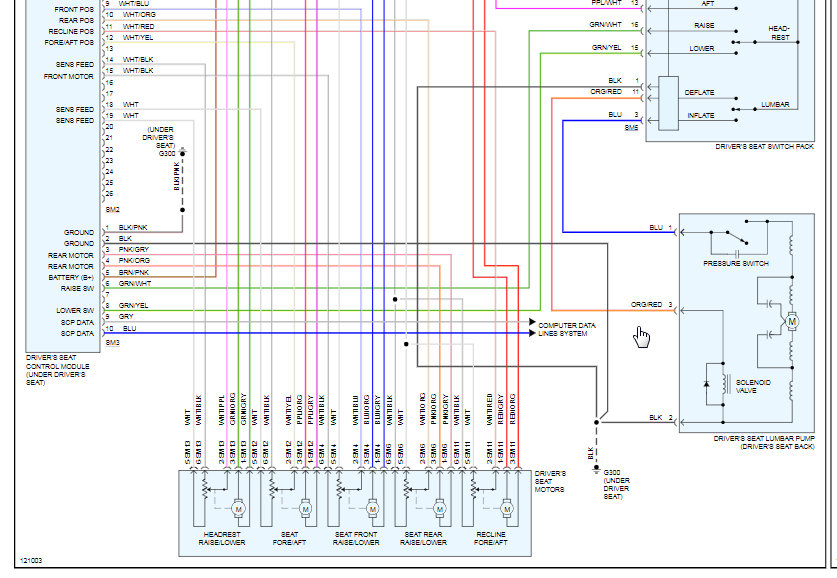
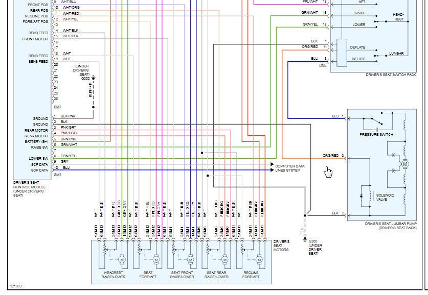
More then likely this is the driver seat control module that has failed. The way to confirm this is to check the voltage coming out of the module when the seat is being moved. If you have no voltage then we need to check voltage coming from the switch. I included the wiring diagram so we can perform this testing.

Here is a guide that will help with this:

https://www.2carpros.com/articles/how-to-check-wiring

If you have voltage coming in on the red/white wire when moving the seat forward and none on the white/yellow wire then the module is the issue.

Since this is the auto adjust I am pretty sure that this is the issue so I included the process on how to replace it if this proves out. Let me know what questions you have. Thanks
Was this
answer
helpful?
Yes
No
Tuesday, January 12th, 2021 AT 4:14 PM
Tiny
STEVE CLOUTIER
  • MEMBER
  • 13 POSTS
Awesome, I am on the right track.
Thanks,
Steve
Was this
answer
helpful?
Yes
No
Tuesday, January 19th, 2021 AT 4:11 AM
Tiny
KASEKENNY
  • MECHANIC
  • 18,907 POSTS
You are welcome. Please let us know what happens when you get it figured out. Thanks for the update.
Was this
answer
helpful?
Yes
No
Tuesday, January 19th, 2021 AT 7:29 PM

Please login or register to post a reply.