Wednesday, March 14th, 2018 AT 5:22 AM
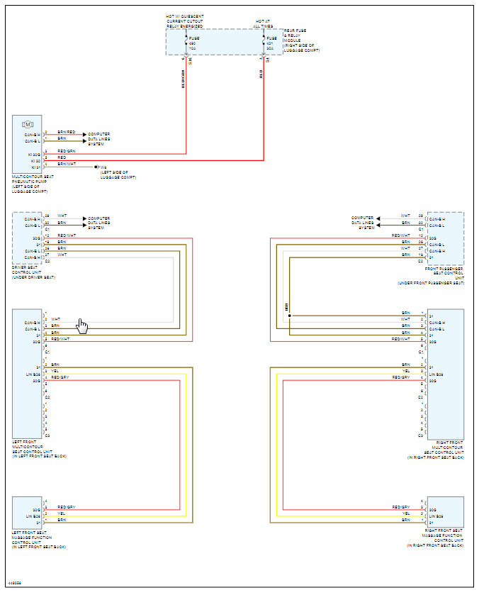
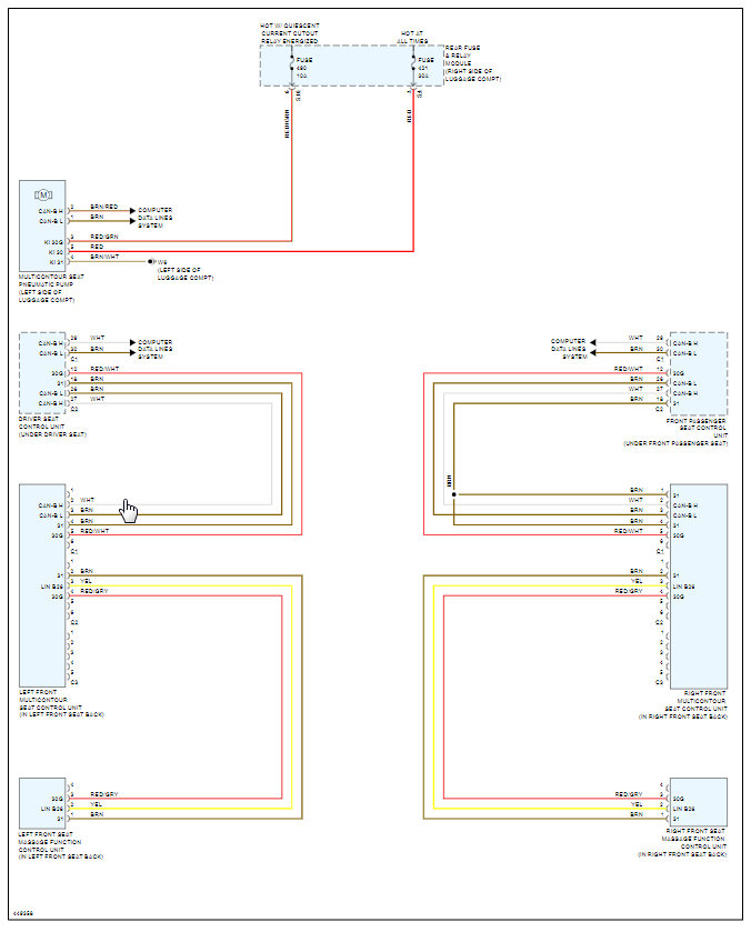
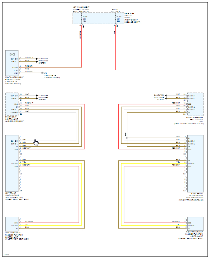
Seat massage inoperative. My fuse chart located in trunk does not list the pump fuse, multi contour seat fuse or dynamic seat fuse. My car has these features. The online charts I found do show these fuses. The other weird thing is that chart in my rear trunk fuse module lists fuses in the 400 to 497 range, while online the numbers only go up to 200 or so. I am confused on these two things. Any help would be greatly appreciated.












