Saturday, November 4th, 2017 AT 3:09 PM
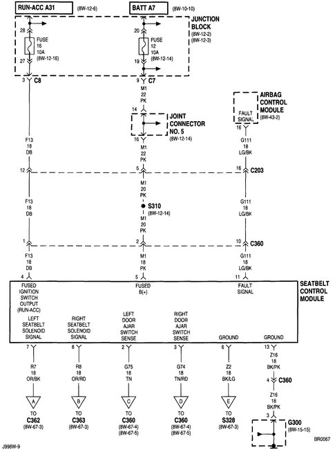
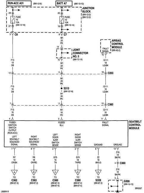
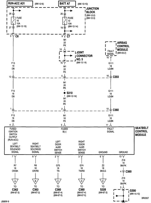
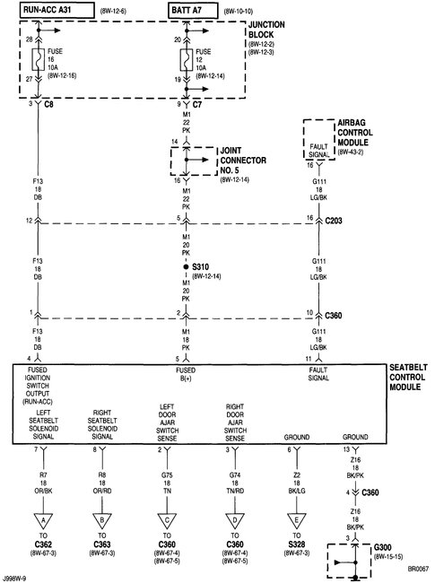
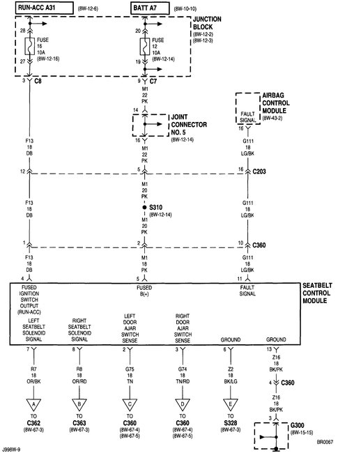
Both seat belts will not release. I checked the wiring to the seat belt control module and found no current (*or voltage) across the pink and green/black. I did not get anything across the fuse sets either. I am thinking that I might not be getting power to the fuse. Is there a relay that sends this? Thanks. John



