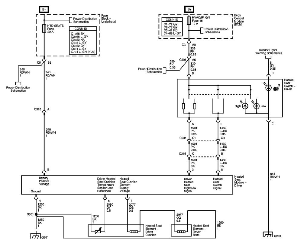
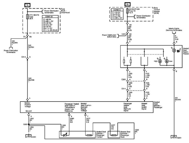
Saturday, October 27th, 2018 AT 10:45 AM
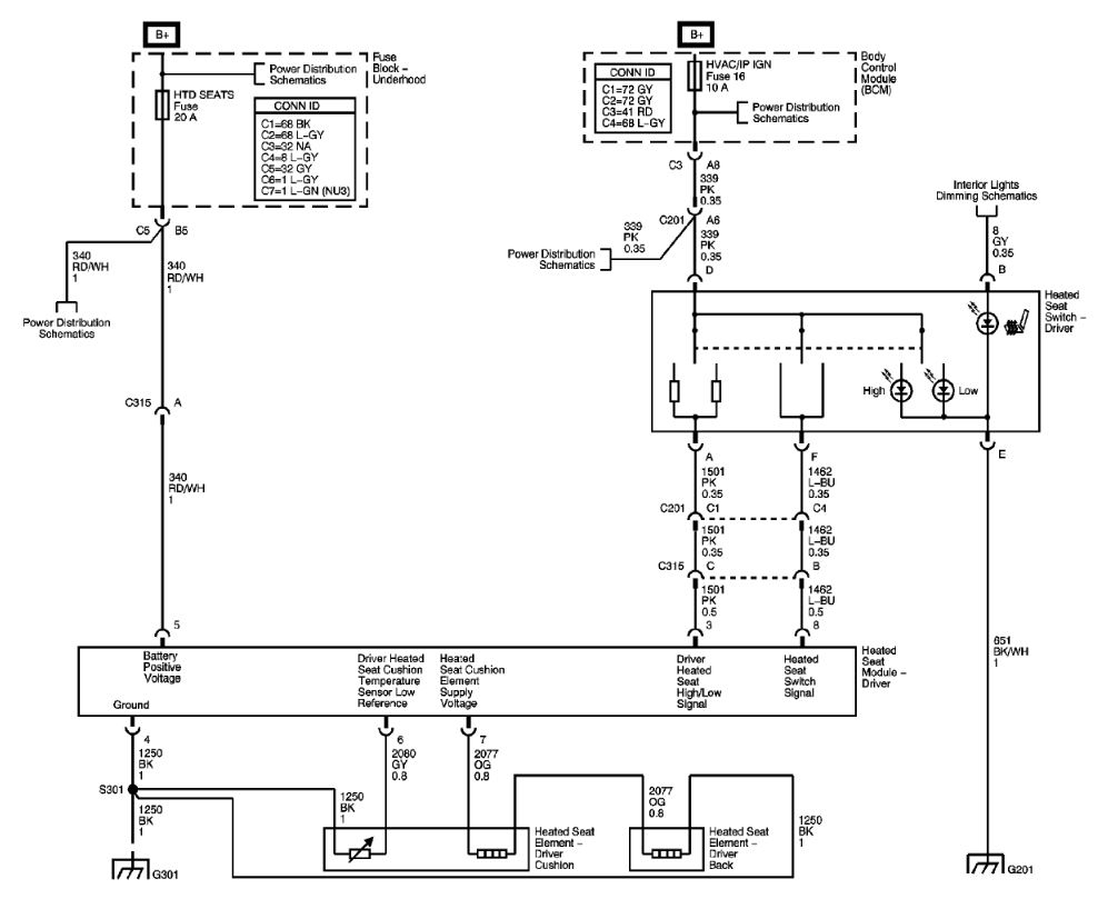
I switched my factory seats with leather heated seats. The seat belt/airbag sensor plug under the seat are not compatible. I was wondering if there was a way to by pass it so the service airbag light will shut off? Or a way where the passenger air bag is always on?



