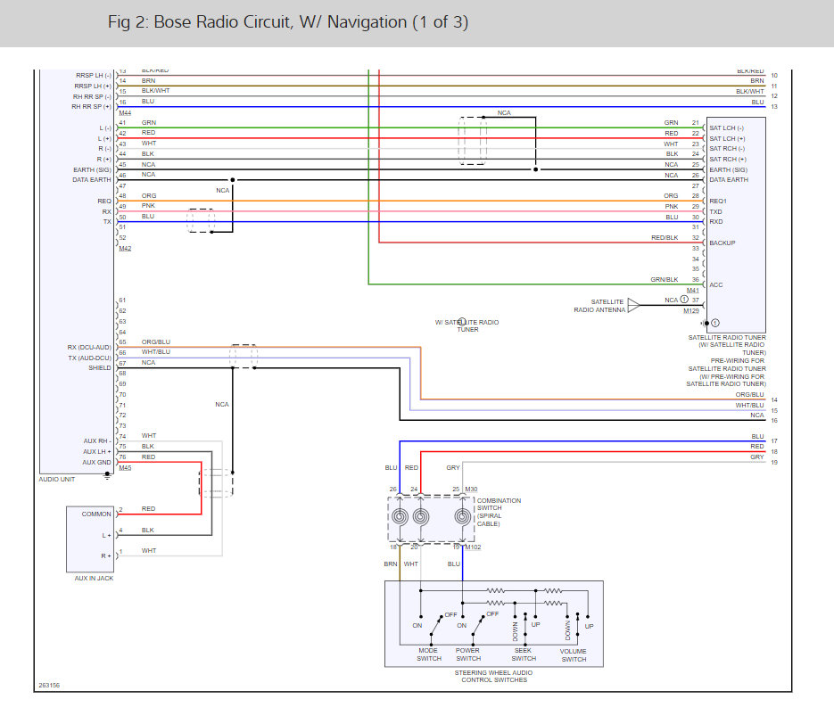
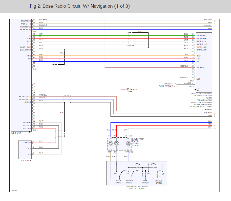
Friday, November 15th, 2019 AT 4:00 AM
My screen is blank on my vehicle. I have checked all fuses and all are fine. There is power to the plug for screen at the bottom left of plug, but nothing at all happening. Have tried another screen but no luck. The CD part still tries to load CD but that's all.







