No radio, no map navigation screen is out?

Tiny
MARCIO ANTONIO
  • MEMBER
  • 2018 NISSAN PATHFINDER
  • V6
  • 4WD
  • AUTOMATIC
  • 87,000 MILES
I didn't nothing on the car and get off no screen (still lights on the back) no radio, no map navigation (included SD card).
Friday, November 24th, 2023 AT 4:26 PM

3 Replies

Tiny
KEN L
  • MASTER CERTIFIED MECHANIC
  • 55,350 POSTS
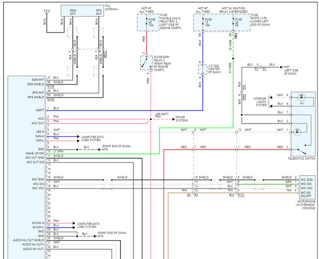
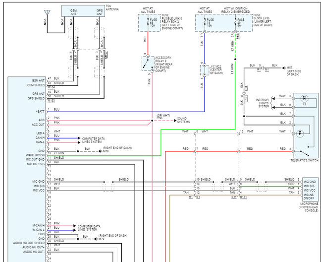
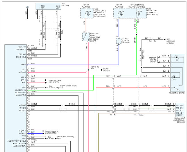
It sounds like you may have a display control module that has gone out but we should check the fuse #65 10-amp in the under-hood fuse panel and fuse# 15 and #29 in the fuse panel in the lower left side of the dashboard.

Here is a guide to help and the fuse location int eh images below:

https://www.2carpros.com/articles/how-to-check-a-car-fuse

I have also included the wiring diagrams for the telematics screen so you can see how the system works. Check out the images (below). Please let us know what happens.
Was this
answer
helpful?
Yes
No
Saturday, November 25th, 2023 AT 9:39 AM
Tiny
QUINN BOSS
  • MEMBER
  • 4 POSTS
For anyone else who has this issue, Ken is likely correct in that it's the DCU (Display Control Unit); specifically a Micro SD Card inside the DCU.
Was this
answer
helpful?
Yes
No
Saturday, July 5th, 2025 AT 3:00 PM
Tiny
KEN L
  • MASTER CERTIFIED MECHANIC
  • 55,350 POSTS
Excellent addition to this thread!
Was this
answer
helpful?
Yes
No
Sunday, July 6th, 2025 AT 10:16 AM

Please login or register to post a reply.