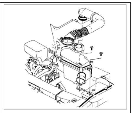
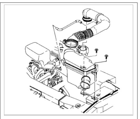
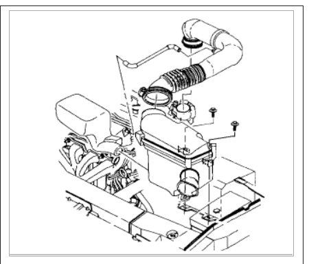
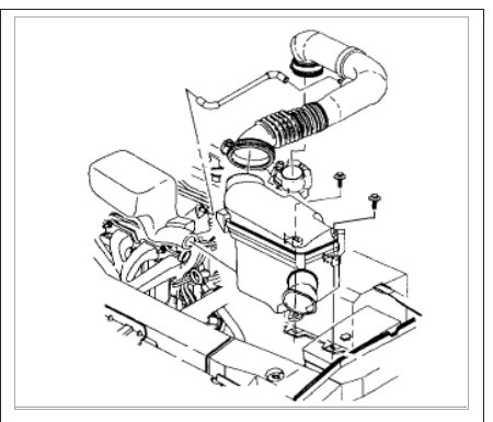
Here is my issue, I had my transmission replaced a year and a half ago. Out of the blue today I had no reverse. I heard a hard clunk when I picked up my daughter, prayed that I got home, and when I went to reverse it into my drive way, it wouldn't do it. I am hoping there is a simple fix so I don't drop another $1500 into the tranny.
Saturday, May 12th, 2007 AT 11:42 PM

























