Blower Motor relay

Tiny
VLGOING
  • MEMBER
  • 2001 SATURN L200
4 cyl Front Wheel Drive Automatic

Where is the blower motor relay located?
Saturday, June 12th, 2010 AT 8:03 AM

5 Replies

Tiny
SATURNTECH9
  • MECHANIC
  • 30,869 POSTS
Hello,

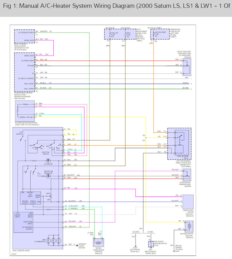
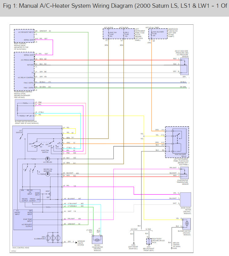
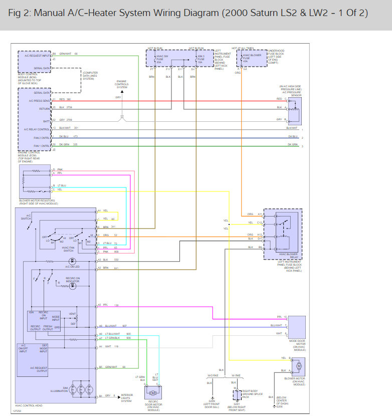
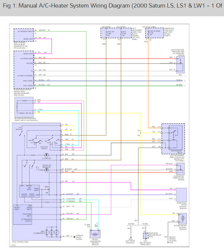
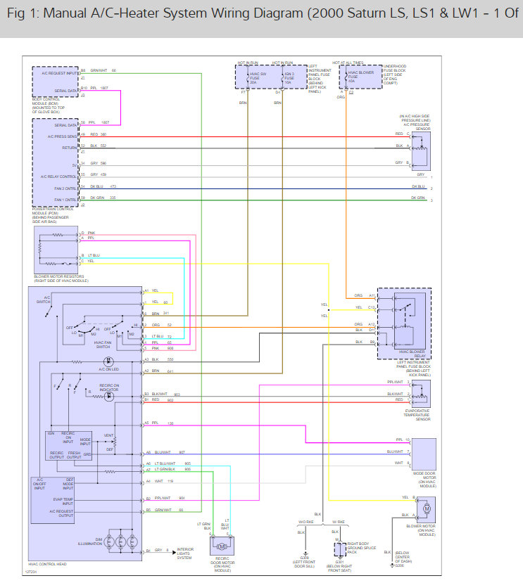
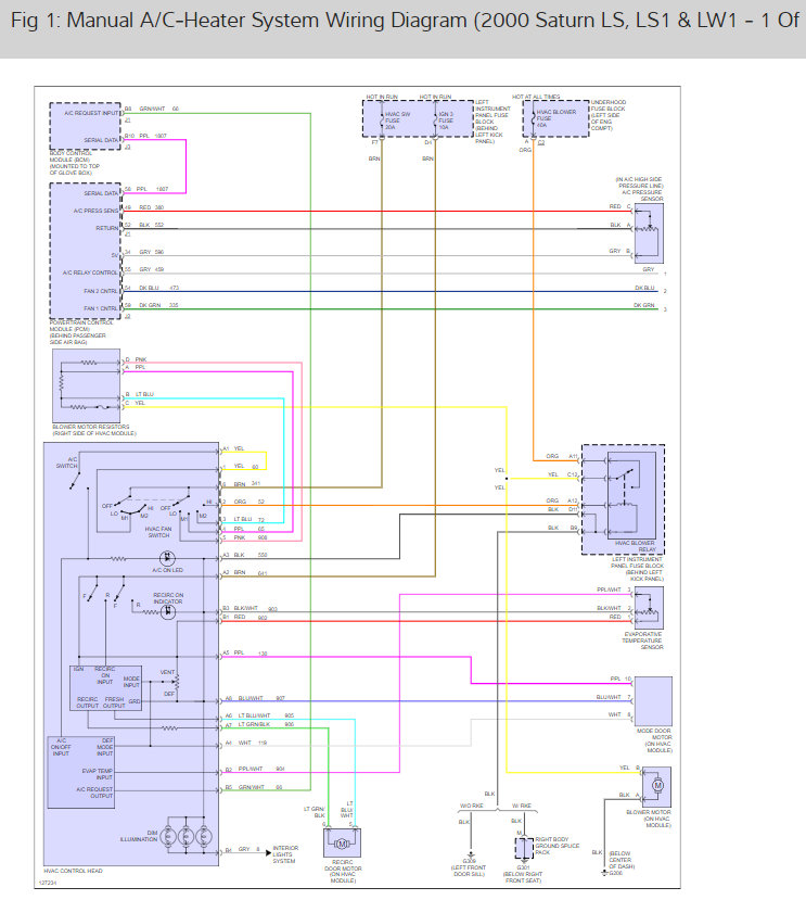
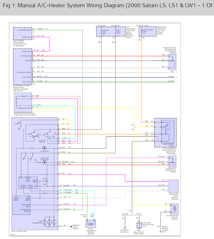
Here is the blower motor relay location and wiring diagrams so you can see how the system works and a guide to help you test the ac relay which control the blower.

https://www.2carpros.com/articles/how-to-check-an-electrical-relay-and-wiring-control-circuit

Check out the diagrams (Below). Please let us know what happens.

Cheers
Was this
answer
helpful?
Yes
No
+1
Saturday, June 12th, 2010 AT 10:45 AM
Tiny
VLGOING
  • MEMBER
  • 3 POSTS
Well when we first got the car the blower would only work on high. Now it only works sometimes. I replaces the resistor. And the blower motor works. Someone told me it was the relay so I got a new one now I don't know where to replace it because I cant find the old one. It's driving me crazy!Lol
Was this
answer
helpful?
Yes
No
Saturday, June 12th, 2010 AT 10:51 AM
Tiny
SATURNTECH9
  • MECHANIC
  • 30,869 POSTS
You could have a loose connection to the motor I have seen that also where you can wiggle the plug to the motor and make the motor turn on and off. I have seen the blower motor do that as well
Was this
answer
helpful?
Yes
No
-1
Saturday, June 12th, 2010 AT 1:22 PM
Tiny
VLGOING
  • MEMBER
  • 3 POSTS
I found the resistor card on the passengers side against the firewall and its discolored and stuff. But does the resistor only control the 3 lower speeds? And the relay controls the higher speed. So I replaced the blower motor because it was all that was left and the problem is fixed thanks for your help.
Was this
answer
helpful?
Yes
No
+1
Saturday, June 12th, 2010 AT 1:53 PM
Tiny
SATURNTECH9
  • MECHANIC
  • 30,869 POSTS
Glad you could get it fixed, that kind of problem can be tough. Please use 2CarPros anytime we are here to help

Cheers
Was this
answer
helpful?
Yes
No
+1
Saturday, June 12th, 2010 AT 4:41 PM

Please login or register to post a reply.