HOME
ASK A QUESTION
REPAIR GUIDES
BECOME A MEMBER
LOG IN
Login with Facebook
OR
Remember me
NOT A MEMBER?
FORGOT PASSWORD?
CONTACT US
PRIVACY POLICY
TERMS AND CONDITIONS
☰
Home
Saturn
Ion
Climate Control
Air Conditioner
Fuse
A/C doesn't come on?
FLOPEZ27
MEMBER
2004 SATURN ION
4 CYL
FWD
AUTOMATIC
80,000 MILES
Think fuse is blown, saw sparks while testing?
Saturday, February 27th, 2010 AT 3:44 AM
1 Reply
MHPAUTOS
MECHANIC
31,937 POSTS
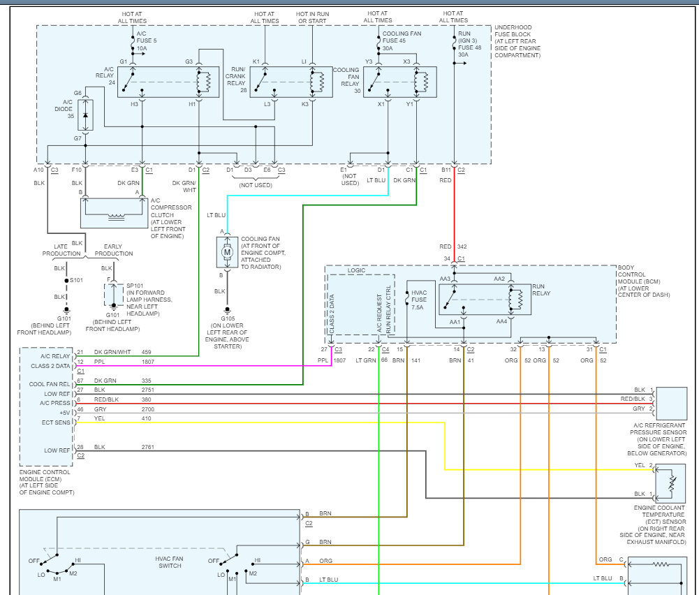
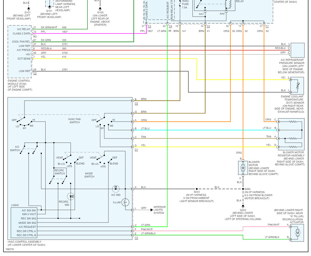
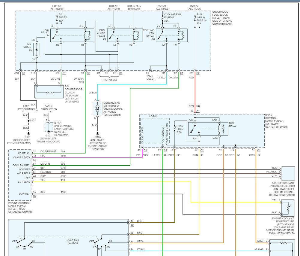
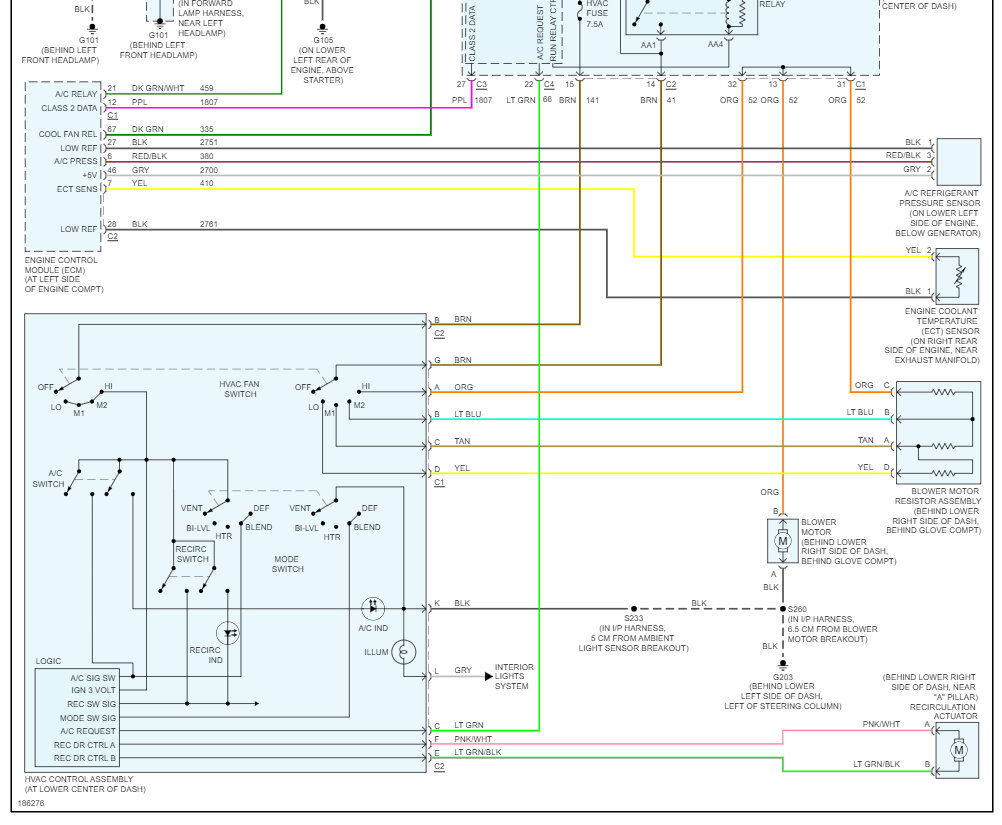
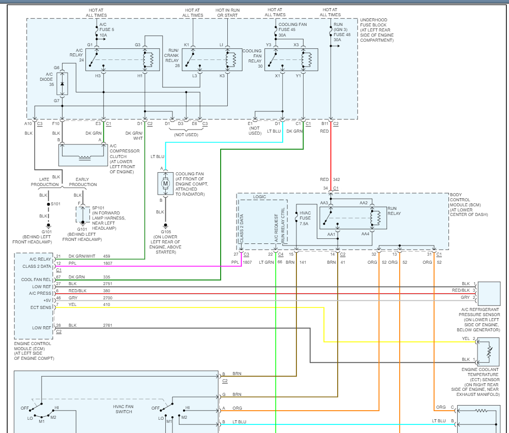
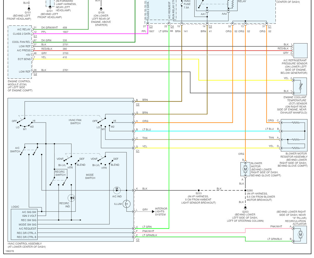
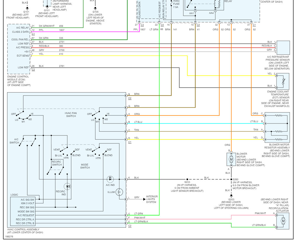
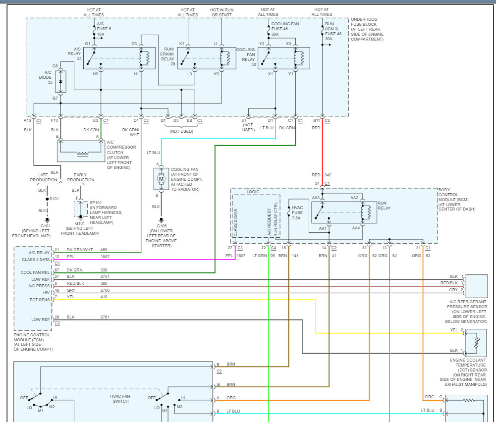
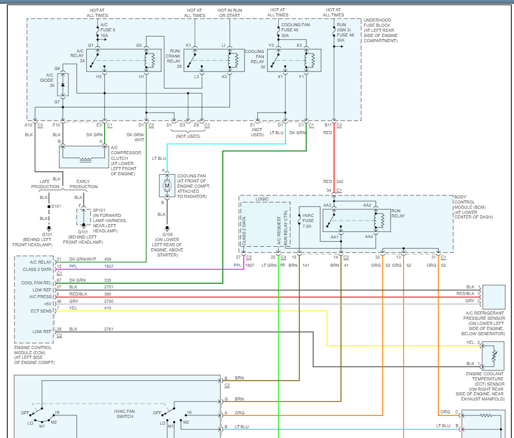
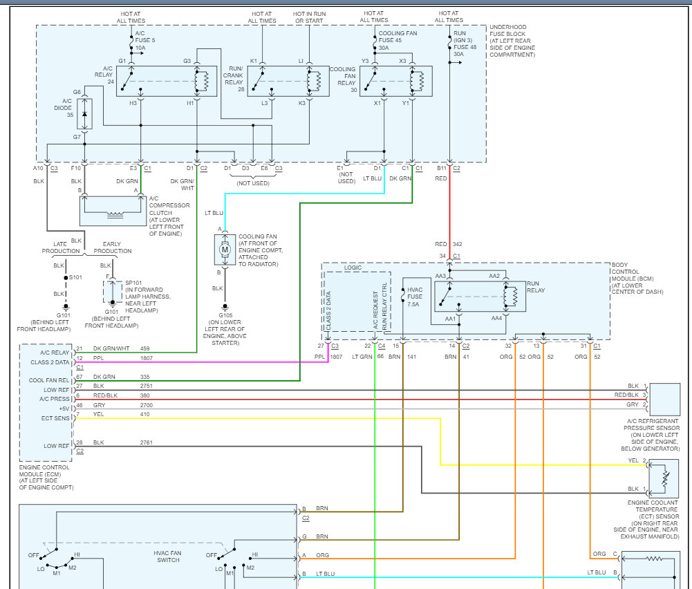
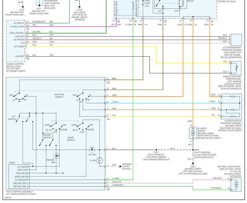
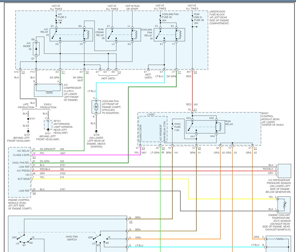
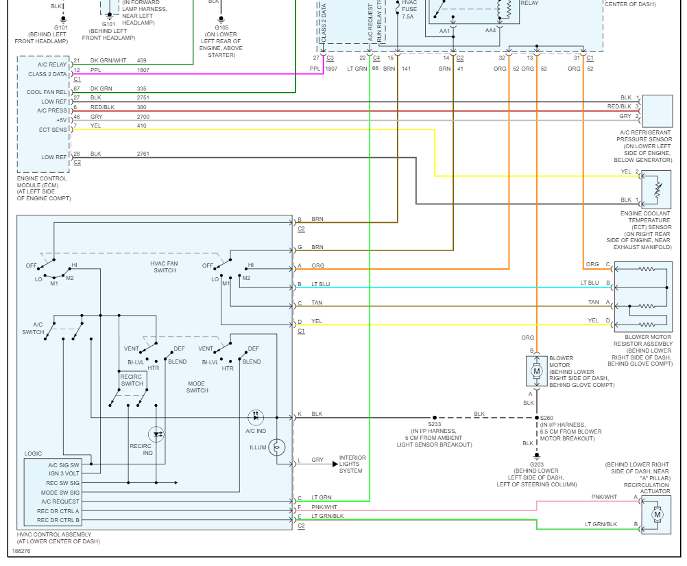
Here is the wiring diagrams for the AC system so you can see how the system works and which fuses to check. I also included a guide to help you check the fuses.
https://www.2carpros.com/articles/how-to-check-a-car-fuse
Check out the images (Below). Please let us know what happens.
Images (Click to make bigger)
Was this
answer
helpful?
Yes
No
+3
Saturday, February 27th, 2010 AT 4:22 AM
Please
login
or
register
to post a reply.
Related Air Conditioner Fuse Content
2004 Saturn Ion Curious Noise
Air Conditioning Problem 2004 Saturn Ion 4 Cyl Front Wheel Drive Automatic The Air Conditioning In My Daughters Car Is "clicking" She...
Asked by
jumper42
·
1 ANSWER
2004
SATURN ION
VIDEO
Air Conditioning Fuse Replacement
Instructional repair video
Saturn Ion2 Ac/engine Issue
My Saturn Ion2 Has Been Having Issues With The Temp And Ac. When I Sit At A Light My Ac Is No Longer Cool And My Engine Slowly Heats Up. As...
Asked by
jrwhiteh7
·
1 ANSWER
2004
SATURN ION
A/c Blows Warm Air
A/c Blows Warm Air But Freon Is Full. What Could The Problem Be?
Asked by
cthelena
·
4 ANSWERS
1 IMAGE
2006
SATURN ION
Ac Not Working
A Mechanic Has Checked The Ac And Found A Small Leak And Fixed It And The Ac Was Working For A Week. I Took It Back To The Mechanic And He...
Asked by
Gaby.R
·
8 ANSWERS
1 IMAGE
2003
SATURN ION
Ac Recharge?
My Ac Will Not Cool. The White Wheel On Rear Left Behind The Radio Will Not Change (turn) To Allow The Knob To Go To Vents. The Floor And...
Asked by
lajitana2051
·
3 ANSWERS
1 IMAGE
2006
SATURN ION
VIEW MORE
Ask a Car Question. It's Free!
How to Use a Test Light
Heater Hose Replacement Chevrolet Camaro
How to Find Low Side A/C Service Port