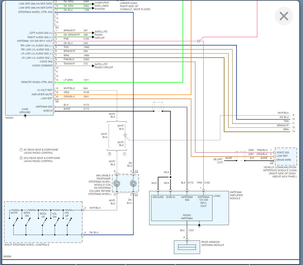
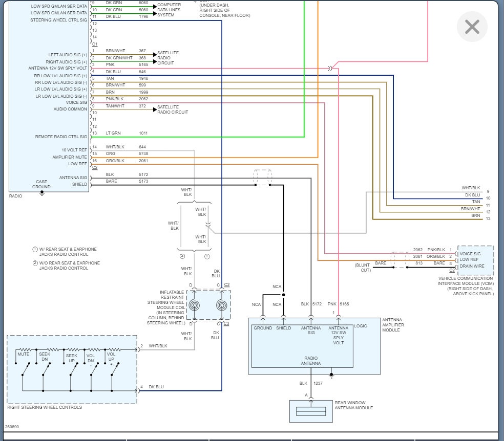
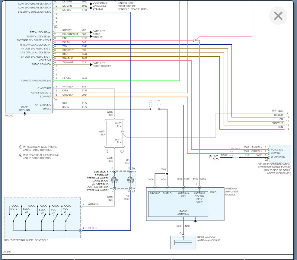
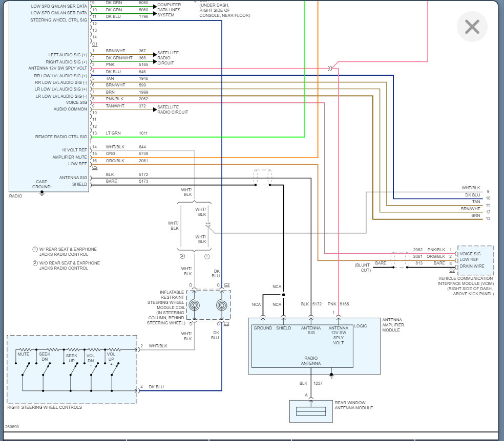
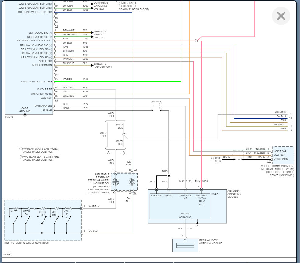
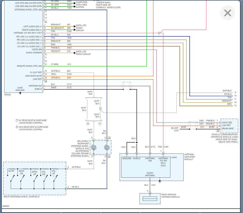
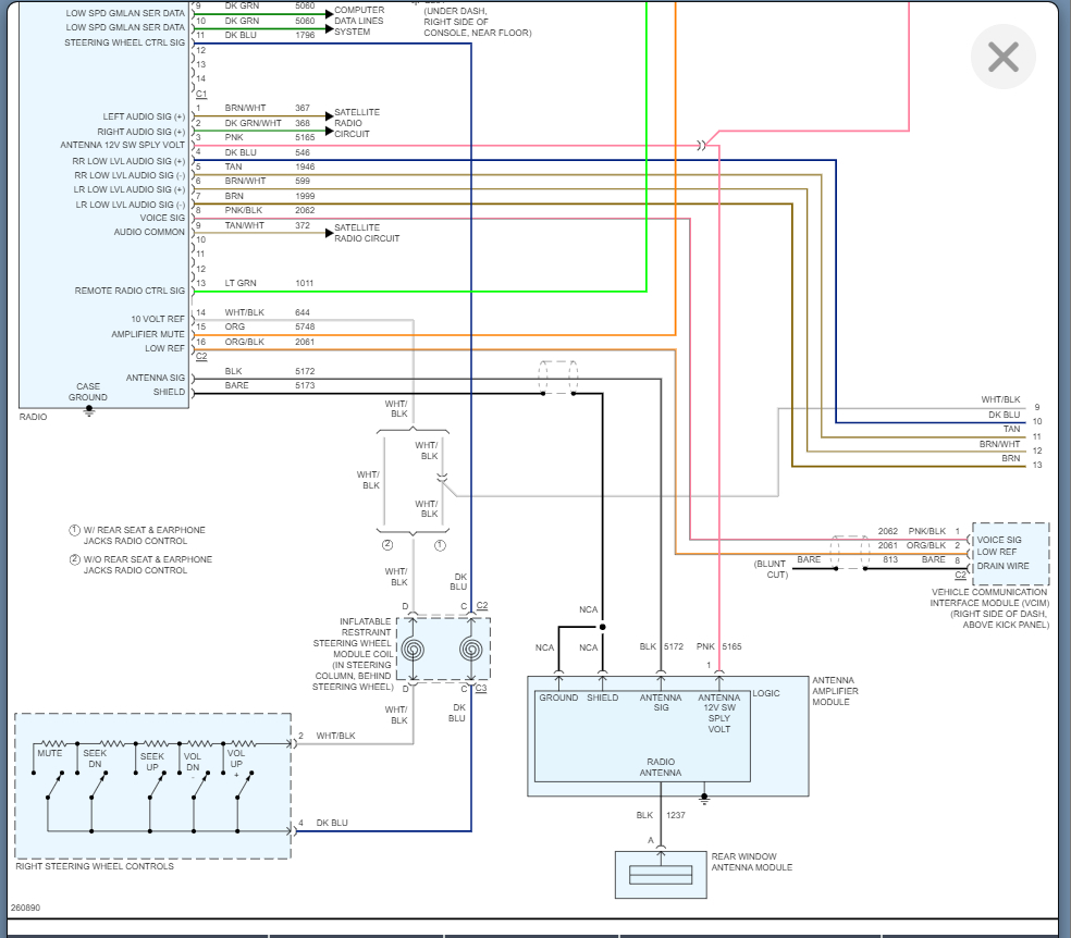
Saturday, January 2nd, 2010 AT 2:29 PM
There is no sound in my car. Radio does not come on at all. My blinker blinks but does not make the clicking sound. It was working at one time. Everything just stopped working one day. The warning sounds don't even sound.





