Tuesday, July 11th, 2023 AT 2:36 AM
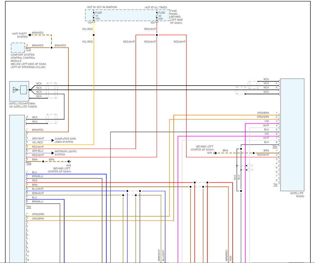
My radio works on AM, FM and CD player. Satellite just stopped. I contacted Sirius and they cannot help. Radio won’t accept refresh signal. Research indicates two possible issues. A fuse or the satellite module. Please advise. I don’t know where either of these are located in my vehicle. Thank you in advance.









