I just tested this fuse for the third time and turned on the auxiliary mode for the radio and left the radio on with no music or sound. While I was driving, I could hear a crackle occasionally until finally the fuse popped again, and the crackles disappeared. It seemed the fuse blew out while making a turn on the highway while the weight of the truck shifted, or centrifugal force was applied to the vehicle.
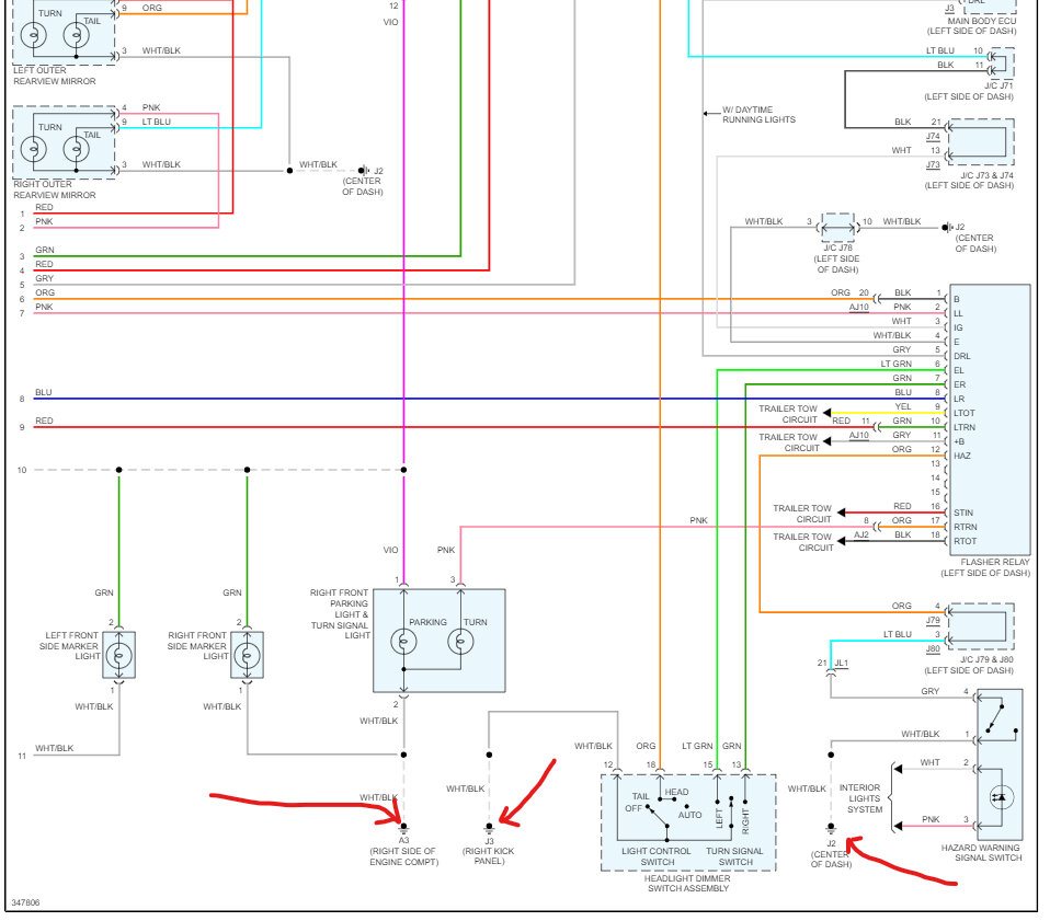
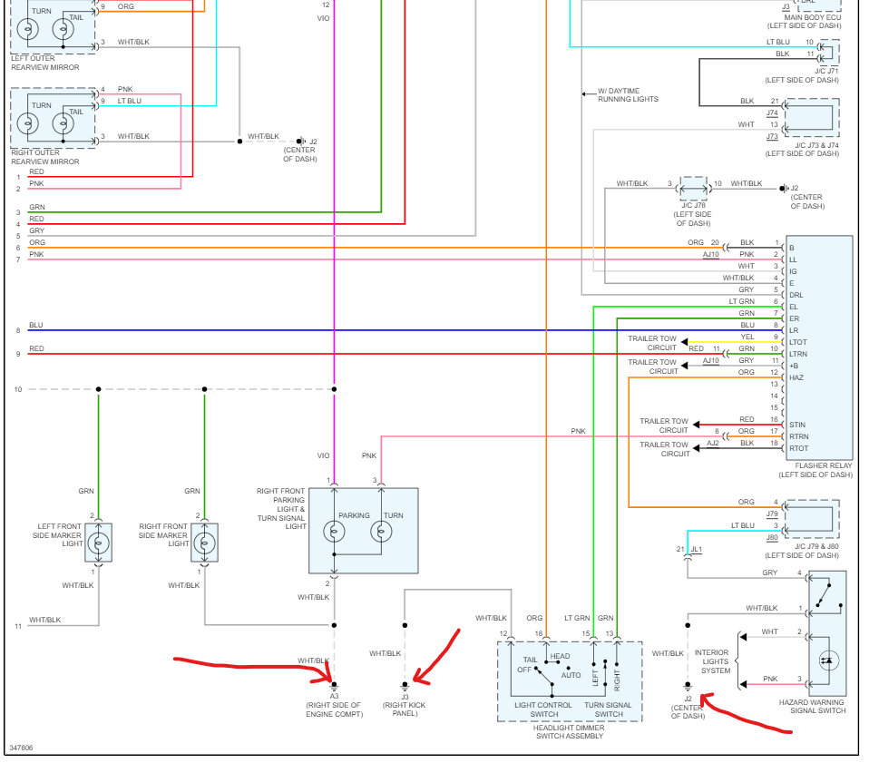
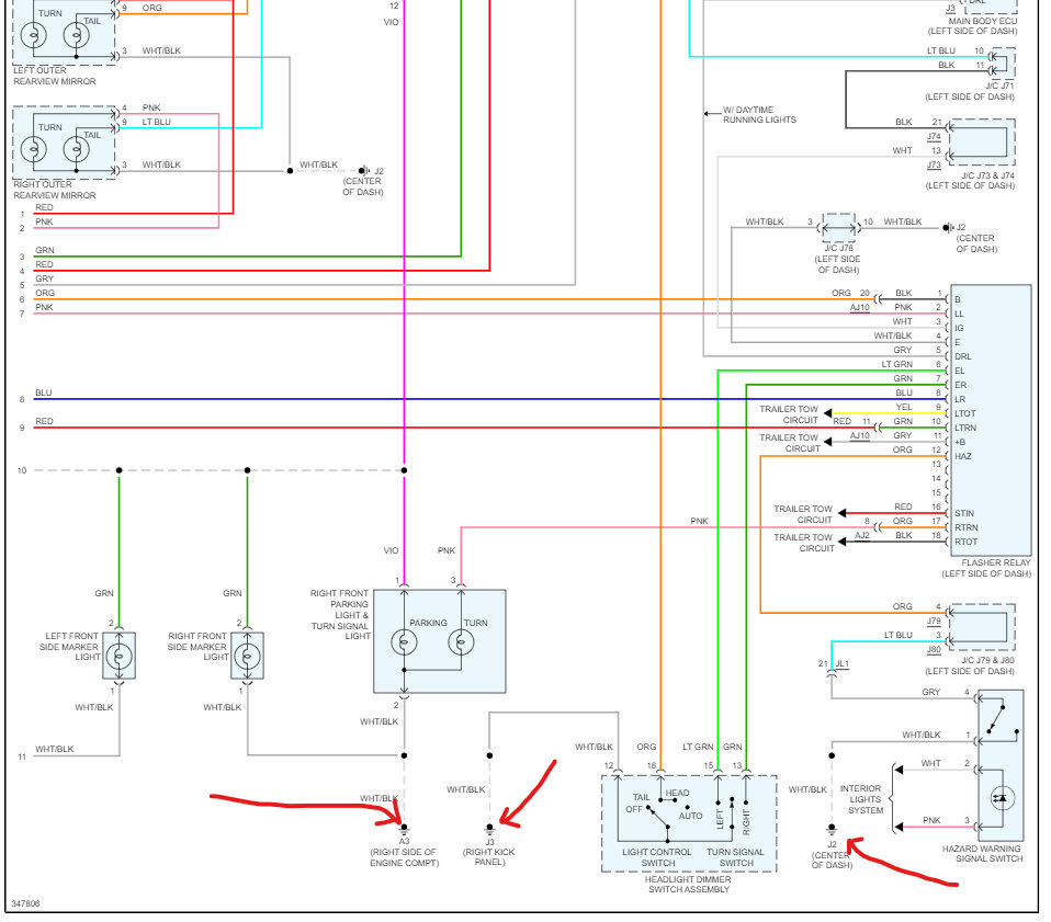
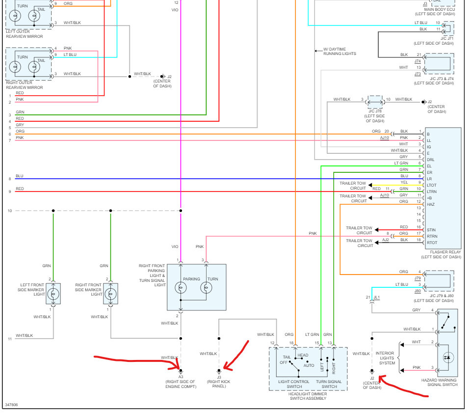
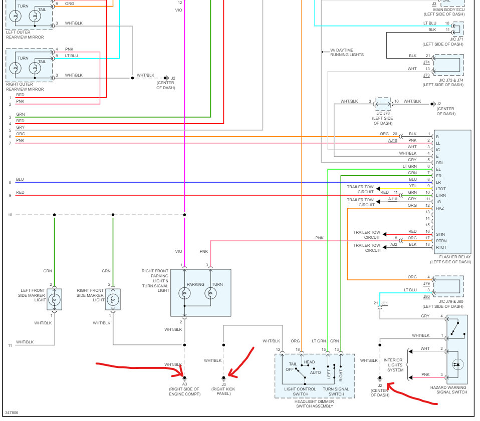
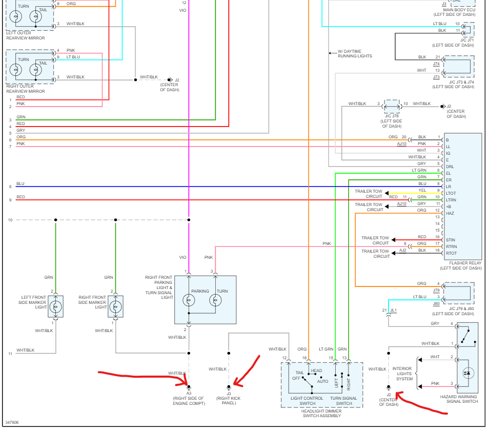
It is noted that these aftermarket lights have worked for several years but I did switch out the front blinker bulbs to LED and I’m getting a hyper flash as the resistance is not equal to the normal load.
I’m going to replace the blinker bulbs back to the OEM style next, put another fuse in and see if that fixes the issue. Could these new LED bulbs be the cause of the problem or is there a ground wire that may be faulty?
The aftermarket lights are about 10 years old in the front and about 5-6 years old in the rear.
Thursday, August 17th, 2023 AT 2:43 AM





