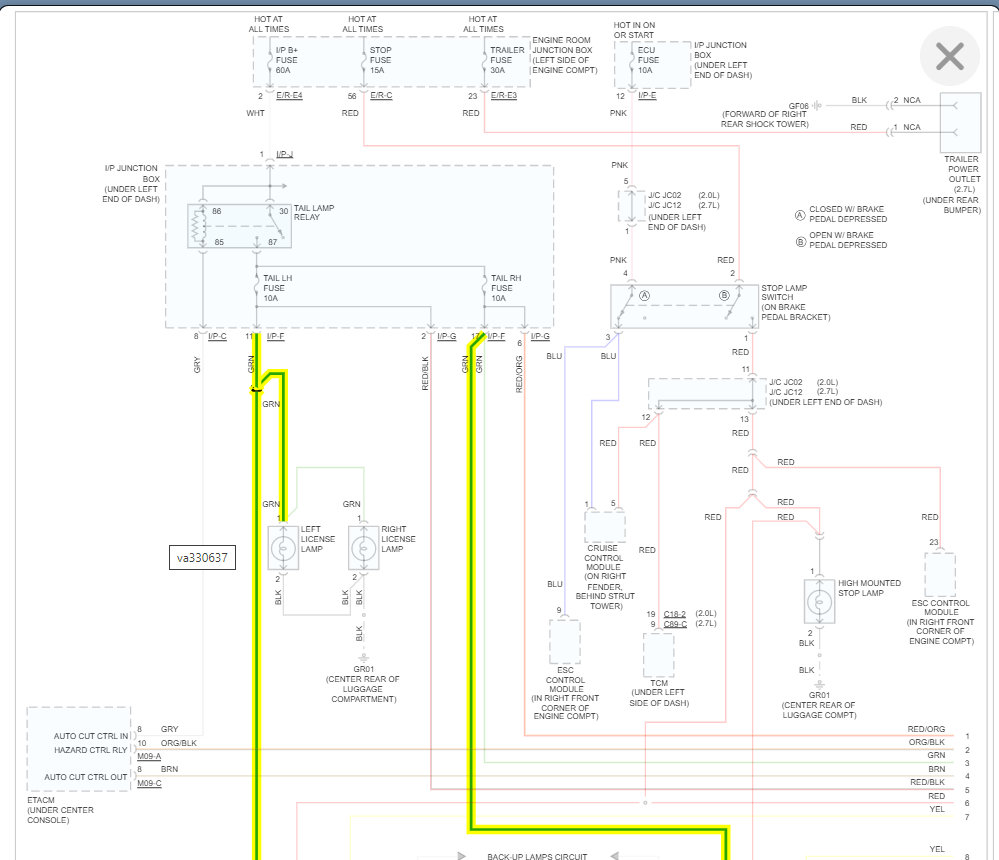
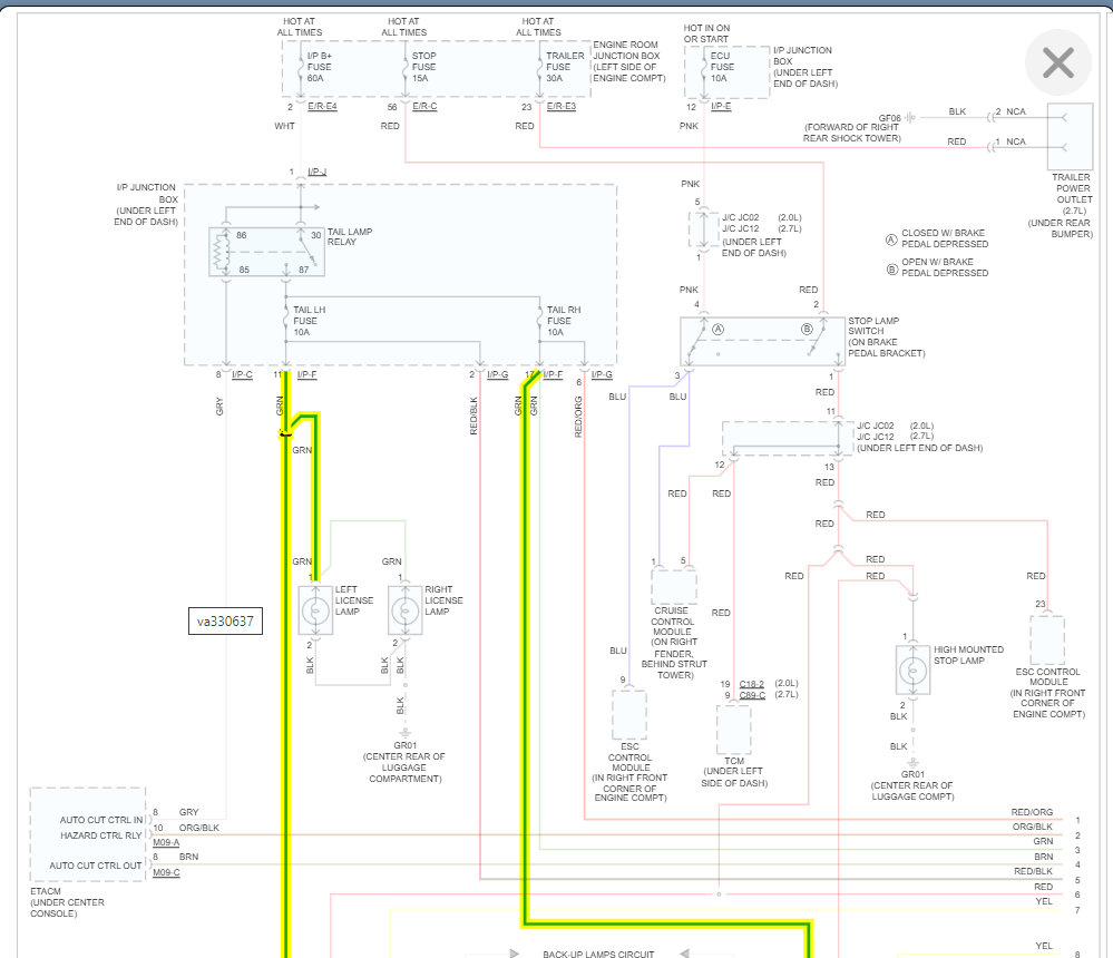
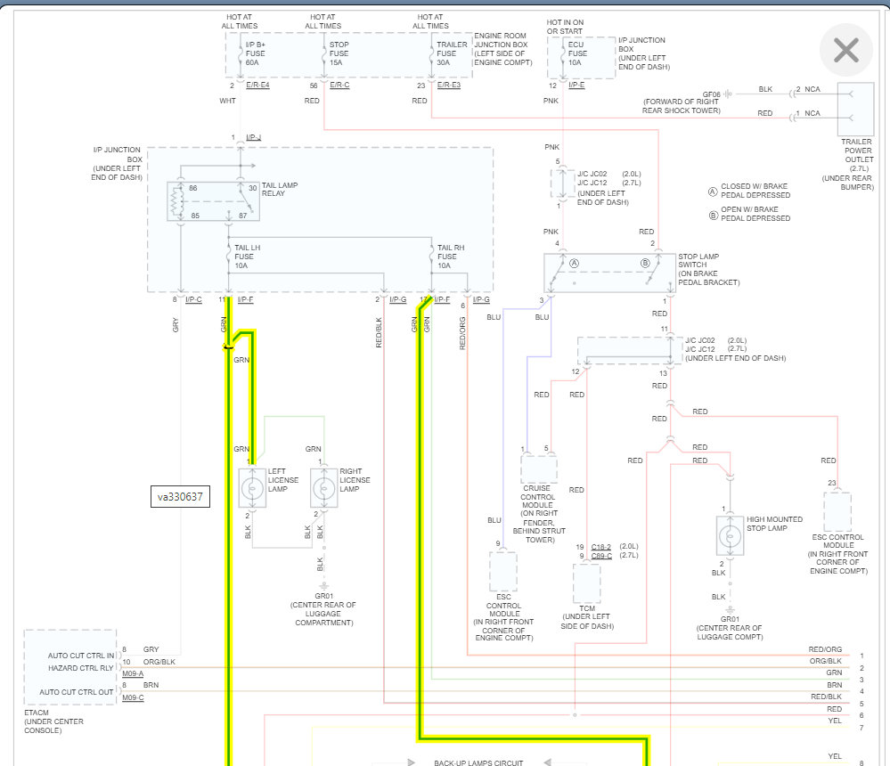
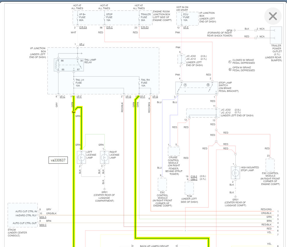
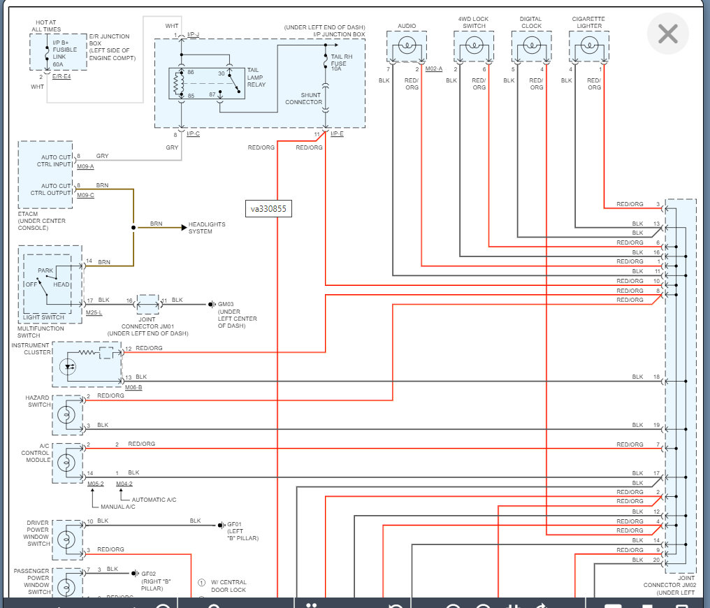
We just bought this car super cheap knowing this was the issue but were told it just needed a new fuse box. Replaced that today with all new fuses as well and still no running lights, radio, or dash lights?
Brake lights and headlights work.
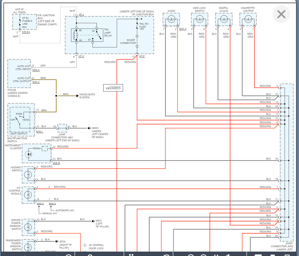
Brake lights and headlights work.
Mar 20, 2022 at 12:44 PM



