Running lights, dash lights and turn signals are not working

Tiny
TINAMASSEY1111
  • MEMBER
  • 1999 CHEVROLET TAHOE
  • 193,000 MILES
Signal light started blowing fuses after using them just once. Then put a brake switch in and then transmission started having problems. Replaced transmission and it works fine just noticed no running lights, or dash lights.
Tuesday, May 4th, 2021 AT 10:27 PM

1 Reply

Tiny
JACOBANDNICKOLAS
  • MECHANIC
  • 110,194 POSTS
Hi,

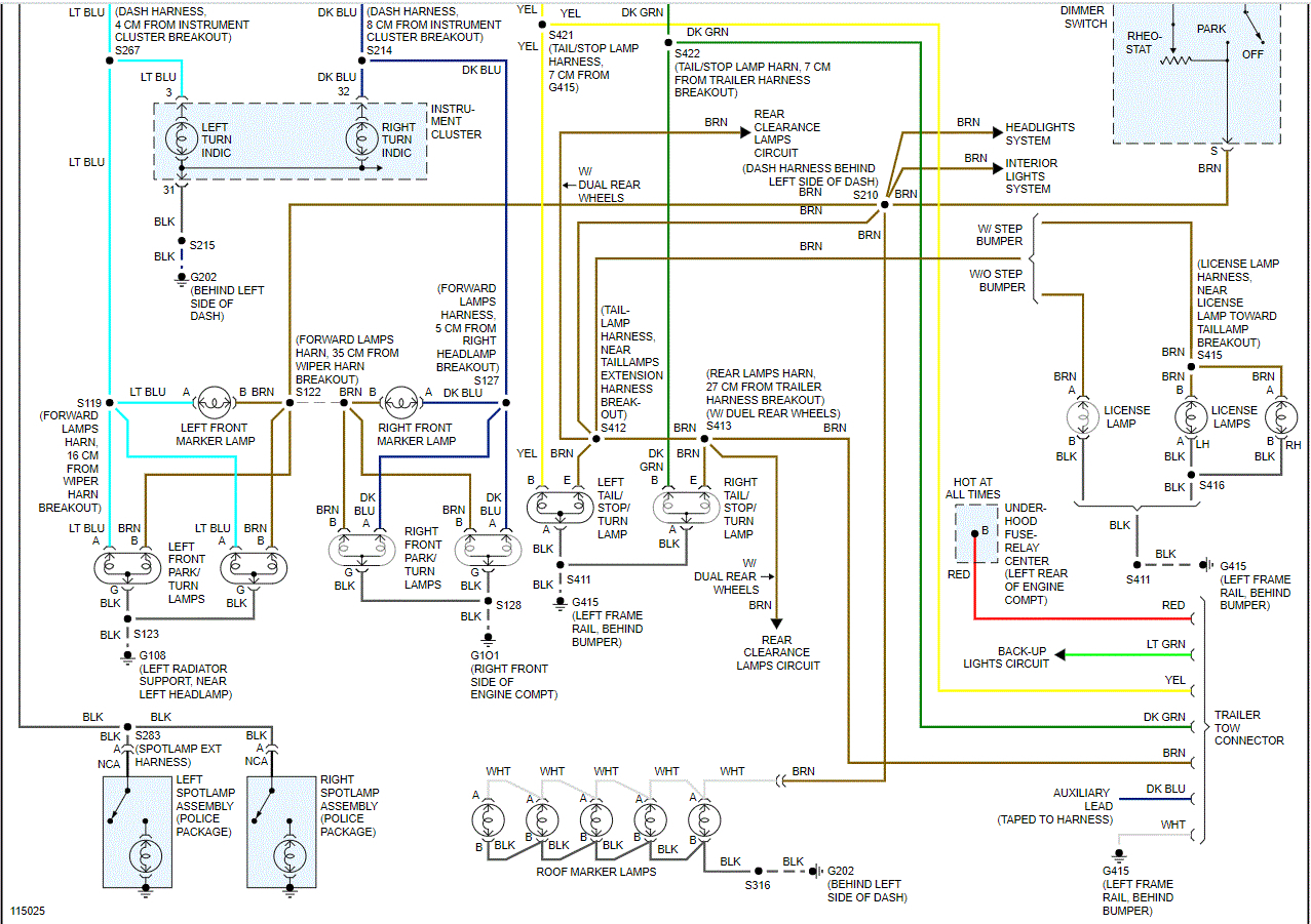
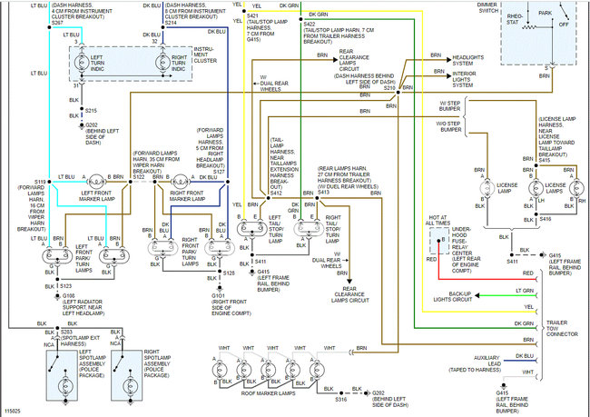
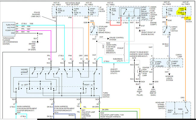
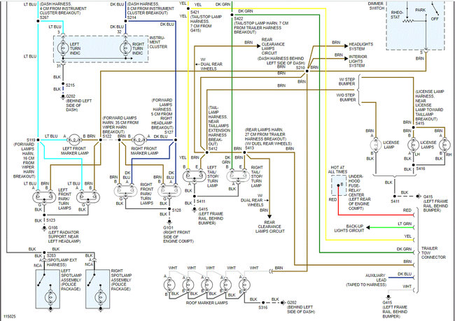
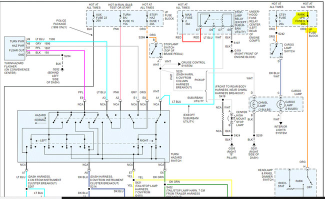
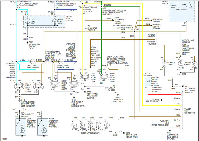
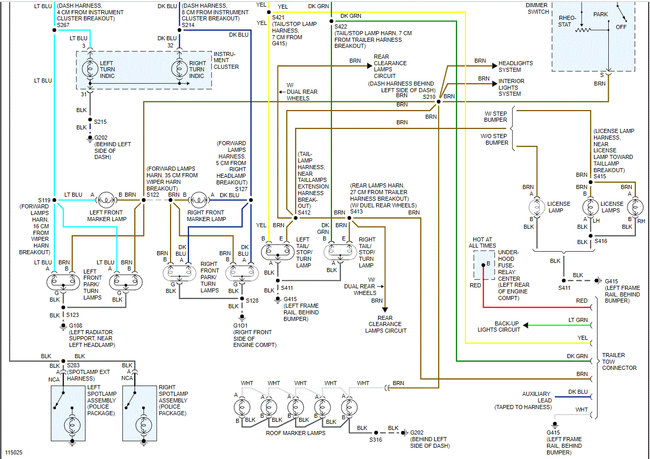
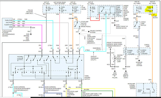
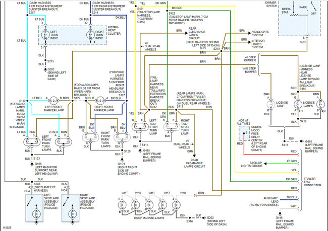
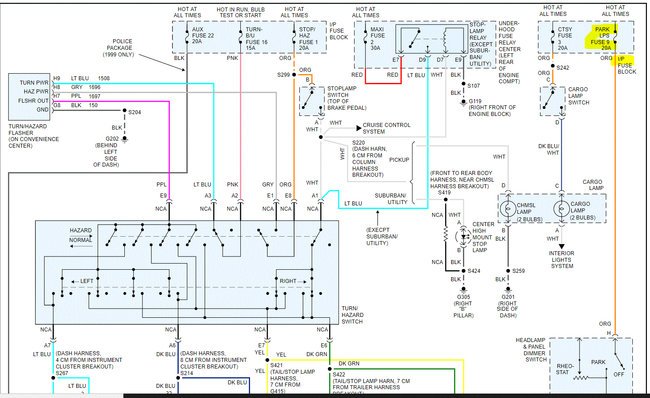
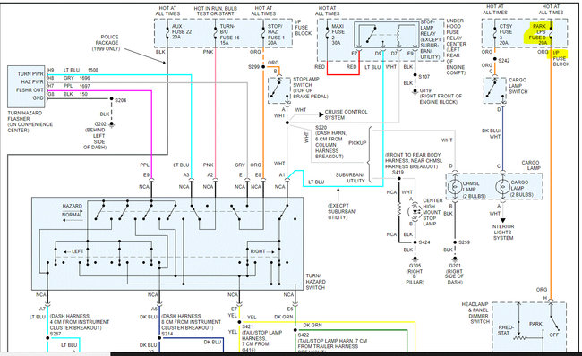
In the vehicle's instrument panel fuse box, there is a fuse for the parking lights which also runs to the instrument panel.

Below, I attached three pics. The first two contain the wiring schematic for the entire exterior lighting system. I highlighted the fuse I'm referring to. In pic 3, I attached a pic of the fuse panel in the vehicle and highlighted the fuse to check.

In addition to checking the fuse, confirm there is power to and from it as well. Here is a link you may find helpful when doing this:

https://www.2carpros.com/articles/how-to-check-a-car-fuse

Let me know what you find or if you have other questions.

Take care,

Joe
Was this
answer
helpful?
Yes
No
-1
Thursday, May 6th, 2021 AT 8:03 PM

Please login or register to post a reply.