At idle starts to overheat?

Tiny
MAISONET1159
  • MEMBER
  • 2009 CHEVROLET EQUINOX
  • 3.4L
  • V6
  • 4WD
  • AUTOMATIC
  • 112,000 MILES
I have the vehicle listed above that on idle starts to overheat, if I rev the engine, it goes back to normal temperature. I've changed the water pump, thermostat, radiator, all hoes and the heater core also had the system flushed. When driving runs fine. What else can I do to finally solve this problem?
Tuesday, August 22nd, 2023 AT 5:51 PM

5 Replies

Tiny
JACOBANDNICKOLAS
  • MECHANIC
  • 110,192 POSTS
Hi,

Since this happens at idle, I suspect you are driving in town, stop-and-go traffic. Is that correct?

If it is, then check to see if the cooling fan turns on when the engine begins to get hot. It should turn on at approximately 215 degrees F.

When you are moving, air flows through the radiator without the fan. When stopped, the fan is needed to produce airflow. If it doesn't turn on, the engine can overheat.

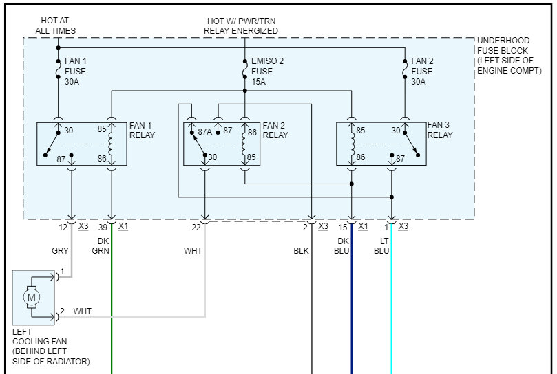
I attached the wiring schematic for the radiator cooling fan circuit below. If they don't come on, check the fuses to make sure they are good and have power to and from them.

Here is a link you may find helpful:

https://www.2carpros.com/articles/how-to-check-a-car-fuse

Let me know.

Joe

See pics below. Note: I had to cut the schematic in half to make it readable. I did overlap the two so you can follow from one to the next.
Was this
answer
helpful?
Yes
No
Tuesday, August 22nd, 2023 AT 8:31 PM
Tiny
MAISONET1159
  • MEMBER
  • 3 POSTS
I do hear the fan turn on and the weird part about the whole thing is that it usually happens when the car is in park for the most part. Sometimes it happens if I'm on like. Drive thru but usually on park, could it possibly be a water temperature sensor?
Was this
answer
helpful?
Yes
No
Wednesday, August 23rd, 2023 AT 3:46 AM
Tiny
JACOBANDNICKOLAS
  • MECHANIC
  • 110,192 POSTS
Hi,

If the fans are working, then it could be the sensor, but I feel it's unlikely. The only thing you could do is to use an infrared thermometer and check the rad temp to see if it is close to what the gauge says.

Also, it could even be a failing head gasket. Do me a favor. Take a look through this link and let me know if you see any of the trouble indicators:

https://www.2carpros.com/articles/recognizing-the-symptoms-understanding-a-blown-head-gasket-in-your-vehicle

Let me know.

Joe
Was this
answer
helpful?
Yes
No
Wednesday, August 23rd, 2023 AT 7:16 PM
Tiny
MAISONET1159
  • MEMBER
  • 3 POSTS
I don't think it's a head gasket only reason why is because I don't notice any of those things in the link and also when I hit the gas while in park the temperature comes down. If it was a head gasket the temperature would never go down correct? Also could the fan be failing?
Was this
answer
helpful?
Yes
No
Thursday, August 24th, 2023 AT 3:42 AM
Tiny
JACOBANDNICKOLAS
  • MECHANIC
  • 110,192 POSTS
Hi,

If you hear the fans turn on, chances are they are working properly. Also, a head gasket may or may not cause it to overheat at all times.

Let me know what I can do to help.

Joe
Was this
answer
helpful?
Yes
No
Thursday, August 24th, 2023 AT 7:34 PM

Please login or register to post a reply.