Rubbish blocking blend doors

Tiny
JAMES TACKETT
  • MEMBER
  • 2005 CHEVROLET MONTE CARLO
  • 140,000 MILES
Thanks for the information. How would l get into the air box to clear debris from blend doors?
Friday, October 13th, 2017 AT 5:38 AM

1 Reply

Tiny
KEN L
  • MASTER CERTIFIED MECHANIC
  • 55,488 POSTS
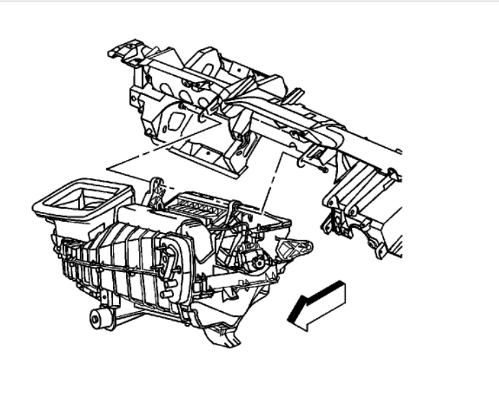
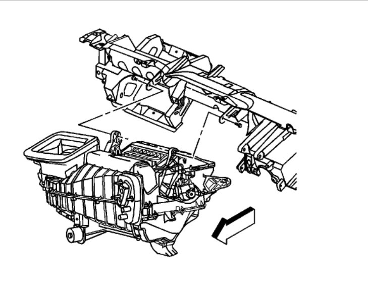
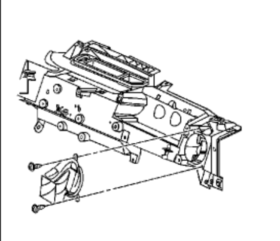
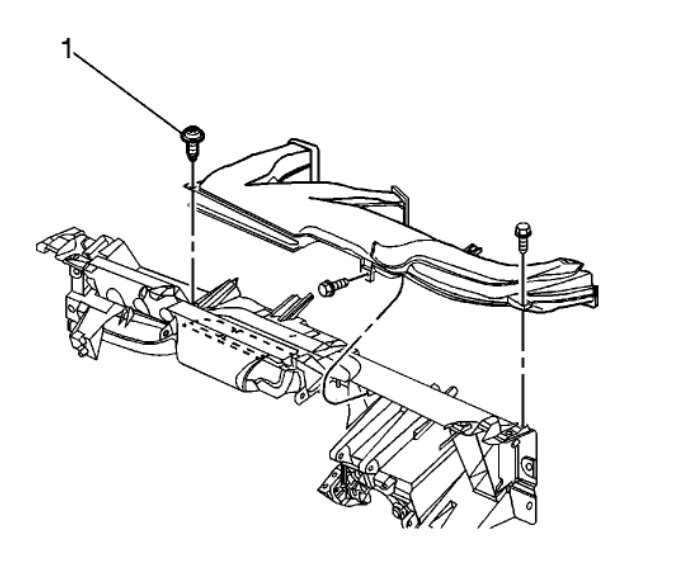
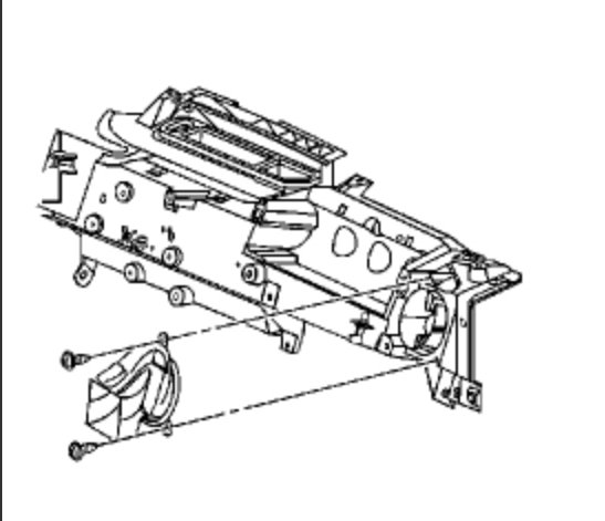
You will need to remove the HVAC housing to clean it out because it will need to be taken apart. First disconnect the battery and you will need to vacuum down and recharge the A/C system.

Here is a guide that will help you with that:

https://www.2carpros.com/articles/re-charge-an-air-conditioner-system

Here are the diagrams you need to follow to get the heater plenum out of the car so you can take it apart. (below)

Please let us know what happens so it will help others.

Cheers, Ken

Was this
answer
helpful?
Yes
No
Friday, October 13th, 2017 AT 12:36 PM

Please login or register to post a reply.