Right headlight does not work

Tiny
FRITTERMAN
  • MEMBER
  • 2014 CHEVROLET IMPALA
  • 3.6L
  • 6 CYL
  • 2WD
  • AUTOMATIC
  • 98,000 MILES
Replaced the bulb and still does not work. Does anybody have wiring schematic so I can troubleshoot this problem?
Tuesday, March 3rd, 2020 AT 9:33 AM

1 Reply

Tiny
KASEKENNY
  • MECHANIC
  • 18,907 POSTS
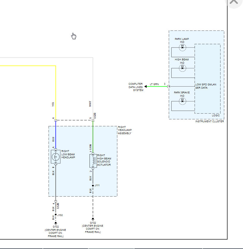
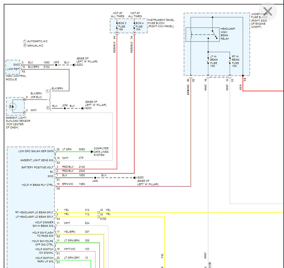
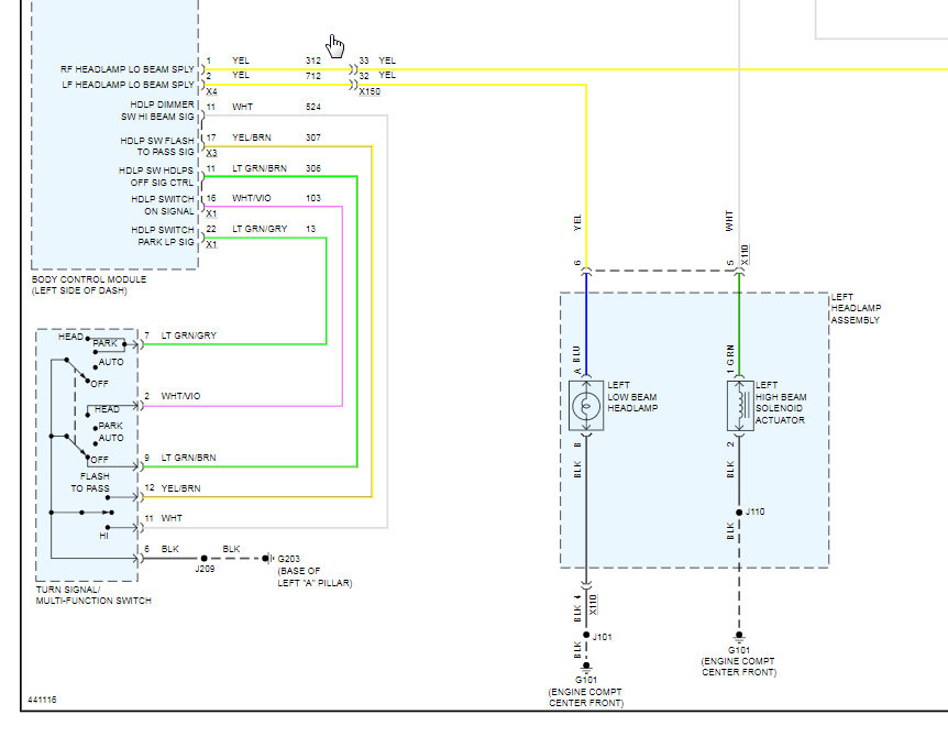
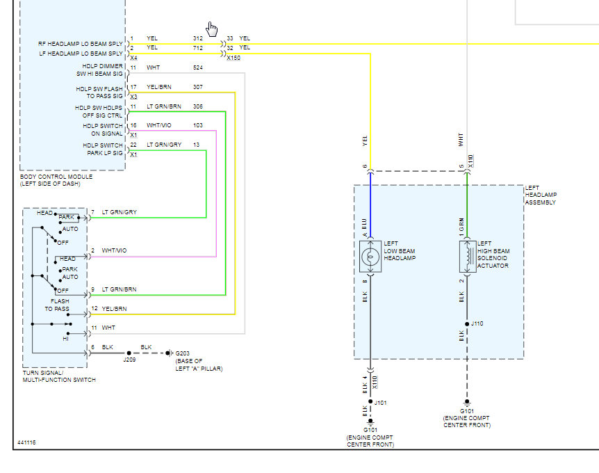
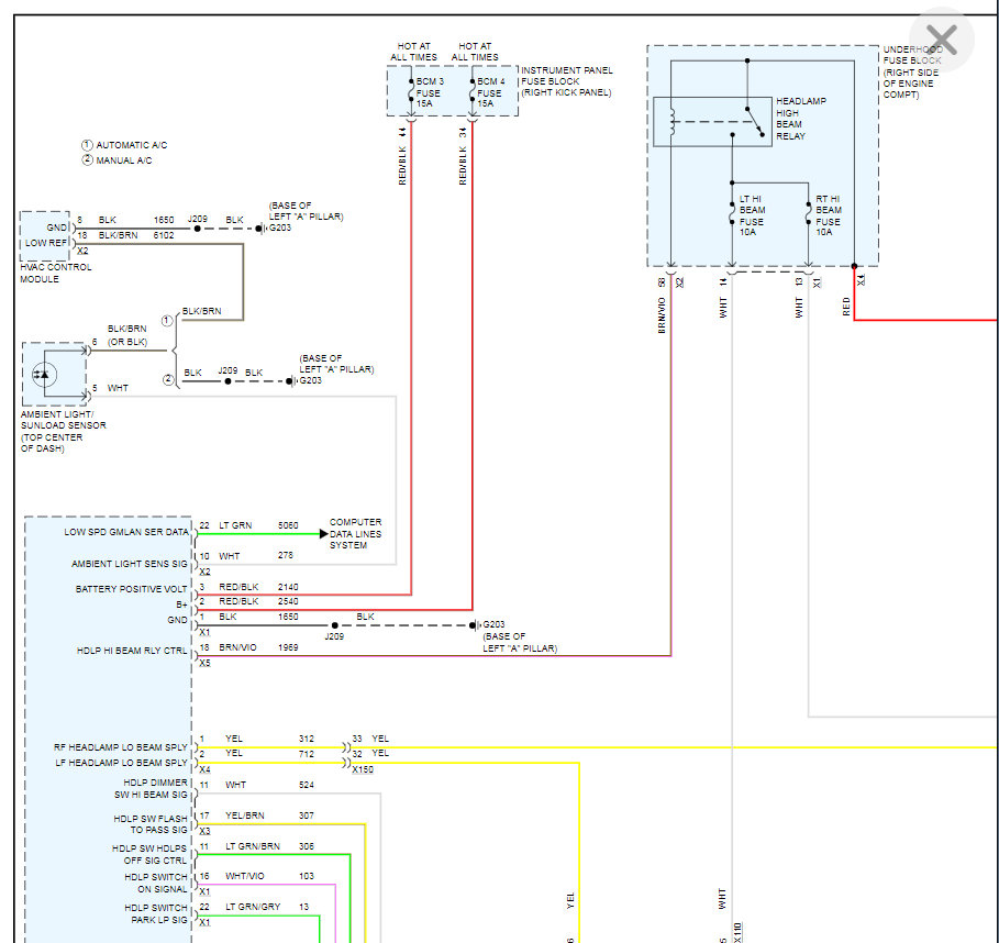
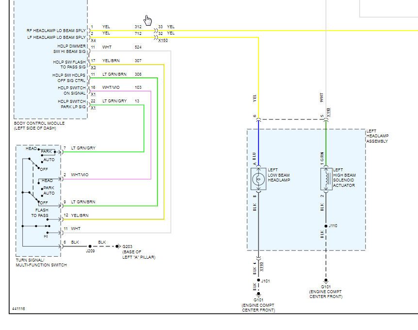
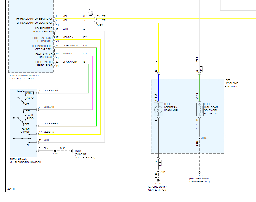
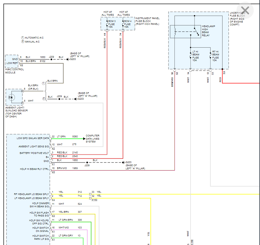
Here are the wiring diagrams. I am assuming that you have non HID headlights meaning you have regular halogen bulbs. If you have HID let me know and I will send those diagrams but you said you replaced the bulb and the HID lights normally come as an assembly.

Thanks
Was this
answer
helpful?
Yes
No
Tuesday, March 3rd, 2020 AT 4:09 PM

Please login or register to post a reply.