Roof module connector wiring diagram needed

Tiny
KBENN165
  • MEMBER
  • 2020 CHEVROLET SILVERADO
  • 5.3L
  • V8
  • 4WD
  • AUTOMATIC
  • 5,000 MILES
I'm looking for roof module wiring harness diagram. Can anyone recommend a website?
Tuesday, November 23rd, 2021 AT 2:29 PM

3 Replies

Tiny
STEVE W.
  • MECHANIC
  • 15,614 POSTS
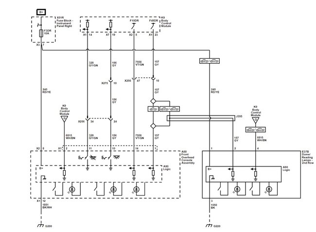
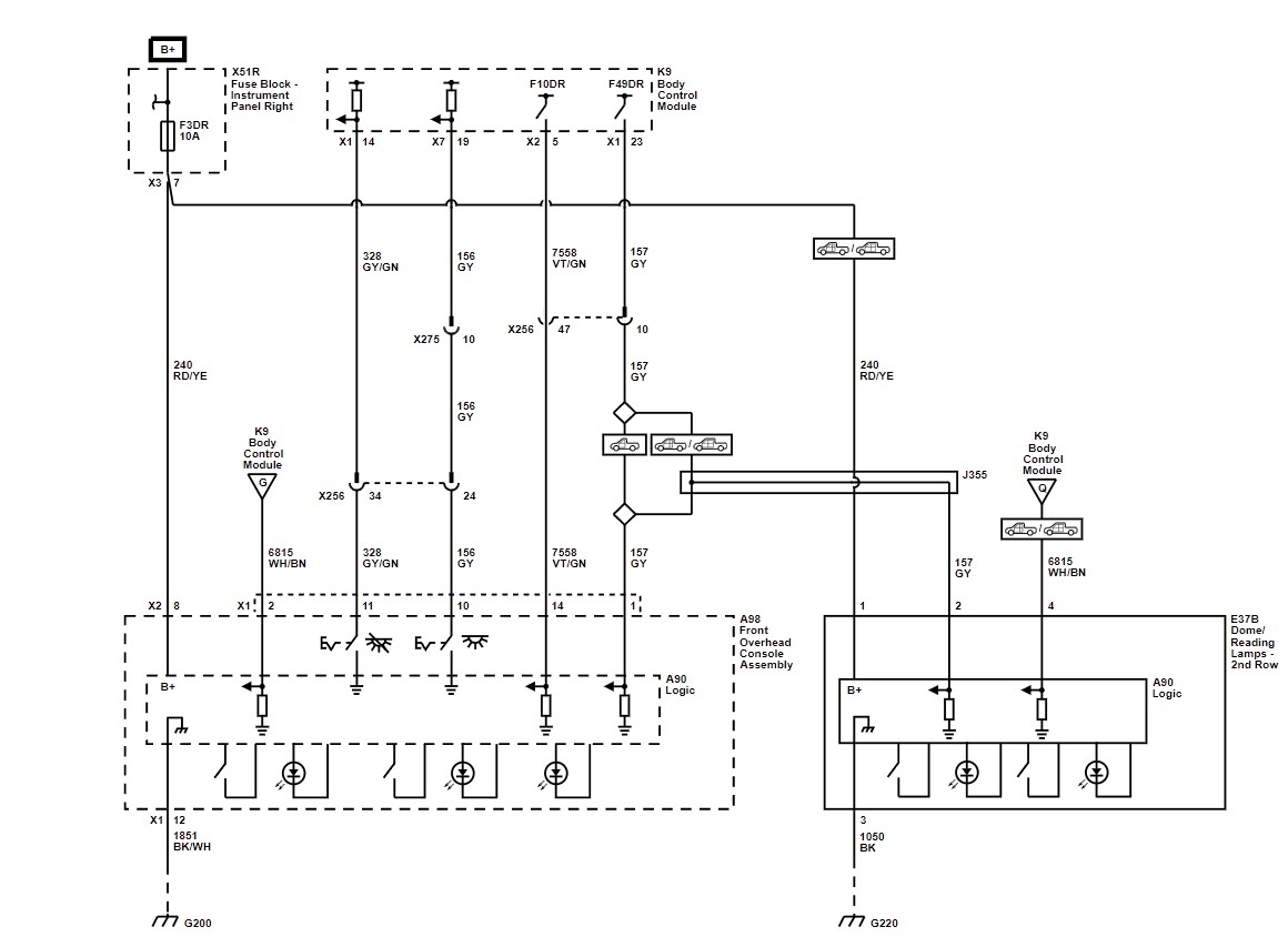
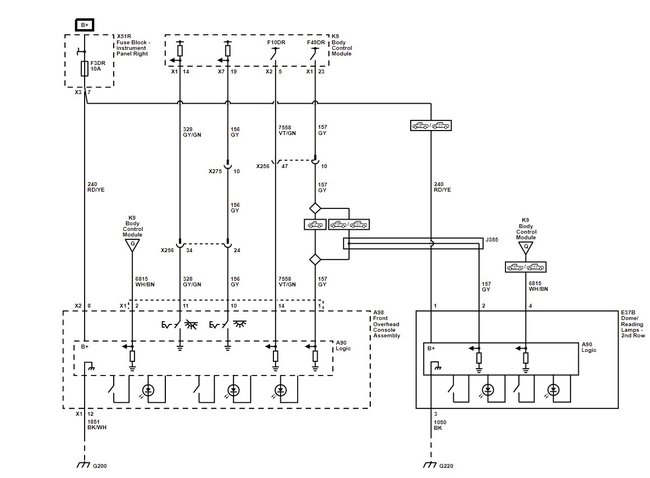
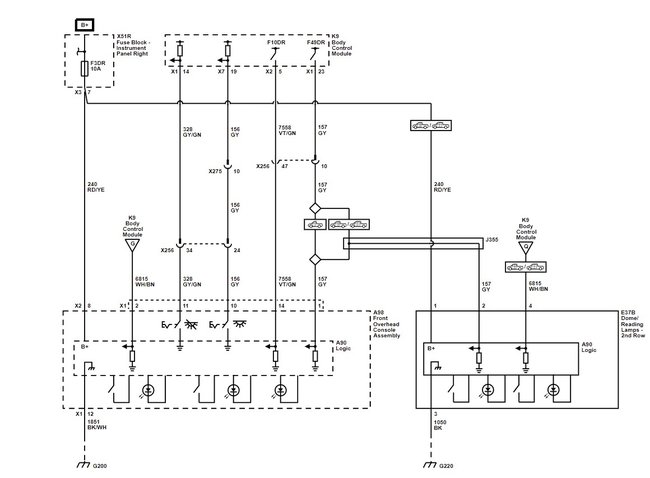
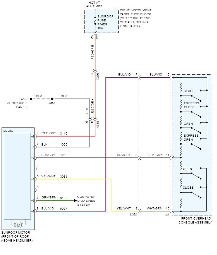
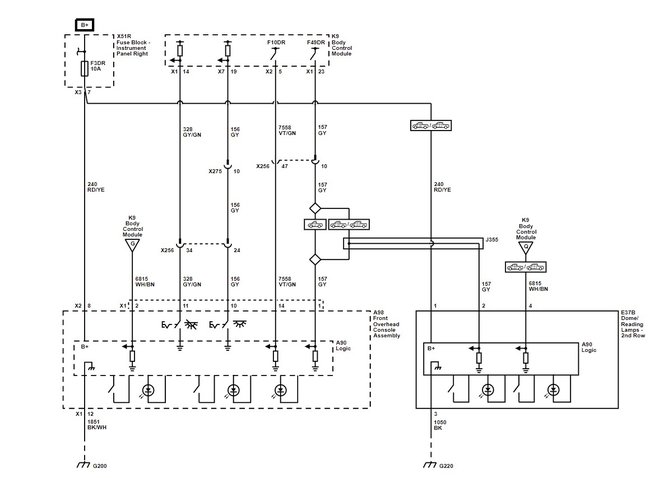
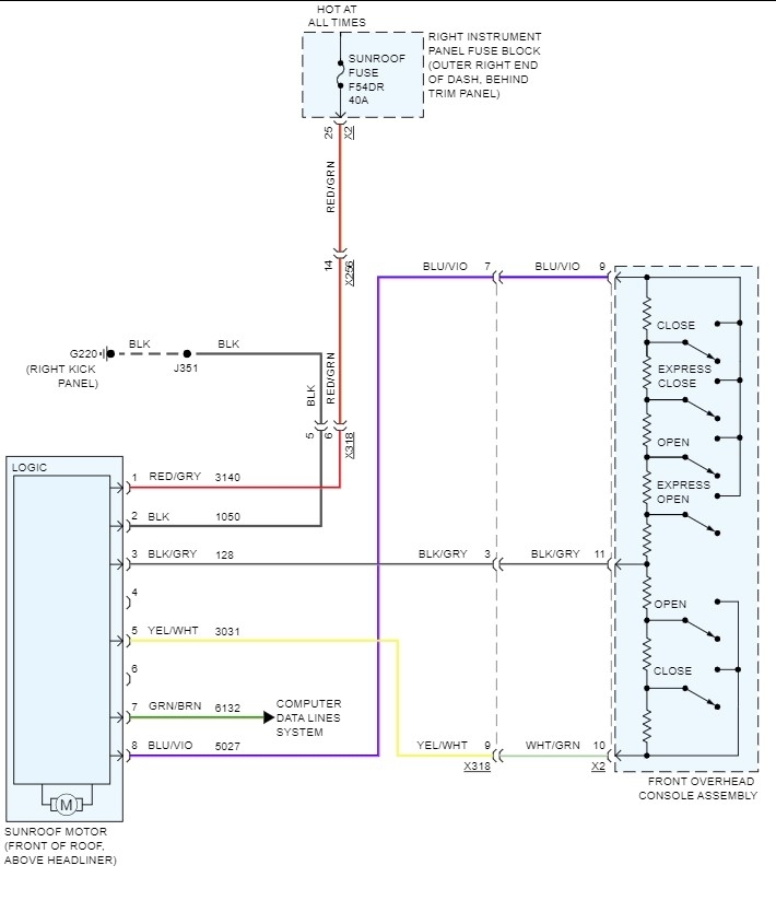
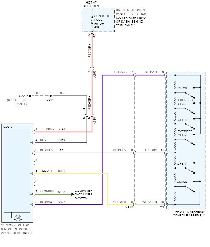
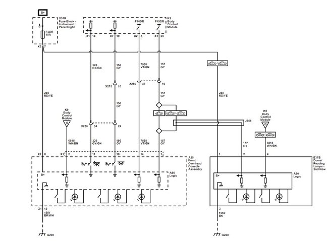
What is the issue you are having? The attached is the wiring for the sunroof, is that the module you are looking for or something else?
Was this
answer
helpful?
Yes
No
-1
Tuesday, November 23rd, 2021 AT 3:40 PM
Tiny
KBENN165
  • MEMBER
  • 2 POSTS
I need the roof console part #84608538 which has 2 16 pin connectors need to know pin location, wire color code, so I can solder new connector ends. Truck was damaged. A wiring diagram should work. Thanks
Was this
answer
helpful?
Yes
No
+1
Friday, November 26th, 2021 AT 6:01 PM
Tiny
STEVE W.
  • MECHANIC
  • 15,614 POSTS
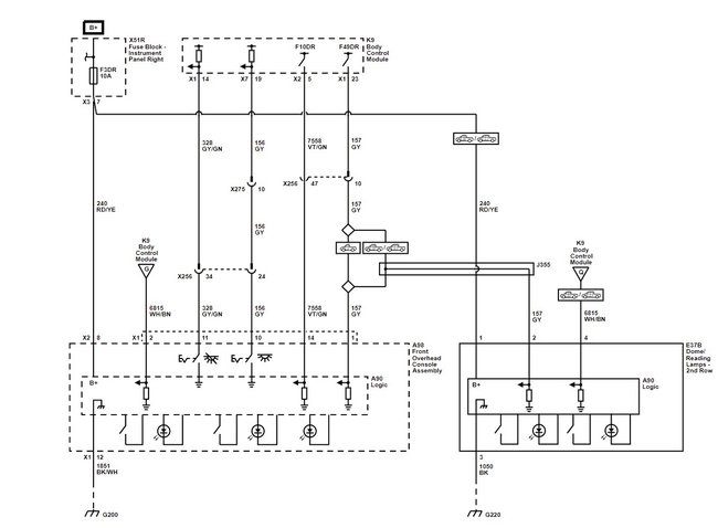
Okay, try these there are what they have plus the pin outs for both connectors. Watch the colors. Those should help.
Was this
answer
helpful?
Yes
No
+1
Friday, November 26th, 2021 AT 7:06 PM

Please login or register to post a reply.