Rollover accident, need fuel shut off switch location

Tiny
DHERRING
  • MEMBER
  • 1994 DODGE DAKOTA
  • V6
  • 2WD
  • AUTOMATIC
  • 184,000 MILES
Trying to locate fuel shut off switch.
Tuesday, June 25th, 2019 AT 2:04 PM

7 Replies

Tiny
ASEMASTER6371
  • MECHANIC
  • 52,796 POSTS
Good afternoon,

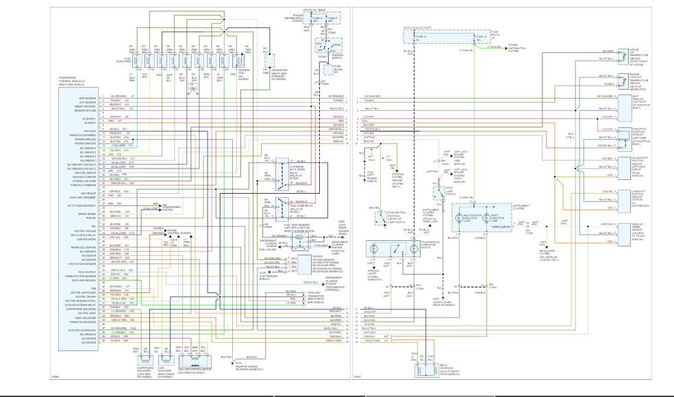
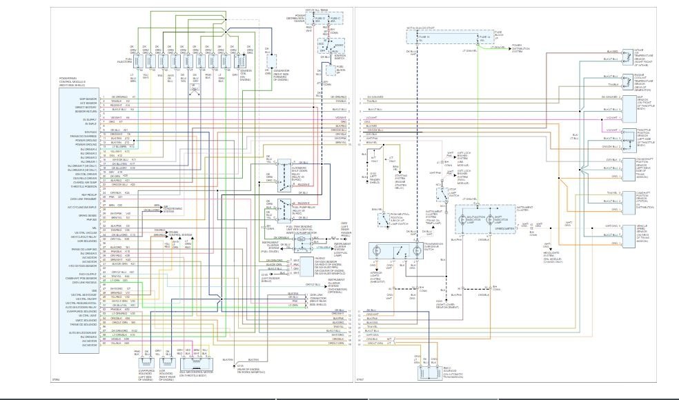
There is no fuel cutoff switch for the fuel pump. Fords have this switch.

I attached a wiring diagram for you to view.

What is the issue?

Roy
Was this
answer
helpful?
Yes
No
+1
Tuesday, June 25th, 2019 AT 3:08 PM
Tiny
DHERRING
  • MEMBER
  • 4 POSTS
It was in a rollover about a year ago. We are trying to make it usable as a farm truck.
It will run with gasoline poured in the carburetor but then shuts off.
Was this
answer
helpful?
Yes
No
Tuesday, June 25th, 2019 AT 3:53 PM
Tiny
ASEMASTER6371
  • MECHANIC
  • 52,796 POSTS
Okay, can you hear the fuel pump run when you turn on the key?

https://www.2carpros.com/articles/how-to-replace-an-electric-fuel-pump

Did you remove all the old fuel and replace it with new fuel?

Roy
Was this
answer
helpful?
Yes
No
+1
Tuesday, June 25th, 2019 AT 4:03 PM
Tiny
DHERRING
  • MEMBER
  • 4 POSTS
Did not replace fuel. Added some new and shook it.
Cannot hear fuel pump when key is turned on. I’ll listen again under the car but I didn’t hear it while under the hood.
Was this
answer
helpful?
Yes
No
Tuesday, June 25th, 2019 AT 4:06 PM
Tiny
ASEMASTER6371
  • MECHANIC
  • 52,796 POSTS
You need to drain all the old fuel out. Adding new does nothing for the contaminated fuel.

I would replace the pump.

Roy
Was this
answer
helpful?
Yes
No
+2
Tuesday, June 25th, 2019 AT 4:07 PM
Tiny
DHERRING
  • MEMBER
  • 4 POSTS
Thanks.
I’ll start with good fuel and listen for the pump and go from there.
Was this
answer
helpful?
Yes
No
Tuesday, June 25th, 2019 AT 4:13 PM
Tiny
ASEMASTER6371
  • MECHANIC
  • 52,796 POSTS
You are welcome.

Always glad to help.

Roy
Was this
answer
helpful?
Yes
No
Tuesday, June 25th, 2019 AT 4:15 PM

Please login or register to post a reply.