A/C blower motor not working

Tiny
G3COLLISON
  • MEMBER
  • 2002 ISUZU RODEO
  • 3.2L
  • 6 CYL
  • RWD
  • AUTOMATIC
  • 45,000 MILES
With car running A/C engaged, compressor is engaging as well. There is no air flow into the car through the vents. No matter what speed you put it on, one through four, nothing. Checked all fuses, good. Got into dash. Disconnected the blower motor plug. Meter in place turned the key, no voltage on blue/ white striped. Left positive lead in plug and put ground to chassis ground, viola, 12.4 volts. Put temperature ground to plug, plugged back into motor. Turned key to on position, fan motor operates in "full on" (four) mode no matter what is on the selector (one through four, ).
Help!
Sunday, June 18th, 2017 AT 11:58 AM

4 Replies

Tiny
HMAC300
  • MECHANIC
  • 48,601 POSTS
Check items in picture. It may be the fuse or relay under hood.
Was this
answer
helpful?
Yes
No
-1
Sunday, June 18th, 2017 AT 2:21 PM
Tiny
G3COLLISON
  • MEMBER
  • 2 POSTS
Thanks, but I had already checked all the fuses.
Was this
answer
helpful?
Yes
No
Sunday, June 18th, 2017 AT 3:33 PM
Tiny
HMAC300
  • MECHANIC
  • 48,601 POSTS
How about the relay?
https://www.2carpros.com/articles/how-to-check-an-electrical-relay-and-wiring-control-circuit
Was this
answer
helpful?
Yes
No
Sunday, June 18th, 2017 AT 4:16 PM
Tiny
KEN L
  • MASTER CERTIFIED MECHANIC
  • 55,420 POSTS
Hello,

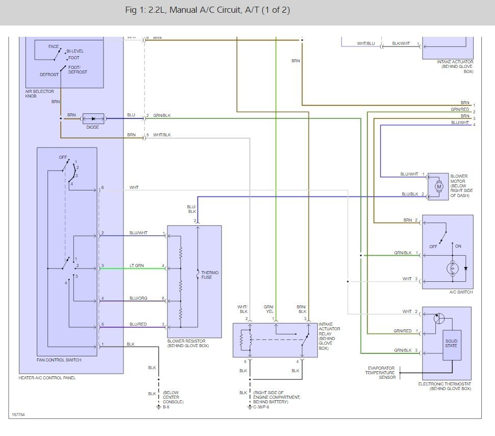
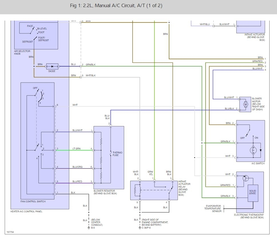
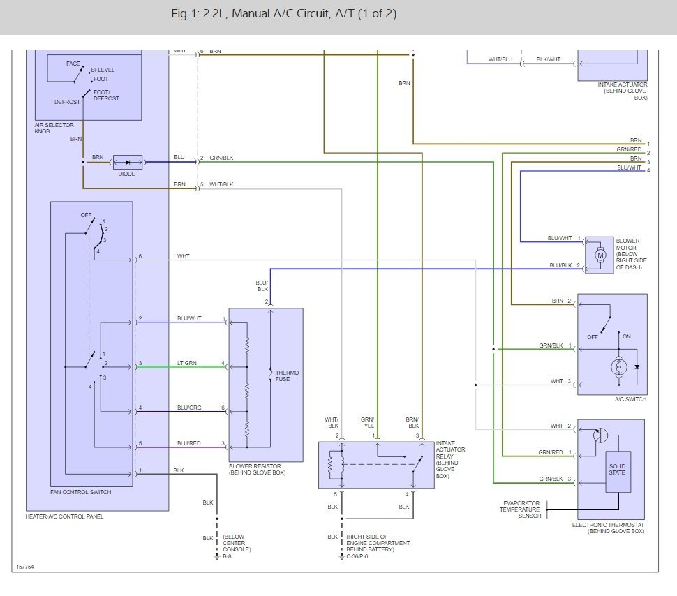
There is a thermo fuse in the resistor or the resistor has shorted out. Here is a full wiring diagram (below) of the system and a guide to help you do some testing to see where you are losing the power or ground also check the control switch as well.

https://www.2carpros.com/articles/how-to-use-a-test-light-circuit-tester

Please let us know what happens, we are interested to see what it is.

Cheers, Ken

Was this
answer
helpful?
Yes
No
+2
Monday, June 19th, 2017 AT 9:54 AM

Please login or register to post a reply.