Rod Bolt torque spec needed

Tiny
CRJ HITECH
  • MEMBER
  • 2008 HONDA CIVIC
  • 1.8L
  • 4 CYL
  • 2WD
  • AUTOMATIC
  • 200,000 MILES
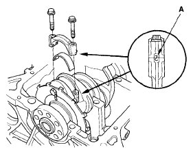
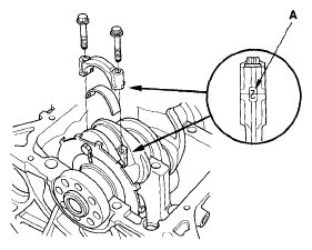
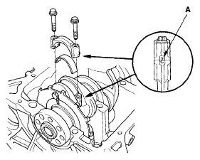
I rebuilt my engine, but I do not know the connecting rod bolt torque spec.
Thursday, December 6th, 2018 AT 3:34 PM

1 Reply

Tiny
JACOBANDNICKOLAS
  • MECHANIC
  • 110,192 POSTS
Hi and thanks for using 2CarPros.

I had to attach the directions and specs in pictures. Check out the diagrams (Below). Please let us know if you need anything else to get the problem fixed. Let me know if this helps.

Joe
Was this
answer
helpful?
Yes
No
+5
Thursday, December 6th, 2018 AT 4:56 PM

Please login or register to post a reply.